.it
Benvenuti
Contatti
Spedizione
L’azienda
Guest book
Condizioni e Privacy
Catalogare
Tagliare, profilare
Componenti per motore
Officine meccaniche
Parti e componentistica per macchine varie
Forestali
Articoli elettrici
Articoli invernali
Cinghie trapezoidali e relative pulegge
Filters
PEZZI DI RICAMBIO
Sprocket Rims
Guide Bars
Chainsaw Chains
Search by Part Number
Diagrammi ed elenchi
Servizio
Determine Chain
Ricerca
Il mio account
Registrati
Log in
Settings
DE
EN
FR
ES
IT
Desktop
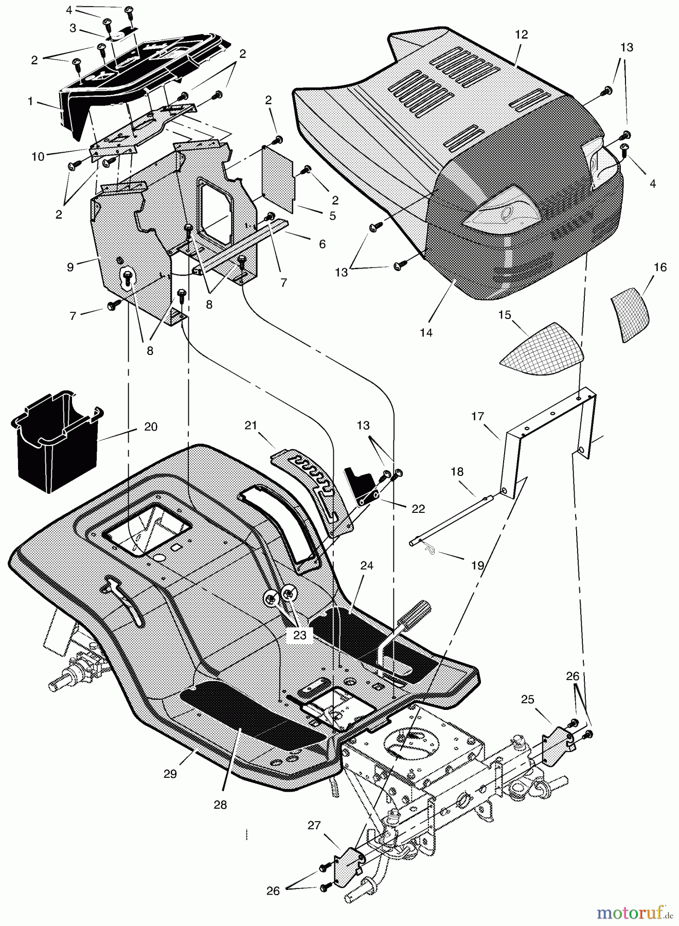
Murray 461007x92A - B&S/ 46" Garden Tractor (2001) (Walmart) Hood And Dash Ricambi
Start
Murray
Rasen- und Gartentraktoren
461007x92A - B&S/Murray 46" Garden Tractor (2001) (Walmart)
Hood And Dash
Hood And Dash 461007x92A - B&S/Murray 46" Garden Tractor (2001) (Walmart)
Posizione
Articolo numero
Descrizione
1
BS776190MA
DASH LT 3520 (09422
2
BS26X250MA
SCREW-TAPPING 10-16
3
BS094219MA
BEARING UPPER 3520
4
BS26X239MA
SCREW 1/4 ABX.75
5
BS093007E701MA
PANEL-SIDE ACCESS
6
BS095081
7
BS26X263MA
SCREW.25-20 S-T
8
BS26X249MA
SCREW-.312-18X.75
9
BS095082E701MA
HALTER, ARMATURENBRETT
10
BS094221E701MA
BEF.PLATTE VERKLEIDUNG
12
BS093215E701MA
HOOD
13
BS009X47MA
BOLT-SHD.
14
BS092542MA
GRILL MONTAGE-3530
15
BS092539MA
LENS-RIGHT-3530 SE
16
BS092540MA
LINSE-LINKS 3530 SE
17
BS092541MA
BRACE-3530
18
BS093137ZMA
HAUBENZAPFENSTANGE PIVOT
19
BS0031X4MA
PIN, HAIR .56D - .09
20
BS690424MA
BATTERY CONTAINER
21
BS094194E701MA
LIFT DETENT PLATE LG
22
BS094680MA
ABDECKUNG/FESTSTELLVORRICHT.,
23
BS015X81MA
NUT#10-24 MCLEANLOCK
24
BS094383MA
MAT - LH
25
BS690544E700MA
GRILLE SUPPORT LH
26
BS26X277MA
SCREW-5/16-18X.50
27
BS690543E717MA
GRILLE SUPPORT RH
28
BS094382MA
MATTE RECHTS
29
BS095326E549
Gestione della qualità
Aiutaci a migliorare il nostro sito. Informaci se trovi un errore.