.it
Carrello
vuoto
Il mio account
Registrati
Log in
Benvenuti
Contatti
Spedizione
L’azienda
Guest book
Condizioni e Privacy
Catalogare
Tagliare, profilare
Componenti per motore
Officine meccaniche
Parti e componentistica per macchine varie
Forestali
Articoli elettrici
Articoli invernali
Cinghie trapezoidali e relative pulegge
Filters
PEZZI DI RICAMBIO
Sprocket Rims
Guide Bars
Chainsaw Chains
Search by Part Number
Diagrammi ed elenchi
Servizio
Determine Chain
Ricerca
DE
EN
FR
ES
IT
Versione mobile
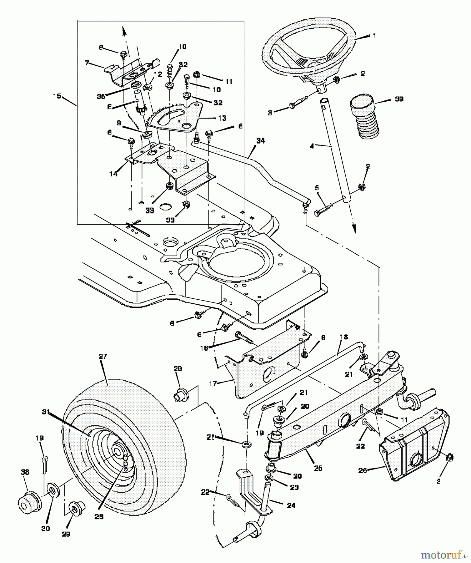
Murray 42816D - 42" Lawn Tractor (1997) Steering Ricambi
Start
Murray
Rasen- und Gartentraktoren
42816D - Murray 42" Lawn Tractor (1997)
Steering
Steering 42816D - Murray 42" Lawn Tractor (1997)
Posizione
Articolo numero
Descrizione
1
BS092076
2
BS15X118MA
MUTTER.31-24 FLANSCHVERSCHLUSS
3
BS001X66MA
BOLT,HEX.31-24X1.37 Z
4
BS091860ZMA
STEERING POST
5
BS001X74MA
SECHSKANTBOLZEN.31 24X1.25 Z
6
BS26X249MA
SCREW-.312-18X.75
7
BS91716E701
8
BS092715MA
GEAR-PINION
9
BS092716MA
LAGER
10
BS001X84MA
BOLT,HEX .31-18X1.00
11
BS015X87ZMA
NUT.38-24 CENTERLOCK
12
BS092564MA
SPACER-SECTOR GEAR
13
BS092316
14
BS91708E701
15
BS402075MA
LENKGETRIEBE ERSATZ
16
BS01X146MA
BOLT-HEX.31-24X2.75 P
17
BS092529E701MA
SUPT.-AXLE,REAR
18
BS90038E701
19
BS030X49MA
PIN-COTTER.13D-1.25L
20
BS092527MA
BEARING
21
BS017X57MA
UNTERLEGSCHEIBE.47.72 16G FLT
22
BS030X20MA
PIN-COTTER.09D-.750L
23
BS17X113MA
WASHER.76-1.2 13G FL
24
BS091828E701MA
SPINDLE RH
25
BS092519E701
26
BS092528E701MA
HALTERUNG , ACHSE VORN
27
BS091912MA
15X6. REIFEN/RASEN SE
--
BS407047MA
INNENROHR,15X6 SE
28
BS024373MA
VENTIL STM&CP,TR41 SE
29
BS491334MA
BEARING WHEEL SET
30
BS17X195MA
UNTERLEGSCHEIBE
31
BS094578601MA
WHL 15X6 TSII
32
BS092097MA
BEARING-PIVOT
33
BS15X113MA
STELLMUTTER.31-18 KEPS LOCK Z
34
BS091749E701MA
FUHRUNGSSTANGE
36
BS092280MA
SPACER-PINION GEAR/CL
38
BS094618MA
HUB CAP
39
BS092059MA
BALG/BALGE
Gestione della qualità
Aiutaci a migliorare il nostro sito. Informaci se trovi un errore.