.it
Benvenuti
Contatti
Spedizione
L’azienda
Guest book
Condizioni e Privacy
Catalogare
Tagliare, profilare
Componenti per motore
Officine meccaniche
Parti e componentistica per macchine varie
Forestali
Articoli elettrici
Articoli invernali
Cinghie trapezoidali e relative pulegge
Filters
PEZZI DI RICAMBIO
Sprocket Rims
Guide Bars
Chainsaw Chains
Search by Part Number
Diagrammi ed elenchi
Servizio
Determine Chain
Ricerca
Il mio account
Registrati
Log in
Settings
DE
EN
FR
ES
IT
Desktop
Murray 42590C - 42" Lawn Tractor (2000) Mower Housing Ricambi
Start
Murray
Rasen- und Gartentraktoren
42590C - Murray 42" Lawn Tractor (2000)
Mower Housing
Mower Housing 42590C - Murray 42" Lawn Tractor (2000)
Posizione
Articolo numero
Descrizione
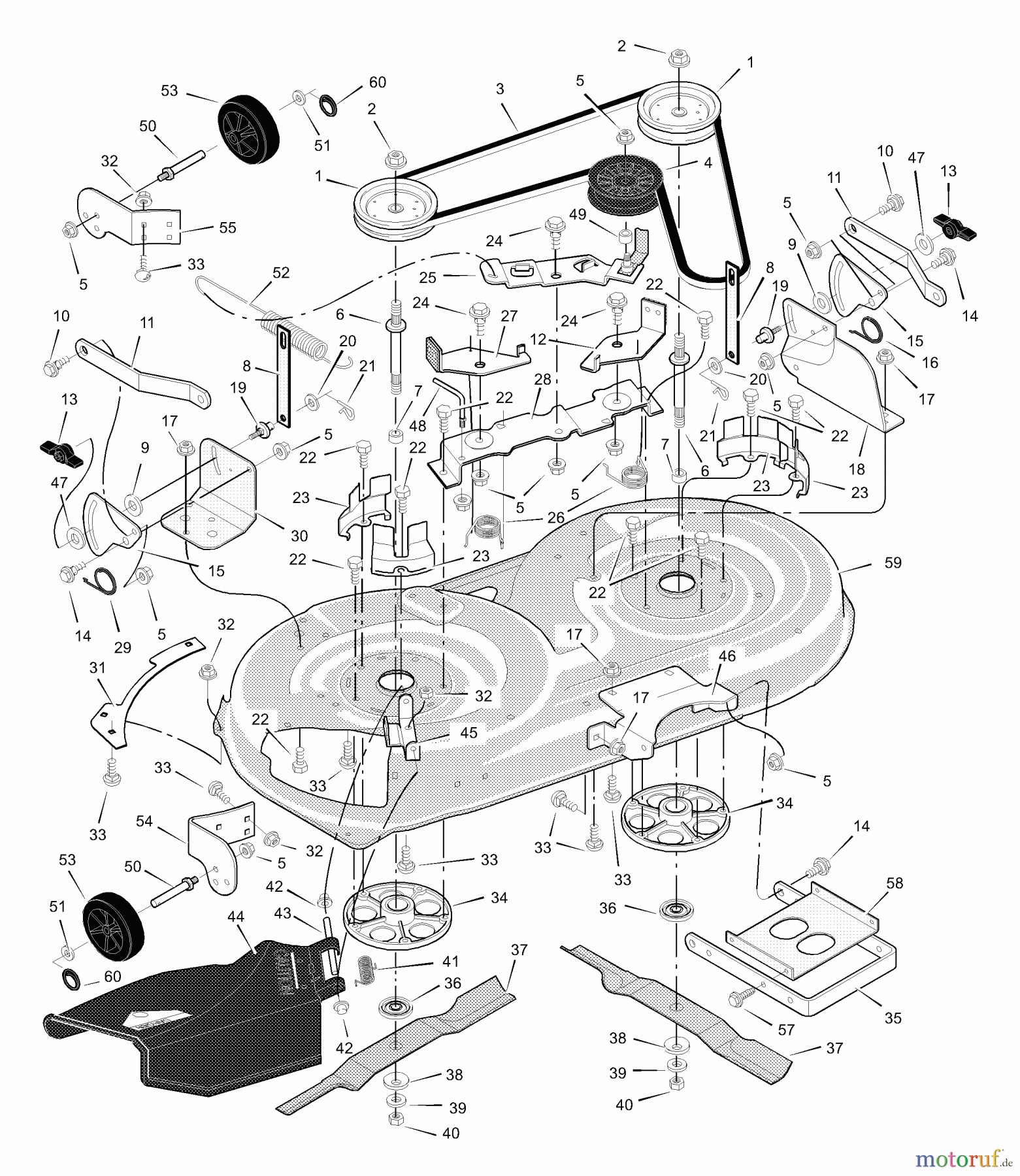
1
BS494199MA
RIEMENSCHEIBE, BLD DRV 42
2
BS15X140MA
MUTTER.56-18 RIEMENSCHEIBE ZIN
3
BS037X88MA
RIEMEN
4
BS690387MA
PULLEY - BACKSIDE IDL
5
BS015X84MA
MUTTER, CENTERLOCK .38-
6
BS774091MA
MANDREL SPLIN 7.03 Q1
7
BS094130MA
SPACER
8
BS690212E701MA
LIFT LINK (LT)
9
BS094137MA
FRICTION PAD
10
BS009X52MA
ANSATZBOLZEN .38-16X.600D
11
BS094055E701MA
HALTER HECKAUFHANGUNG/HECKFEDE
12
BS094049E701MA
BREMSARM & BELAG LINKS
13
BS094068MA
KNOB
14
BS009X51MA
BOLT-SHD.38-16X.499D
15
BS094128E701MA
SUSPENSION PLATE
16
BS166X43MA
TORSIONSFEDER LINKS
17
BS015X79MA
NUT.31-18 FLANGELOCK
18
BS094192E700
19
BS94194
20
BS17X103MA
UNTERLEGSCHEIBE.53X1X.12 FLAT
21
BS0031X4MA
PIN, HAIR .56D - .09
22
BS0025X7MA
MOTORBOLZEN 3/8 X 1.25
23
BS094051E701MA
RIEMENSCHEIBENABDECKUNG SEGMEN
24
BS009X39MA
ANSATZBOLZEN .38-16 X .
25
BS690408E701MA
IDLER ARM ASSY
26
BS166X41MA
SPRING TORSION BRKE
27
BS094047E701MA
BREMSBELAG & ARM RECHTS
28
BS094193E701MA
HALTERUNG-BREMSE MTG 42
29
BS166X42MA
TORSIONSFEDER RECHTS
30
BS094191E701MA
HALTER - VERKLEIDUNG RECHTS 4
31
BS092426E701MA
BLECH
32
BS015X88MA
NUT,CENTERLOCK Z .3
33
BS002X53MA
BOLT,CRG .31-18 X 0.
34
BS492574MA
JACKSHAFT HSNG
35
BS690539E701MA
BRKT-FRT SUSPENSION
36
BS092466MA
ADAPTER- MESSER
37
BS095100E701MA
EINZELMESSER
38
BS17X166MA
WASHER.62-1.7 11G - B
39
BS17X165MA
UNTERLEGSCHEIBE.62-1.0-.18 FL
40
BS15X100MA
MUTTER.56-18 REG UNF Z-Y
41
BS0166X4MA
SPRING-TORSION
42
BS028X23MA
PUSH CAP.375
43
BS094957ZMA
ROD -DEFLECTOR
44
BS094707MA
DEFLECTOR ASSY - CHUT
45
BS094956E701MA
SCHARNIER-/GELENKHALTERUNG
46
BS094686E700
47
BS017X45MA
WASHER,FLAT .33 1. 16
48
BS094781MA
SCREW GUIDE
49
BS690369MA
SPACER 1/2'' TO 17 MM
50
BS094025MA
BOLZEN-RADSTELZE
51
BS017X91MA
WASHER,FLAT .54.81
52
BS165X119MA
ZUGFEDER
53
BS092683MA
WHEEL, GUAGE
54
BS1001260E701MA
KONSOLE RECHTS ANZEIGE RAD 42
55
BS092423E701MA
HALTERUNG, LINKES RAD
57
BS26X249MA
SCREW-.312-18X.75
58
BS094604E701MA
STIFFENER
59
BS094814E701MA
BLADE HSNG 42 (NLA)
60
BS031X11MA
HAARSTIFT
Gestione della qualità
Aiutaci a migliorare il nostro sito. Informaci se trovi un errore.