.it
Carrello
vuoto
Il mio account
Registrati
Log in
Benvenuti
Contatti
Spedizione
L’azienda
Guest book
Condizioni e Privacy
Catalogare
Tagliare, profilare
Componenti per motore
Officine meccaniche
Parti e componentistica per macchine varie
Forestali
Articoli elettrici
Articoli invernali
Cinghie trapezoidali e relative pulegge
Filters
PEZZI DI RICAMBIO
Sprocket Rims
Guide Bars
Chainsaw Chains
Search by Part Number
Diagrammi ed elenchi
Servizio
Determine Chain
Ricerca
DE
EN
FR
ES
IT
Versione mobile
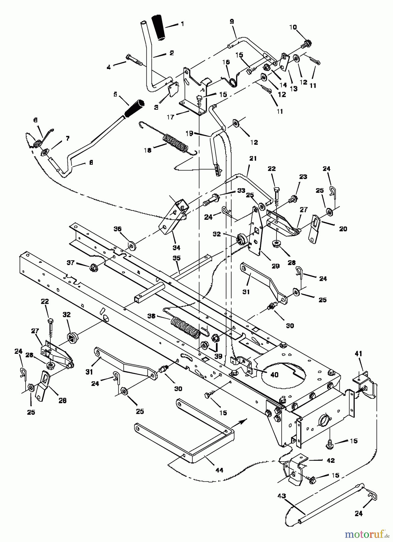
Murray 42578x6A - Ultra 42" Lawn Tractor (1997) Mower Housing Suspension Ricambi
Start
Murray
Rasen- und Gartentraktoren
42578x6A - Murray Ultra 42" Lawn Tractor (1997)
Mower Housing Suspension
Mower Housing Suspension 42578x6A - Murray Ultra 42" Lawn Tractor (1997)
Posizione
Articolo numero
Descrizione
1
BS092698MA
GRIFF - .625 ID- SCHWARZ
2
BS094157ZMA
GRIFF PTO
3
BS94022E701
4
BS0025X3MA
SCHRAUBE-THD.FORM.HEX.
5
BS092697MA
GRIP - .50 ID - BLACK
6
BS166X40MA
TORSIONSFEDER LINKS
7
BS17X103MA
UNTERLEGSCHEIBE.53X1X.12 FLAT
8
BS94029 Z
9
BS094017ZMA
LEVER - PTO
10
BS009X39MA
ANSATZBOLZEN .38-16 X .
11
BS030X20MA
PIN-COTTER.09D-.750L
12
BS017X57MA
UNTERLEGSCHEIBE.47.72 16G FLT
13
BS094004ZMA
PTO LINK
14
BS015X84MA
MUTTER, CENTERLOCK .38-
15
BS26X249MA
SCREW-.312-18X.75
16
BS166X39MA
TORSIONSFEDER PTO
17
BS94018
18
BS165X118MA
ZUGFEDER PTO
19
BS94019 D
20
BS094611E701MA
HEBEVERBINDUNG LINKS
21
BS94028E701
22
BS001X74MA
SECHSKANTBOLZEN.31 24X1.25 Z
23
BS026X49MA
SCHRAUBE .31X50 TYPE B
24
BS0031X4MA
PIN, HAIR .56D - .09
25
BS017X91MA
WASHER,FLAT .54.81
26
BS094053E701MA
HEBE-/STOSSELVERBINDUNG, RECHT
27
BS094180E701MA
LIFT LEVER ASY RH
28
BS15X118MA
MUTTER.31-24 FLANSCHVERSCHLUSS
29
BS94030E701
30
BS094067MA
ANSATZGEWINDESTIFT
31
BS094055E701MA
HALTER HECKAUFHANGUNG/HECKFEDE
32
BS094065MA
BUSHING - LIFT TUBE
33
BS009X53MA
BOLT,SHD .38-16X.565
34
BS094015E701MA
BRACKET-PIVOT
35
BS94063E701
36
BS17X191MA
UNTERLEGSCHEIBE - VORNUT
37
BS015X84MA
MUTTER, CENTERLOCK .38-
38
BS165X117MA
SPRING EXT LIFTER
39
BS015X68MA
MUTTER.38-16 FLANSCHARRETIERUN
40
BS94005E701
41
BS094027E701MA
HANGER - DECK LH
42
BS094026E701MA
HANGER - DECK RH
43
BS094158ZMA
ROD - HANGAR
44
BS94058E701
Gestione della qualità
Aiutaci a migliorare il nostro sito. Informaci se trovi un errore.