.it
Benvenuti
Contatti
Spedizione
L’azienda
Guest book
Condizioni e Privacy
Catalogare
Tagliare, profilare
Componenti per motore
Officine meccaniche
Parti e componentistica per macchine varie
Forestali
Articoli elettrici
Articoli invernali
Cinghie trapezoidali e relative pulegge
Filters
PEZZI DI RICAMBIO
Sprocket Rims
Guide Bars
Chainsaw Chains
Search by Part Number
Diagrammi ed elenchi
Servizio
Determine Chain
Ricerca
Il mio account
Registrati
Log in
Settings
DE
EN
FR
ES
IT
Desktop
Murray 42572x8A - Scotts 42" Lawn Tractor (2000) (Home Depot) Engine Mount Ricambi
Start
Murray
Rasen- und Gartentraktoren
42572x8A - Scotts 42" Lawn Tractor (2000) (Home Depot)
Engine Mount
Engine Mount 42572x8A - Scotts 42" Lawn Tractor (2000) (Home Depot)
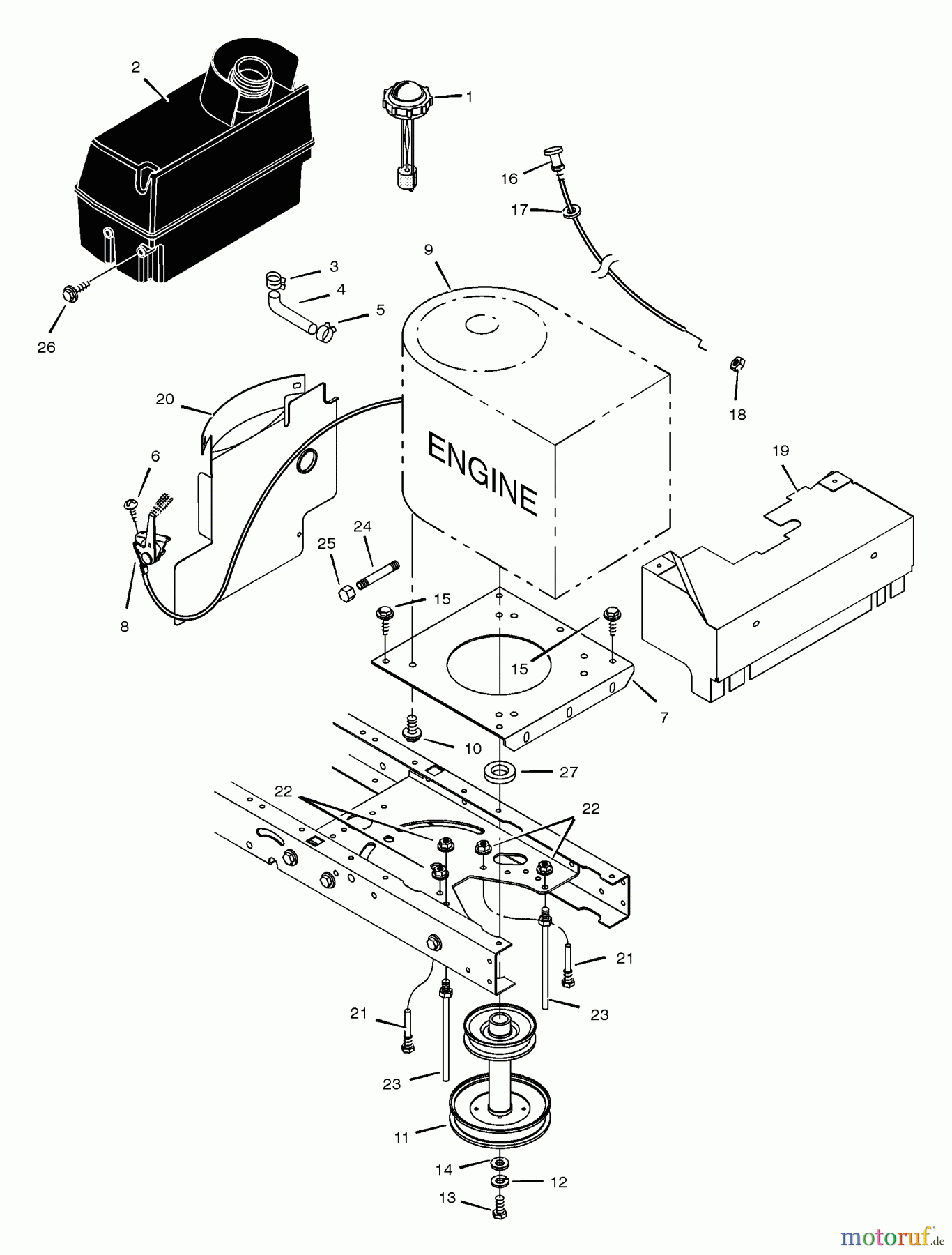
Posizione
Articolo numero
Descrizione
1
BS092317MA
BENZINDECKEL
2
BS690333MA
FUEL TANK ASY-INTEK-3
3
BS095197MA
SCHLAUCHSCHELLE - GELB
4
BS7601033MA
SERVICE KIT, FUEL LIN
5
BS095197MA
SCHLAUCHSCHELLE - GELB
6
BS26X201MA
SCREW Z/BL CHROMATE
7
BS094006E701MA
PLATE, ENGINE
8
BS093165MA
THROTTLE CONTROL
9
BS
Eingangswelle UE 600
--
BS095198MA
MUFFLER ASSY-LT-TWIN
--
BS095208MA
--
BS095200MA
ANSCHLU?ROHR SCHALLDAMPFER
10
BS0025X7MA
MOTORBOLZEN 3/8 X 1.25
11
BS690440ZMA
STK PULLEY 38-42'' RLT
12
BS019X35MA
WASHER.43-0.74 X.04 S
13
BS01X140MA
SECHSKANTBOLZEN.43-20X1.50 Z
14
BS17X170MA
WASHER.46.97.25 FLAT
15
BS26X249MA
SCREW-.312-18X.75
16
BS776113MA
CHOKEREGELUNG W/ATT.
17
BS0019X8MA
STERNUNTERLEGSCHEIBE .38 0.68X
18
BS015X68MA
MUTTER.38-16 FLANSCHARRETIERUN
19
BS93188E700
20
BS093078E701
21
BS093349MA
FUHRUNGSSCHRAUBE - ZINK
22
BS015X79MA
NUT.31-18 FLANGELOCK
23
BS094066MA
FUHRUNGSSCHRAUBE
24
BS056261
25
BS021651ZMA
PIPE CAP
26
BS26X253MA
SCREW-THREAD FORMING
27
BS093077MA
SPACER -ENGINE
Gestione della qualità
Aiutaci a migliorare il nostro sito. Informaci se trovi un errore.