.it
Benvenuti
Contatti
Spedizione
L’azienda
Guest book
Condizioni e Privacy
Catalogare
Tagliare, profilare
Componenti per motore
Officine meccaniche
Parti e componentistica per macchine varie
Forestali
Articoli elettrici
Articoli invernali
Cinghie trapezoidali e relative pulegge
Filters
PEZZI DI RICAMBIO
Sprocket Rims
Guide Bars
Chainsaw Chains
Search by Part Number
Diagrammi ed elenchi
Servizio
Determine Chain
Ricerca
Il mio account
Registrati
Log in
Settings
DE
EN
FR
ES
IT
Desktop
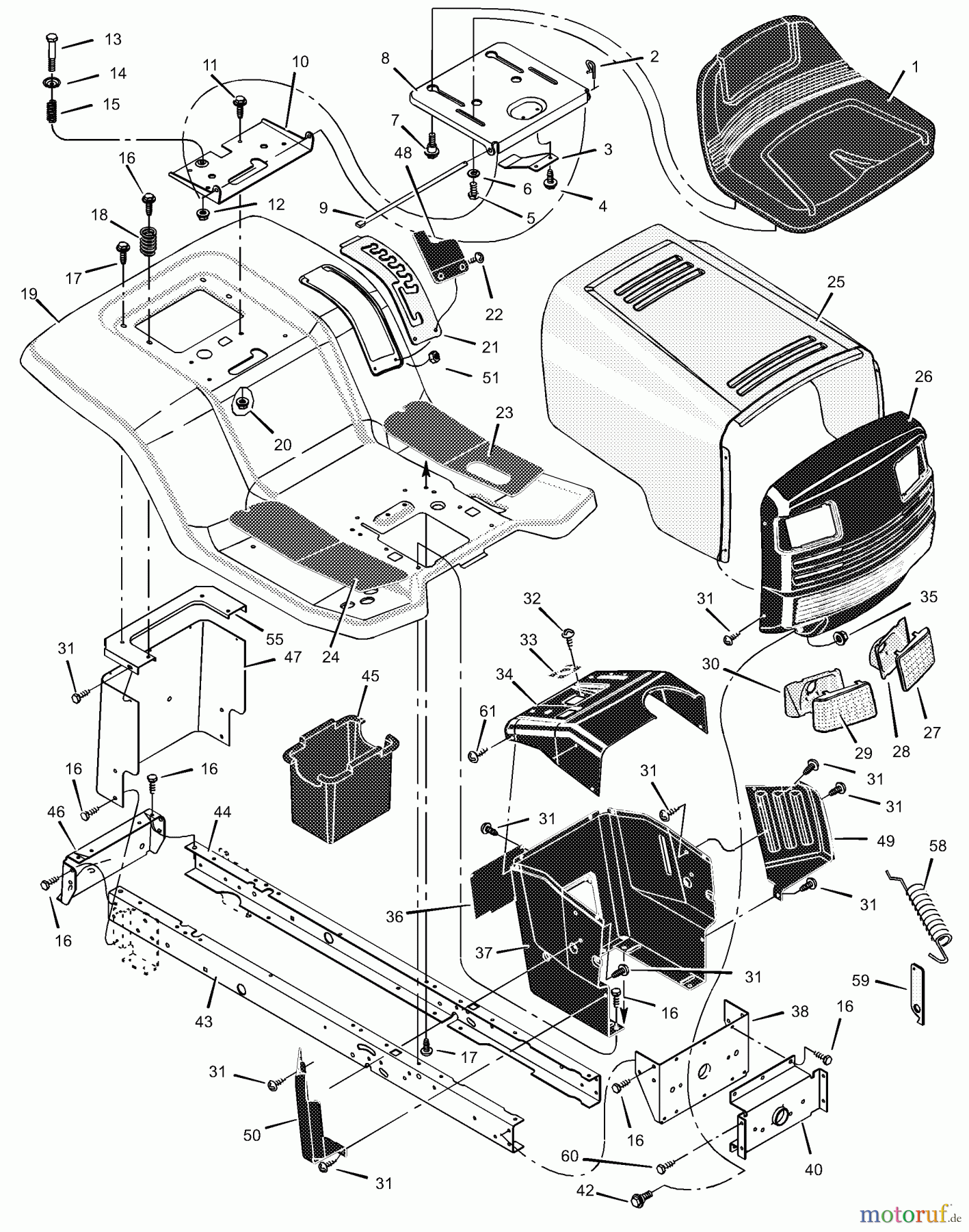
Murray 425614x92A - B&S/ 42" Lawn Tractor (2002) (Walmart) Chassis & Hood Ricambi
Start
Murray
Rasen- und Gartentraktoren
425614x92A - B&S/Murray 42" Lawn Tractor (2002) (Walmart)
Chassis & Hood
Chassis & Hood 425614x92A - B&S/Murray 42" Lawn Tractor (2002) (Walmart)
Posizione
Articolo numero
Descrizione
1
BS1001028MA
RUCKSITZ, HI - ISC
2
BS028X23MA
PUSH CAP.375
3
BS094057MA
BLATTFEDER
4
BS26X229MA
SCREW 1/4 14X.38 STHX
5
BS1001054MA
BOLT - WING
6
BS017X47MA
UNTERLEGSCHEIBE .34 .62
7
BS009X56MA
ANSATZBOLZEN.32-18X.375D
8
BS094154E701MA
SUPPORT, SEAT
9
BS094156ZMA
ROD - PIVOT
10
BS1001648E701MA
BRACKET - SEAT PIVOT
11
BS001X45MA
BOLT-HEX.31-18X0.62 Z
12
BS015X89MA
MUTTER 25-20FLANSCHARRETIERUNG
13
BS009X55MA
BOLT-SHD.25-20X.312D
14
BS094155ZMA
TOPFSCHEIBE
15
BS164X31MA
DRUCKFEDER
16
BS26X249MA
SCREW-.312-18X.75
17
BS26X263MA
SCREW.25-20 S-T
18
BS164X30MA
DRUCKFEDER
19
BS1001285E663
20
BS015X88MA
NUT,CENTERLOCK Z .3
21
BS094194E701MA
LIFT DETENT PLATE LG
22
BS009X47MA
BOLT-SHD.
23
BS904383
24
BS094382MA
MATTE RECHTS
25
BS094090E663
26
BS094087E700
27
BS094093MA
LENS TWIN LH
28
BS094089 Z
29
BS094092MA
LINSE - TWIN RECHTS
30
BS094088ZMA
REFLECTOR R.H.
31
BS26X250MA
SCREW-TAPPING 10-16
32
BS26X238MA
SCREW 1/4'' AB X.50
33
BS1001491MA
STEUERLAGER
34
BS094589E701MA
ARMATURENTAFEL W2 - CHOKEZUG
35
BS015X84MA
MUTTER, CENTERLOCK .38-
36
BS093007E701MA
PANEL-SIDE ACCESS
37
BS095318E717MA
DASH SUPPORT
38
BS1001270E701MA
BRKT - REAR HANGER
40
BS094007E701MA
AXLE, HANGER
42
BS009X58MA
ANSATZBOLZEN
43
BS1001268E701MA
RAHMENHOLM RECHTS
44
BS1001269E701MA
RAIL-FRAME LH
45
BS690424MA
BATTERY CONTAINER
46
BS1001002E701MA
PLATE-HITCH
47
BS690218E700MA
PLATTE-HINTEN
48
BS094680MA
ABDECKUNG/FESTSTELLVORRICHT.,
49
BS095218MA
SEITENPANEELE LINKS
50
BS095217MA
SEITENPANEELE RECHTS
51
BS015X81MA
NUT#10-24 MCLEANLOCK
55
BS094186E701MA
HECKBLECH OBEN
58
BS165X124MA
SPRING - EXTENSION
59
BS094830ZMA
BRACKET-HOOD SPRING
60
BS
Eingangswelle UE 600
61
BS26X201MA
SCREW Z/BL CHROMATE
--
BSF-020764L
Gestione della qualità
Aiutaci a migliorare il nostro sito. Informaci se trovi un errore.