Murray 425613x31A - Scotts 42" Lawn Tractor (2002) (Home Depot) Mower Housing Suspension Ricambi
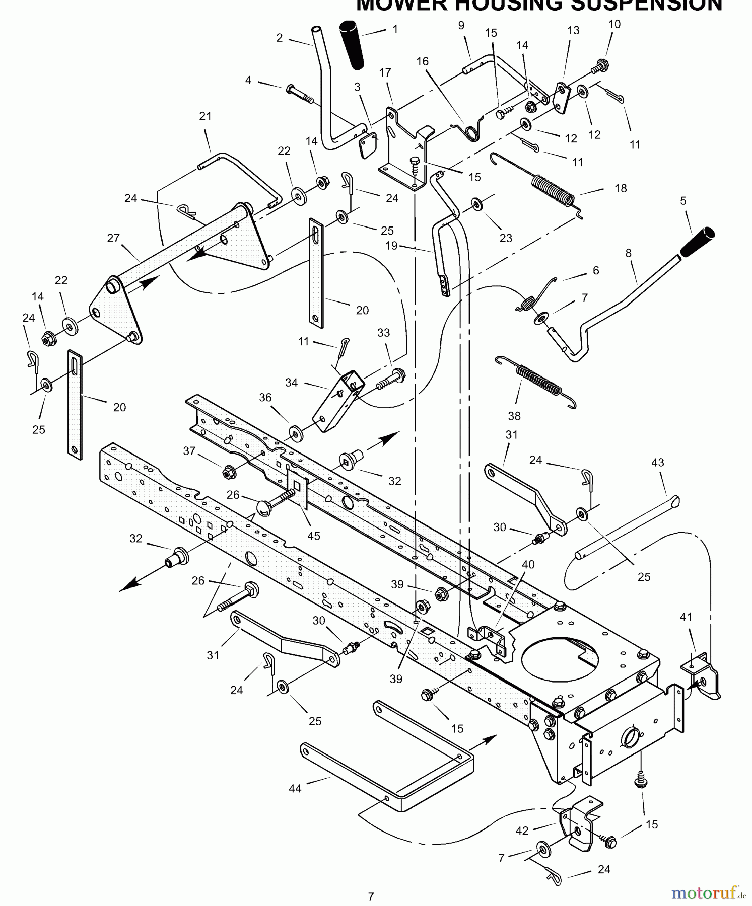
Mower Housing Suspension 425613x31A - Scotts 42" Lawn Tractor (2002) (Home Depot)



Gestione della qualità
Aiutaci a migliorare il nostro sito. Informaci se trovi un errore.

