.it
Benvenuti
Contatti
Spedizione
L’azienda
Guest book
Condizioni e Privacy
Catalogare
Tagliare, profilare
Componenti per motore
Officine meccaniche
Parti e componentistica per macchine varie
Forestali
Articoli elettrici
Articoli invernali
Cinghie trapezoidali e relative pulegge
Filters
PEZZI DI RICAMBIO
Sprocket Rims
Guide Bars
Chainsaw Chains
Search by Part Number
Diagrammi ed elenchi
Servizio
Determine Chain
Ricerca
Il mio account
Registrati
Log in
Settings
DE
EN
FR
ES
IT
Desktop
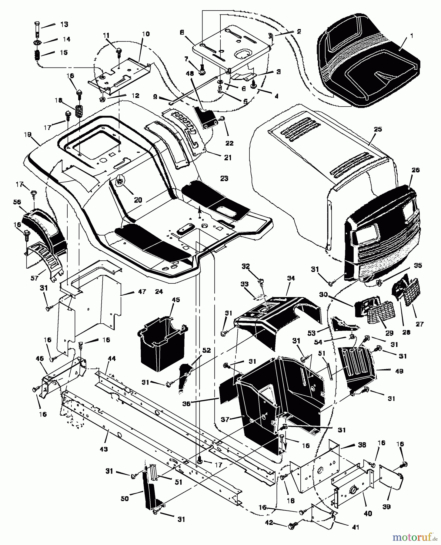
Murray 42534A - 42" Lawn Tractor (1997) Chassis & Hood Ricambi
Start
Murray
Rasen- und Gartentraktoren
42534A - Murray 42" Lawn Tractor (1997)
Chassis & Hood
Chassis & Hood 42534A - Murray 42" Lawn Tractor (1997)
Posizione
Articolo numero
Descrizione
1
BS690566MA
SEAT MID-BACK BLACK
2
BS028X23MA
PUSH CAP.375
3
BS094057MA
BLATTFEDER
4
BS26X229MA
SCREW 1/4 14X.38 STHX
5
BS1001054MA
BOLT - WING
6
BS17X472
7
BS009X56MA
ANSATZBOLZEN.32-18X.375D
8
BS094154E701MA
SUPPORT, SEAT
9
BS094156ZMA
ROD - PIVOT
10
BS1001648E701MA
BRACKET - SEAT PIVOT
11
BS001X45MA
BOLT-HEX.31-18X0.62 Z
12
BS015X89MA
MUTTER 25-20FLANSCHARRETIERUNG
13
BS009X55MA
BOLT-SHD.25-20X.312D
14
BS094155ZMA
TOPFSCHEIBE
15
BS164X31MA
DRUCKFEDER
16
BS26X249MA
SCREW-.312-18X.75
17
BS26X263MA
SCREW.25-20 S-T
18
BS164X30MA
DRUCKFEDER
19
BS094845F200
20
BS015X88MA
NUT,CENTERLOCK Z .3
21
BS094194E701MA
LIFT DETENT PLATE LG
22
BS009X47MA
BOLT-SHD.
23
BS094453
SCHRAUBE
24
BS094454
25
BS94090F200
26
BS094087E701MA
GRILL/GITTER (TWIN)
27
BS094093MA
LENS TWIN LH
28
BS094089 Z
29
BS094092MA
LINSE - TWIN RECHTS
30
BS094088ZMA
REFLECTOR R.H.
31
BS26X250MA
SCREW-TAPPING 10-16
32
BS26X238MA
SCREW 1/4'' AB X.50
33
BS1001491MA
STEUERLAGER
34
BS94589E701
35
BS015X84MA
MUTTER, CENTERLOCK .38-
36
BS093007E701MA
PANEL-SIDE ACCESS
37
BS94078E701
38
BS1001270E701MA
BRKT - REAR HANGER
39
BS094085E701MA
SUPPORT, GRILLE LH
40
BS094007E701MA
AXLE, HANGER
41
BS094084E701MA
GRILL/GITTERSTUTZE RECHTS
42
BS009X51MA
BOLT-SHD.38-16X.499D
43
BS94000E701
44
BS94001 E701
45
BS690424MA
BATTERY CONTAINER
46
BS94002E717MA
HITCH PLATE
47
BS94187E701
48
BS094680MA
ABDECKUNG/FESTSTELLVORRICHT.,
49
BS94095
50
BS94094
51
BS94098
52
BS094096
KURBELGEH.-STEHBOLZEN
53
BS094097
54
BS028X73
55
BS94186E701
56
BS094470
VERWEIS ZU
57
BS94476
BS44X7012
BS44X7013
BS44X2586
BSF-97732
BSF-97756
Gestione della qualità
Aiutaci a migliorare il nostro sito. Informaci se trovi un errore.