.it
Carrello
vuoto
Il mio account
Registrati
Log in
Benvenuti
Contatti
Spedizione
L’azienda
Guest book
Condizioni e Privacy
Catalogare
Tagliare, profilare
Componenti per motore
Officine meccaniche
Parti e componentistica per macchine varie
Forestali
Articoli elettrici
Articoli invernali
Cinghie trapezoidali e relative pulegge
Filters
PEZZI DI RICAMBIO
Sprocket Rims
Guide Bars
Chainsaw Chains
Search by Part Number
Diagrammi ed elenchi
Servizio
Determine Chain
Ricerca
DE
EN
FR
ES
IT
Versione mobile
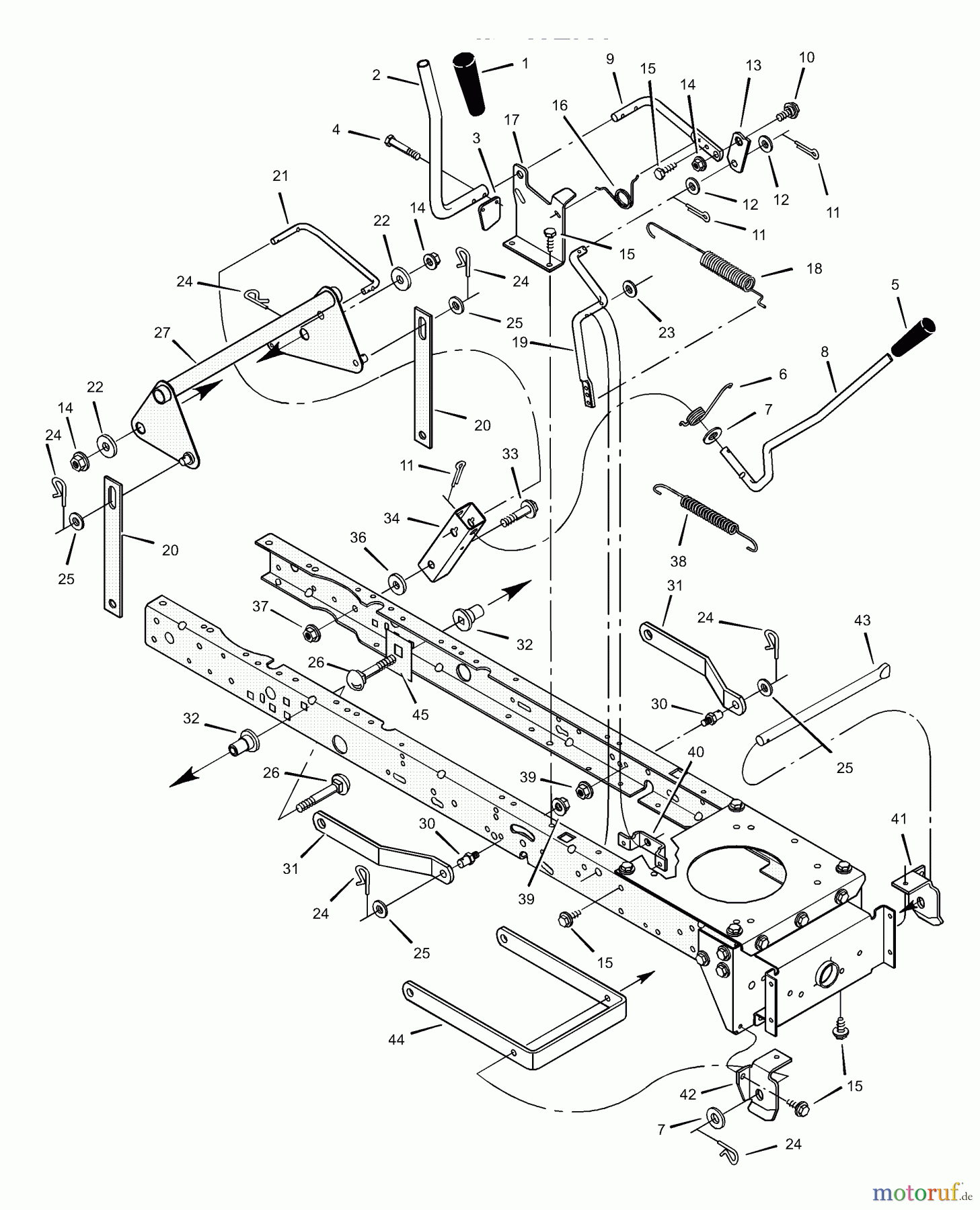
Murray 425008x31A - Scotts 42" Lawn Tractor (2002) (Home Depot) Mower Housing Suspension Ricambi
Start
Murray
Rasen- und Gartentraktoren
425008x31A - Scotts 42" Lawn Tractor (2002) (Home Depot)
Mower Housing Suspension
Mower Housing Suspension 425008x31A - Scotts 42" Lawn Tractor (2002) (Home Depot)
Posizione
Articolo numero
Descrizione
1
BS092698MA
GRIFF - .625 ID- SCHWARZ
2
BS094100ZMA
PTO HANDLE - LONG
3
BS094022ZMA
PADDLE-SWITCH
4
BS0025X3MA
SCHRAUBE-THD.FORM.HEX.
5
BS092697MA
GRIP - .50 ID - BLACK
6
BS166X40MA
TORSIONSFEDER LINKS
7
BS17X103MA
UNTERLEGSCHEIBE.53X1X.12 FLAT
8
BS690533MA
HANDLE, LIFT
9
BS094017ZMA
LEVER - PTO
10
BS009X39MA
ANSATZBOLZEN .38-16 X .
11
BS030X20MA
PIN-COTTER.09D-.750L
12
BS017X57MA
UNTERLEGSCHEIBE.47.72 16G FLT
13
BS094004ZMA
PTO LINK
14
BS015X84MA
MUTTER, CENTERLOCK .38-
15
BS26X249MA
SCREW-.312-18X.75
16
BS166X39MA
TORSIONSFEDER PTO
17
BS094018E701MA
HALTERUNG-PTO
18
BS165X119MA
ZUGFEDER
19
BS690394E701MA
CRANK, PTO
20
BS690212E701MA
LIFT LINK (LT)
21
BS690122E701MA
LIFT HANDLE LINK
22
BS17X168ZMA
UNTERLEGSCHEIBE.39-1.2-.11 FL
23
BS017X57MA
UNTERLEGSCHEIBE.47.72 16G FLT
24
BS0031X4MA
PIN, HAIR .56D - .09
25
BS017X91MA
WASHER,FLAT .54.81
26
BS002X85MA
BOLT-CRG.37-16X2.25
27
BS1001111E700MA
30
BS094067MA
ANSATZGEWINDESTIFT
31
BS094055E701MA
HALTER HECKAUFHANGUNG/HECKFEDE
32
BS690151MA
SPACER - LIFTER
33
BS009X53MA
BOLT,SHD .38-16X.565
34
BS094015E701MA
BRACKET-PIVOT
36
BS17X191MA
UNTERLEGSCHEIBE - VORNUT
37
BS015X84MA
MUTTER, CENTERLOCK .38-
38
BS165X131MA
ZUGFEDER LIFT - LT
39
BS015X68MA
MUTTER.38-16 FLANSCHARRETIERUN
40
BS094005E701MA
KULISSENBREMSE
41
BS094027E701MA
HANGER - DECK LH
42
BS094026E701MA
HANGER - DECK RH
43
BS094158ZMA
ROD - HANGAR
44
BS690539E701MA
BRKT-FRT SUSPENSION
45
BS1001098E700
Gestione della qualità
Aiutaci a migliorare il nostro sito. Informaci se trovi un errore.