.it
Carrello
vuoto
Il mio account
Registrati
Log in
Benvenuti
Contatti
Spedizione
L’azienda
Guest book
Condizioni e Privacy
Catalogare
Tagliare, profilare
Componenti per motore
Officine meccaniche
Parti e componentistica per macchine varie
Forestali
Articoli elettrici
Articoli invernali
Cinghie trapezoidali e relative pulegge
Filters
PEZZI DI RICAMBIO
Sprocket Rims
Guide Bars
Chainsaw Chains
Search by Part Number
Diagrammi ed elenchi
Servizio
Determine Chain
Ricerca
DE
EN
FR
ES
IT
Versione mobile
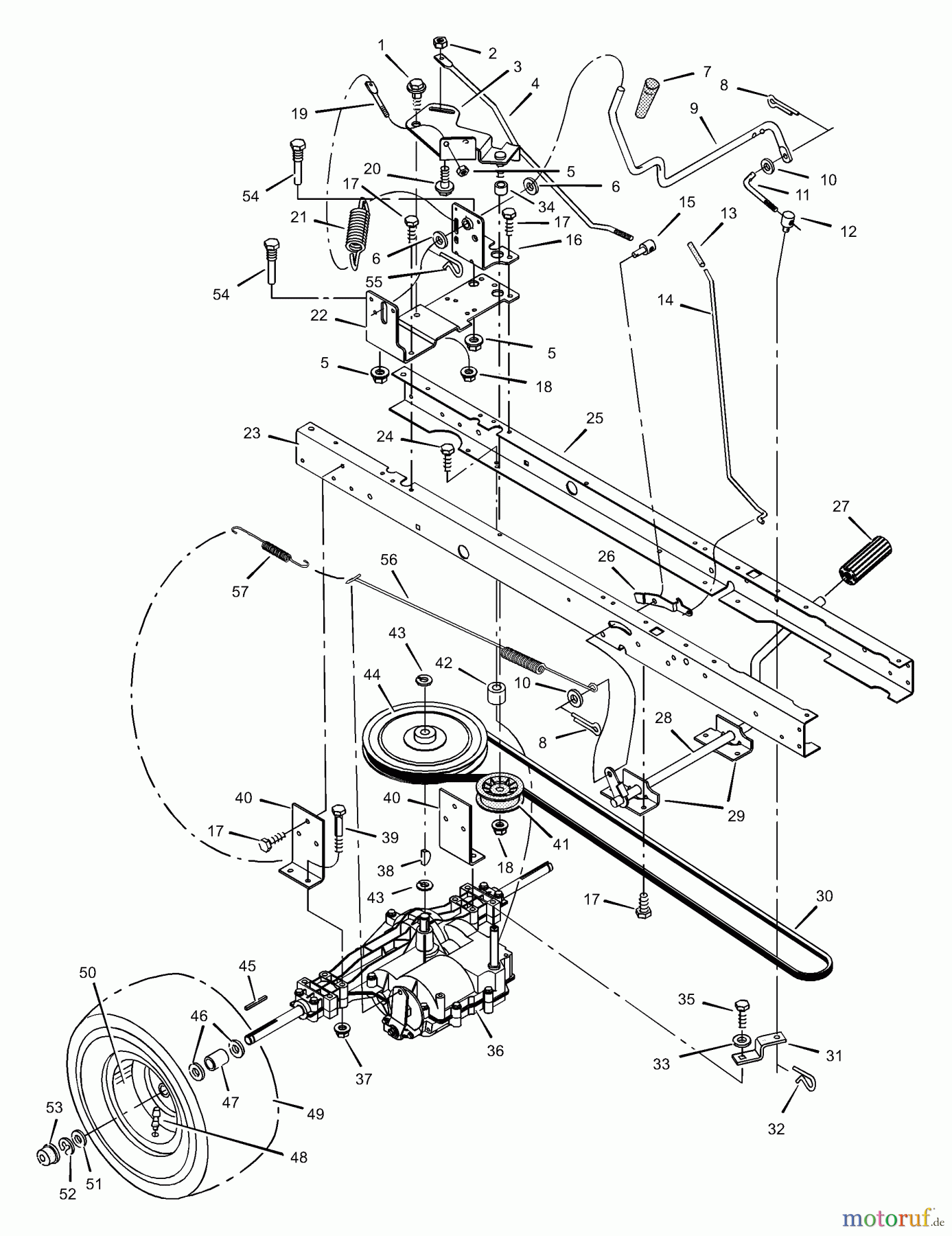
Murray 425003x31A - Scotts 42" Lawn Tractor (2001) (Home Depot) Motion Drive Ricambi
Start
Murray
Rasen- und Gartentraktoren
425003x31A - Scotts 42" Lawn Tractor (2001) (Home Depot)
Motion Drive
Motion Drive 425003x31A - Scotts 42" Lawn Tractor (2001) (Home Depot)
Posizione
Articolo numero
Descrizione
1
BS009X39MA
ANSATZBOLZEN .38-16 X .
2
BS015X89MA
MUTTER 25-20FLANSCHARRETIERUNG
3
BS690173ZMA
IDLER ARM ASSY (LT)
4
BS094041ZMA
ROD - CLUTCH
5
BS015X79MA
NUT.31-18 FLANGELOCK
6
BS17X102MA
UNTERLEGSCHEIBE-MAHER
7
BS092697MA
GRIP - .50 ID - BLACK
8
BS030X20MA
PIN-COTTER.09D-.750L
9
BS094043ZMA
LEVER - SHIFTER
10
BS017X47MA
UNTERLEGSCHEIBE .34 .62
11
BS094044ZMA
SPANNSTIFT
12
BS021920ZMA
JUSTIERMUTTER
13
BS091079MA
GRIP-BLACK .207 ID X
14
BS094152 Z
15
BS094815ZMA
NUT-ADJUSTING
16
BS094034E700MA
HALTER VERSTELLSTANGE
17
BS26X249MA
SCREW-.312-18X.75
18
BS015X84MA
MUTTER, CENTERLOCK .38-
19
BS094042ZMA
FEDERBOLZEN MTG.
20
BS009X54MA
BOLT-SHD.25-20X.375D
21
BS165X116MA
LEITZUGFEDER
22
BS690166E700MA
BRKT. SHIFT R.H.
23
BS1001124E700
24
BS333474MA
SCREW, 5/16-18X2.00
25
BS1001269E701MA
RAIL-FRAME LH
26
BS094045ZMA
SPERRRIEGEL-PARKBREMSE
27
BS021544MA
CLUTCH & BRAKE PEDAL
28
BS7400256ZMA
HEBEL, HALTER. KUPPLUNG
29
BS1001117E701MA
HALTER PEDALZAPFEN
30
BS037X87MA
BELT-V-MOTION DRIVE
31
BS094031ZMA
YOKE-SHIFT
32
BS0031X6MA
PIN, HAIR .38D - .0
33
BS17X148MA
UNTERLEGSCHEIBE.38 SQ 1. 16G F
34
BS690369MA
SPACER 1/2'' TO 17 MM
35
BS06X105MA
CAP SCREW 1/4-28 (AR
36
BS
Eingangswelle UE 600
37
BS015X88MA
NUT,CENTERLOCK Z .3
38
BS020697MA
WOODRUFF KEY #9
39
BS01X155MA
BOLT-HEX.31-18X2.50 P
40
BS094008E701MA
BRACKET - T/A
41
BS690409MA
IDLER PULLEY - 2.75 D
42
BS094132MA
SPACER - T/A
43
BS0011X7MA
SPRENGRING/SEEGERRING.625D.035
44
BS095094MA
PULLEY - LOW NOISE
45
BS021553MA
VIERKANTSCHLUSSEL- 3/16
46
BS17X160MA
WASHER.76-1.2 16G FL
47
BS690554ZMA
SPACER
48
BS024373MA
VENTIL STM&CP,TR41 SE
49
BS407926MA
TIRE 20X8.00TS SE
--
BS407049MA
INNER TUBE-18X9.5 SE
50
BS92511601
51
BS17X195MA
UNTERLEGSCHEIBE
52
BS0011X3MA
RING,E .750D .050T
53
BS094618MA
HUB CAP
54
BS093349MA
FUHRUNGSSCHRAUBE - ZINK
55
BS0031X4MA
PIN, HAIR .56D - .09
56
BS165X115MA
BREMSZUGFEDER
57
BS165X92MA
SPRING-EXTENSION
Gestione della qualità
Aiutaci a migliorare il nostro sito. Informaci se trovi un errore.