.it
Carrello
vuoto
Il mio account
Registrati
Log in
Benvenuti
Contatti
Spedizione
L’azienda
Guest book
Condizioni e Privacy
Catalogare
Tagliare, profilare
Componenti per motore
Officine meccaniche
Parti e componentistica per macchine varie
Forestali
Articoli elettrici
Articoli invernali
Cinghie trapezoidali e relative pulegge
Filters
PEZZI DI RICAMBIO
Sprocket Rims
Guide Bars
Chainsaw Chains
Search by Part Number
Diagrammi ed elenchi
Servizio
Determine Chain
Ricerca
DE
EN
FR
ES
IT
Versione mobile
Murray 405601x30A - 40" Lawn Tractor (2003) Chassis & Hood Ricambi
Start
Murray
Rasen- und Gartentraktoren
405601x30A - Murray 40" Lawn Tractor (2003)
Chassis & Hood
Chassis & Hood 405601x30A - Murray 40" Lawn Tractor (2003)
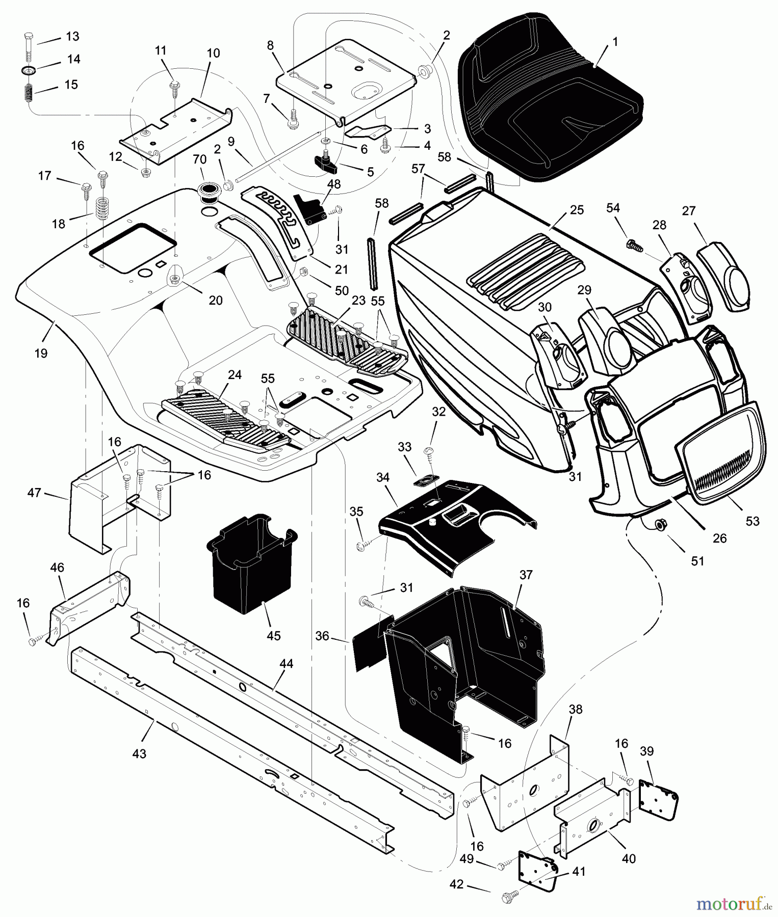
Posizione
Articolo numero
Descrizione
1
BS690566MA
SEAT MID-BACK BLACK
2
BS028X23MA
PUSH CAP.375
3
BS094057MA
BLATTFEDER
4
BS26X229MA
SCREW 1/4 14X.38 STHX
5
BS1001054MA
BOLT - WING
6
BS017X47MA
UNTERLEGSCHEIBE .34 .62
7
BS009X56MA
ANSATZBOLZEN.32-18X.375D
8
BS094154E701MA
SUPPORT, SEAT
9
BS094156ZMA
ROD - PIVOT
10
BS1001648E701MA
BRACKET - SEAT PIVOT
11
BS001X45MA
BOLT-HEX.31-18X0.62 Z
12
BS015X89MA
MUTTER 25-20FLANSCHARRETIERUNG
13
BS009X55MA
BOLT-SHD.25-20X.312D
14
BS094155ZMA
TOPFSCHEIBE
15
BS164X31MA
DRUCKFEDER
16
BS26X249MA
SCREW-.312-18X.75
17
BS26X263MA
SCREW.25-20 S-T
18
BS164X30MA
DRUCKFEDER
19
BS1001559E245MA
DECK, SITZ
20
BS15X123MA
MUTTER.31-18 NYLOCK ZINK
21
BS094151E701MA
LIFT - DETENT PLATE
22
BS009X47MA
BOLT-SHD.
23
BS1001583MA
FORMMATTE / HALFTE LINKS (SSD)
24
BS1001580MA
FORMMATTE HALFTE RECHTS (STD)
25
BS1001536E701MA
FORMMATTE -X1
26
BS1001531E701MA
GRILL/GITTER - X1
27
BS1001546MA
PLASTIKABDECKUNG-X1-LINKS
28
BS1001548MA
SCHEINWERFER ASSY X1 - LINKS
29
BS1001545MA
PLASTIC COVER - X1 -
30
BS1001547MA
HEADLAMP ASSY X1 - R.
31
BS009X47MA
BOLT-SHD.
32
BS26X238MA
SCREW 1/4'' AB X.50
33
BS1001491MA
STEUERLAGER
34
BS1001584E701MA
ARMATURENBRETT - EINZEL
35
BS26X201MA
SCREW Z/BL CHROMATE
36
BS093007E701MA
PANEL-SIDE ACCESS
37
BS095318E717MA
DASH SUPPORT
38
BS1001270E701MA
BRKT - REAR HANGER
39
BS094085E701MA
SUPPORT, GRILLE LH
40
BS094007E701MA
AXLE, HANGER
41
BS094084E701MA
GRILL/GITTERSTUTZE RECHTS
42
BS009X58MA
ANSATZBOLZEN
43
BS1001268E700
44
BS1001269E701MA
RAIL-FRAME LH
45
BS690424MA
BATTERY CONTAINER
46
BS1001002E700
47
BS690434E701MA
PANEL - REAR
48
BS094610MA
COVER-LIFT DETENT
49
BS26X277MA
SCREW-5/16-18X.50
50
BS015X81MA
NUT#10-24 MCLEANLOCK
51
BS15X124MA
MUTTER
53
BS1001541MA
GRILLE INSERT-HEX-BLA
54
BS26X259MA
SCHRAUBE-#10X.5 AB W/WAS
55
BS311087MA
CLIP - GRAY
57
BS1001652MA
ZIERLEISTE-SCHWARZ - 3.75
58
BS1001653MA
ZIERLEISTE-SCHWARZ - 6.5
70
BS1001542MA
GETRANKEHALTER
--
BSF-030765L
Gestione della qualità
Aiutaci a migliorare il nostro sito. Informaci se trovi un errore.