.it
Carrello
vuoto
Il mio account
Registrati
Log in
Benvenuti
Contatti
Spedizione
L’azienda
Guest book
Condizioni e Privacy
Catalogare
Tagliare, profilare
Componenti per motore
Officine meccaniche
Parti e componentistica per macchine varie
Forestali
Articoli elettrici
Articoli invernali
Cinghie trapezoidali e relative pulegge
Filters
PEZZI DI RICAMBIO
Sprocket Rims
Guide Bars
Chainsaw Chains
Search by Part Number
Diagrammi ed elenchi
Servizio
Determine Chain
Ricerca
DE
EN
FR
ES
IT
Versione mobile
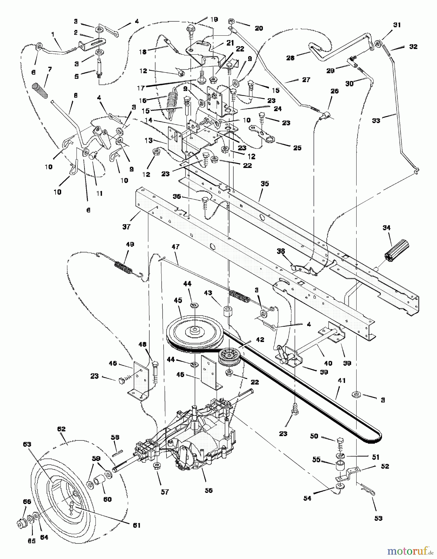
Murray 40538A - 40" Lawn Tractor (1997) Motion Drive Ricambi
Start
Murray
Rasen- und Gartentraktoren
40538A - Murray 40" Lawn Tractor (1997)
Motion Drive
Motion Drive 40538A - Murray 40" Lawn Tractor (1997)
Posizione
Articolo numero
Descrizione
1
BS094166 Z
2
BS094183 Z
3
BS710083MA
UNTERLEGSCHEIBE FLACH
4
BS030X20MA
PIN-COTTER.09D-.750L
5
BS094146
VERWEIS-NR. 094657
6
BS017X47MA
UNTERLEGSCHEIBE .34 .62
7
BS094198MA
GRIP-SHIFT LEVER-.437
8
BS094170 Z
9
BS17X102MA
UNTERLEGSCHEIBE-MAHER
10
BS0031X4MA
PIN, HAIR .56D - .09
11
BS094147MA
SWIVEL (SOG)
12
BS015X79MA
NUT.31-18 FLANGELOCK
13
BS94033E701
14
BS94164E701
15
BS093349MA
FUHRUNGSSCHRAUBE - ZINK
16
BS165X116MA
LEITZUGFEDER
17
BS009X54MA
BOLT-SHD.25-20X.375D
18
BS94042
19
BS009X39MA
ANSATZBOLZEN .38-16 X .
20
BS015X89MA
MUTTER 25-20FLANSCHARRETIERUNG
21
BS094040 Z
22
BS015X84MA
MUTTER, CENTERLOCK .38-
23
BS26X249MA
SCREW-.312-18X.75
24
BS94034E701
25
BS94032E701
26
BS094815ZMA
NUT-ADJUSTING
27
BS094041ZMA
ROD - CLUTCH
28
BS094167 Z
29
BS021031MA
STEUERUNG KUGELGELENK
30
BS094172 Z
31
BS015X87ZMA
NUT.38-24 CENTERLOCK
32
BS092724
33
BS094152 Z
34
BS021544MA
CLUTCH & BRAKE PEDAL
35
BS94001E701
36
BS333474MA
SCREW, 5/16-18X2.00
37
BS94000E701
38
BS094045ZMA
SPERRRIEGEL-PARKBREMSE
39
BS1001117E701MA
HALTER PEDALZAPFEN
40
BS94038E701
41
BS037X87MA
BELT-V-MOTION DRIVE
42
BS091179MA
IDLER PULLEY-B'SIDE
43
BS094132MA
SPACER - T/A
44
BS0011X7MA
SPRENGRING/SEEGERRING.625D.035
45
BS091807
46
BS094008E701MA
BRACKET - T/A
47
BS165X115MA
BREMSZUGFEDER
48
BS01X155MA
BOLT-HEX.31-18X2.50 P
49
BS165X92MA
SPRING-EXTENSION
50
BS01X145MA
BOLT,HEX.25-28X0.75 Z
51
BS018X32MA
WASHER.25.48X.07 SPLI
52
BS094031ZMA
YOKE-SHIFT
53
BS0031X6MA
PIN, HAIR .38D - .0
54
BS17X148MA
UNTERLEGSCHEIBE.38 SQ 1. 16G F
55
BS091889MA
FUHRUNGSZAPFEN
56
BS
Eingangswelle UE 600
57
BS015X88MA
NUT,CENTERLOCK Z .3
58
BS021553MA
VIERKANTSCHLUSSEL- 3/16
59
BS17X160MA
WASHER.76-1.2 16G FL
60
BS690553ZMA
SPACER
61
BS024373MA
VENTIL STM&CP,TR41 SE
62
BS091414
--
BS407049MA
INNER TUBE-18X9.5 SE
63
BS092289601MA
18X9.50 RAD MONTAGE II
64
BS17X195MA
UNTERLEGSCHEIBE
65
BS0011X3MA
RING,E .750D .050T
66
BS094618MA
HUB CAP
Gestione della qualità
Aiutaci a migliorare il nostro sito. Informaci se trovi un errore.