.it
Carrello
vuoto
Il mio account
Registrati
Log in
Benvenuti
Contatti
Spedizione
L’azienda
Guest book
Condizioni e Privacy
Catalogare
Tagliare, profilare
Componenti per motore
Officine meccaniche
Parti e componentistica per macchine varie
Forestali
Articoli elettrici
Articoli invernali
Cinghie trapezoidali e relative pulegge
Filters
PEZZI DI RICAMBIO
Sprocket Rims
Guide Bars
Chainsaw Chains
Search by Part Number
Diagrammi ed elenchi
Servizio
Determine Chain
Ricerca
DE
EN
FR
ES
IT
Versione mobile
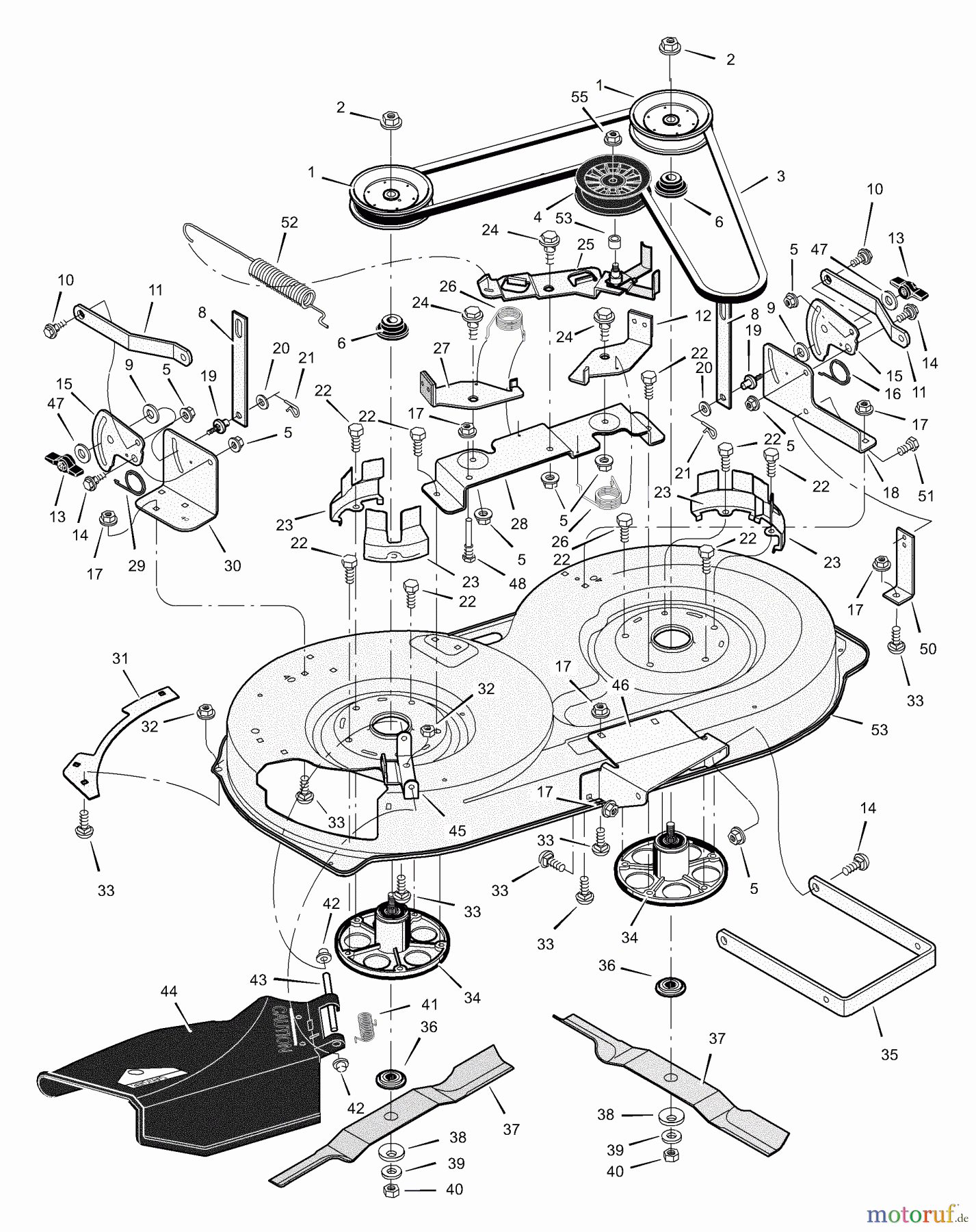
Murray 40508x92G - B&S/ 40" Lawn Tractor (2003) (Walmart) Mower Housing Ricambi
Start
Murray
Rasen- und Gartentraktoren
40508x92G - B&S/Murray 40" Lawn Tractor (2003) (Walmart)
Mower Housing
Mower Housing 40508x92G - B&S/Murray 40" Lawn Tractor (2003) (Walmart)
Posizione
Articolo numero
Descrizione
1
BS092851MA
RIEMENSCHEIBE-BLINDWELLE 40
2
BS15X140MA
MUTTER.56-18 RIEMENSCHEIBE ZIN
3
BS037X62MA
BELT-85.94 WEDGE
4
BS690387MA
PULLEY - BACKSIDE IDL
5
BS015X84MA
MUTTER, CENTERLOCK .38-
6
BS1001197MA
DISTANZSTUCK, RIEMENSCHEIBE
8
BS690212E701MA
LIFT LINK (LT)
9
BS094137MA
FRICTION PAD
10
BS009X52MA
ANSATZBOLZEN .38-16X.600D
11
BS094055E701MA
HALTER HECKAUFHANGUNG/HECKFEDE
12
BS094049E701MA
BREMSARM & BELAG LINKS
13
BS094068MA
KNOB
14
BS009X51MA
BOLT-SHD.38-16X.499D
15
BS094128E701MA
SUSPENSION PLATE
16
BS166X43MA
TORSIONSFEDER LINKS
17
BS015X79MA
NUT.31-18 FLANGELOCK
18
BS094143E701MA
HALTER, GRUNDTRAGER LH 40
19
BS776060MA
NUT, 3/8-16
20
BS017X91MA
WASHER,FLAT .54.81
21
BS0031X4MA
PIN, HAIR .56D - .09
22
BS0025X7MA
MOTORBOLZEN 3/8 X 1.25
23
BS094051E701MA
RIEMENSCHEIBENABDECKUNG SEGMEN
24
BS009X39MA
ANSATZBOLZEN .38-16 X .
25
BS690408E701MA
IDLER ARM ASSY
26
BS166X41MA
SPRING TORSION BRKE
27
BS094047E701MA
BREMSBELAG & ARM RECHTS
28
BS094145E700MA
BRACKET - BRAKE MTG 4
29
BS166X42MA
TORSIONSFEDER RECHTS
30
BS094142E700
31
BS091770E701MA
BLECH
32
BS015X88MA
NUT,CENTERLOCK Z .3
33
BS002X53MA
BOLT,CRG .31-18 X 0.
34
BS1001200MA
BLINDWELLE GEHAUSE ASSY
35
BS690539E701MA
BRKT-FRT SUSPENSION
36
BS690411MA
ADAPTER - BLADE
37
BS095103E701MA
SINGLE BLADE - 095103
38
BS17X166MA
WASHER.62-1.7 11G - B
39
BS17X165MA
UNTERLEGSCHEIBE.62-1.0-.18 FL
40
BS15X100MA
MUTTER.56-18 REG UNF Z-Y
41
BS0166X4MA
SPRING-TORSION
42
BS028X23MA
PUSH CAP.375
43
BS094957ZMA
ROD -DEFLECTOR
44
BS094707MA
DEFLECTOR ASSY - CHUT
45
BS094956E701MA
SCHARNIER-/GELENKHALTERUNG
46
BS094144E700
47
BS017X45MA
WASHER,FLAT .33 1. 16
48
BS094781MA
SCREW GUIDE
50
BS094681E701MA
HALTEWINKEL
51
BS26X249MA
SCREW-.312-18X.75
52
BS165X119MA
ZUGFEDER
53
BS690369MA
SPACER 1/2'' TO 17 MM
54
BS094141E701MA
40" BLD HSNG ASSY
55
BS015X98MA
MUTTER.38-16 FLANSCHARRETIERUN
Gestione della qualità
Aiutaci a migliorare il nostro sito. Informaci se trovi un errore.