.it
Carrello
vuoto
Il mio account
Registrati
Log in
Benvenuti
Contatti
Spedizione
L’azienda
Guest book
Condizioni e Privacy
Catalogare
Tagliare, profilare
Componenti per motore
Officine meccaniche
Parti e componentistica per macchine varie
Forestali
Articoli elettrici
Articoli invernali
Cinghie trapezoidali e relative pulegge
Filters
PEZZI DI RICAMBIO
Sprocket Rims
Guide Bars
Chainsaw Chains
Search by Part Number
Diagrammi ed elenchi
Servizio
Determine Chain
Ricerca
DE
EN
FR
ES
IT
Versione mobile
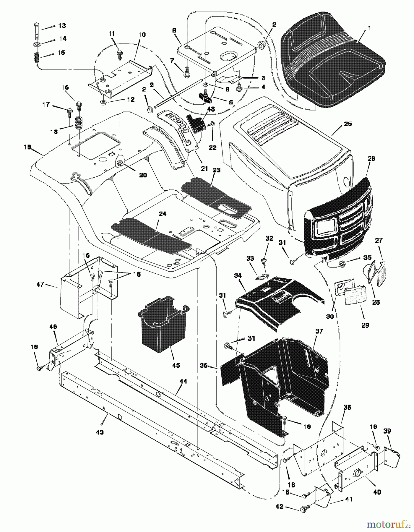
Murray 40501x30A - 40" Lawn Tractor (1997) Chassis & Hood Ricambi
Start
Murray
Rasen- und Gartentraktoren
40501x30A - Murray 40" Lawn Tractor (1997)
Chassis & Hood
Chassis & Hood 40501x30A - Murray 40" Lawn Tractor (1997)
Posizione
Articolo numero
Descrizione
1
BS690566MA
SEAT MID-BACK BLACK
2
BS028X23MA
PUSH CAP.375
3
BS094057MA
BLATTFEDER
4
BS26X229MA
SCREW 1/4 14X.38 STHX
5
BS1001054MA
BOLT - WING
6
BS017X47MA
UNTERLEGSCHEIBE .34 .62
7
BS009X56MA
ANSATZBOLZEN.32-18X.375D
8
BS94154F200
9
BS094156ZMA
ROD - PIVOT
10
BS94153F200
11
BS001X45MA
BOLT-HEX.31-18X0.62 Z
12
BS015X89MA
MUTTER 25-20FLANSCHARRETIERUNG
13
BS009X55MA
BOLT-SHD.25-20X.312D
14
BS094155ZMA
TOPFSCHEIBE
15
BS164X31MA
DRUCKFEDER
16
BS26X249MA
SCREW-.312-18X.75
17
BS26X263MA
SCREW.25-20 S-T
18
BS164X30MA
DRUCKFEDER
19
BS94142F200
20
BS015X88MA
NUT,CENTERLOCK Z .3
21
BS094151E701MA
LIFT - DETENT PLATE
22
BS009X47MA
BOLT-SHD.
23
BS094149
24
BS094148
25
BS094072F200
26
BS094079E701MA
GRILLE-SINGLE
27
BS094081MA
LINSE LINKS
28
BS094077 Z
29
BS094080MA
LINSE RECHTS
30
BS094076 Z
31
BS26X250MA
SCREW-TAPPING 10-16
32
BS26X238MA
SCREW 1/4'' AB X.50
33
BS1001491MA
STEUERLAGER
34
BS94074
35
BS015X84MA
MUTTER, CENTERLOCK .38-
36
BS93007F200
37
BS94078E701
38
BS1001270E701MA
BRKT - REAR HANGER
39
BS94083E701
40
BS094007E701MA
AXLE, HANGER
41
BS94082E701
42
BS009X51MA
BOLT-SHD.38-16X.499D
43
BS94000E701
44
BS94001E701
45
BS690424MA
BATTERY CONTAINER
46
BS94002F200
47
BS94023-821
48
BS094610MA
COVER-LIFT DETENT
--
BS44X7052
--
BS44X7053
--
BS44X1947
--
BSF-97823
--
BSF-97824
Gestione della qualità
Aiutaci a migliorare il nostro sito. Informaci se trovi un errore.