.it
Carrello
vuoto
Il mio account
Registrati
Log in
Benvenuti
Contatti
Spedizione
L’azienda
Guest book
Condizioni e Privacy
Catalogare
Tagliare, profilare
Componenti per motore
Officine meccaniche
Parti e componentistica per macchine varie
Forestali
Articoli elettrici
Articoli invernali
Cinghie trapezoidali e relative pulegge
Filters
PEZZI DI RICAMBIO
Sprocket Rims
Guide Bars
Chainsaw Chains
Search by Part Number
Diagrammi ed elenchi
Servizio
Determine Chain
Ricerca
DE
EN
FR
ES
IT
Versione mobile
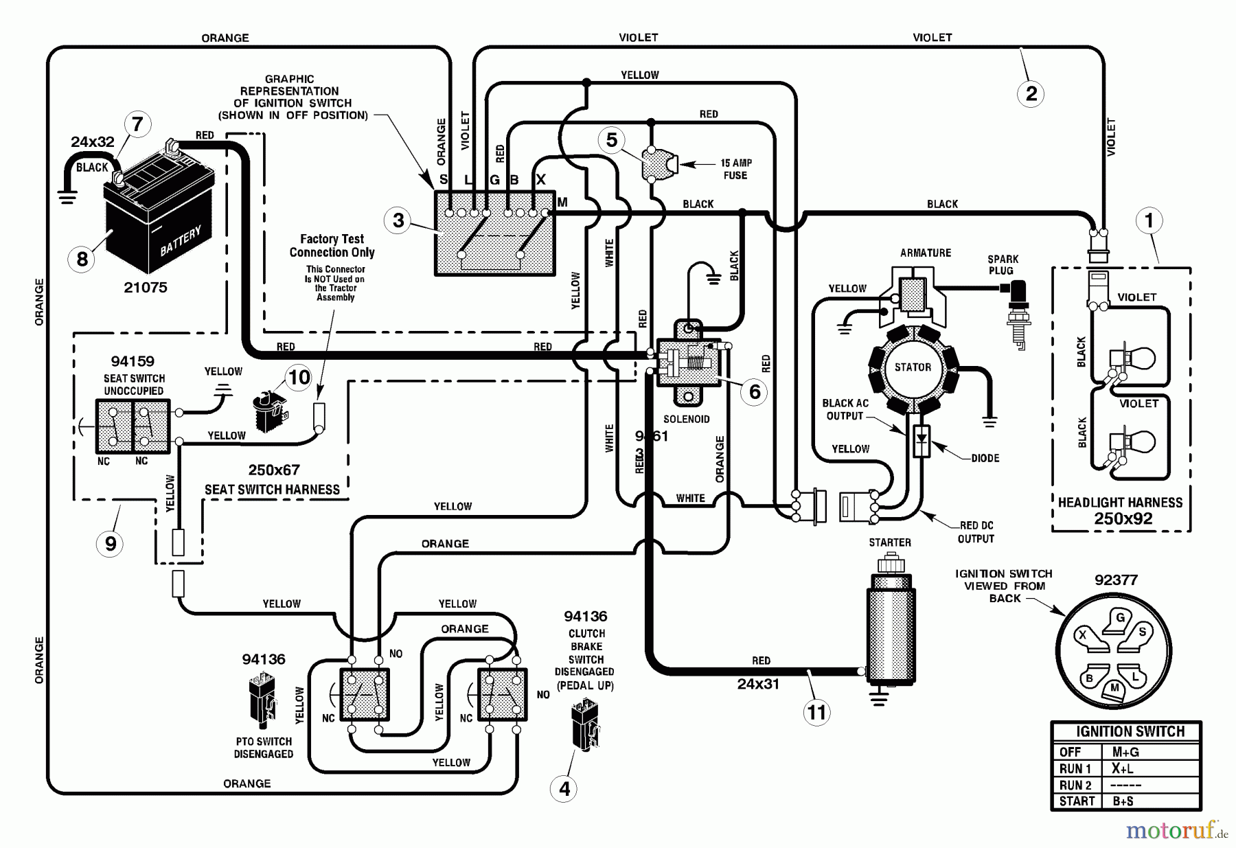
Murray 405005x99C - B&S/ 40" Lawn Tractor (2004) (AAFES) Electrical System Ricambi
Start
Murray
Rasen- und Gartentraktoren
405005x99C - B&S/Murray 40" Lawn Tractor (2004) (AAFES)
Electrical System
Electrical System 405005x99C - B&S/Murray 40" Lawn Tractor (2004) (AAFES)
Posizione
Articolo numero
Descrizione
1
BS250X92MA
KABELBAUM - SCHEINWERFER
--
BS1001716MA
LAMP SOCKET
--
BS090084MA
GLUHBIRNE 1156
2
BS250X116MA
WIRING HARNESS
3
BS092377MA
SWITCH -KEY
--
BS420729MA
SCHLUSSEL-2 EA.
--
BS091489MA
MUTTER-ZUNDSCHALTER/ZUNDSCHLOS
--
BS091488MA
CAP, IGNITION SWITCH
4
BS094136MA
GRENZSCHALTER
5
BS302031MA
FUSE SPADE TYPE 32V 1
--
BS407078MA
FUSE HOLDER,AUTO SE
6
BS7701100MA
MAGNETSCHALTER
--
BS26X229MA
SCREW 1/4 14X.38 STHX
--
BS15X116MA
MUTTER.25-20 HEX NYLOCK
7
BS024X32MA
BATTERIEKABEL 8 ANZEIGE
8
BS021075
--
BS002X82MA
SCHLOSSSCHRAUBE .25-20X
--
BS014X79MA
NUT.25-20 WINGNUT
9
BS250X67MA
HARNESS-WIRING
10
BS094159MA
SITZSCHALTER
11
BS024X31MA
BATTERIEKABEL 8GA R
Gestione della qualità
Aiutaci a migliorare il nostro sito. Informaci se trovi un errore.