.it
Carrello
vuoto
Il mio account
Registrati
Log in
Benvenuti
Contatti
Spedizione
L’azienda
Guest book
Condizioni e Privacy
Catalogare
Tagliare, profilare
Componenti per motore
Officine meccaniche
Parti e componentistica per macchine varie
Forestali
Articoli elettrici
Articoli invernali
Cinghie trapezoidali e relative pulegge
Filters
PEZZI DI RICAMBIO
Sprocket Rims
Guide Bars
Chainsaw Chains
Search by Part Number
Diagrammi ed elenchi
Servizio
Determine Chain
Ricerca
DE
EN
FR
ES
IT
Versione mobile
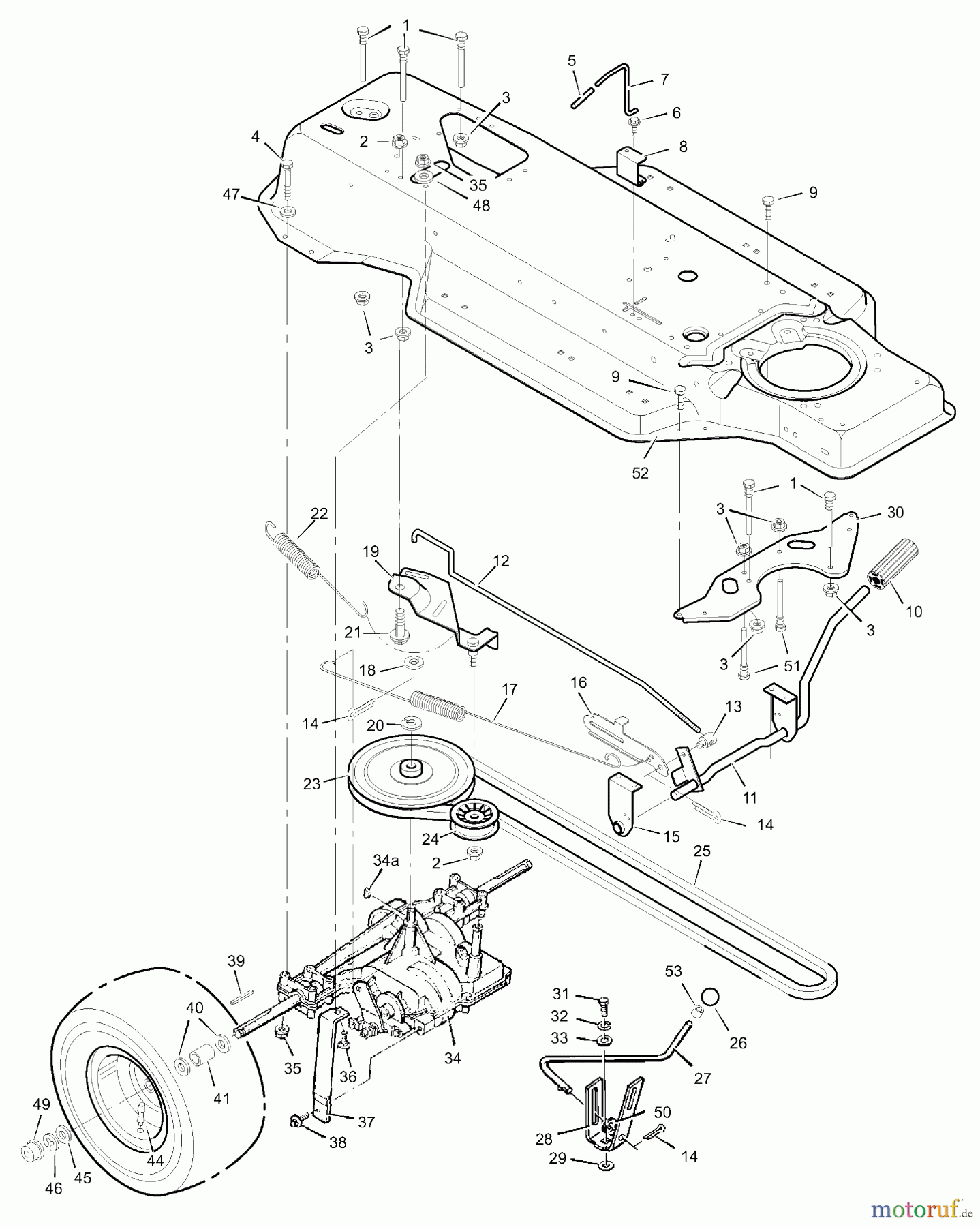
Murray 38715A - 38" Lawn Tractor (1999) Motion Drive Ricambi
Start
Murray
Rasen- und Gartentraktoren
38715A - Murray 38" Lawn Tractor (1999)
Motion Drive
Motion Drive 38715A - Murray 38" Lawn Tractor (1999)
Posizione
Articolo numero
Descrizione
1
BS091754MA
SCREW,GUIDE 5/16-18 Z
2
BS015X84MA
MUTTER, CENTERLOCK .38-
3
BS015X79MA
NUT.31-18 FLANGELOCK
4
BS01X124
5
BS091079MA
GRIP-BLACK .207 ID X
6
BS26X214MA
SCREW HEXHEAD TAP.
7
BS91727E700
8
BS91825E700
9
BS26X249MA
SCREW-.312-18X.75
10
BS021544MA
CLUTCH & BRAKE PEDAL
11
BS091862E700
12
BS091808 Z
13
BS021920ZMA
JUSTIERMUTTER
14
BS030X20MA
PIN-COTTER.09D-.750L
15
BS091713E701MA
BREMSPEDAL
16
BS091712ZMA
RIEGEL, PARKBREMSE
17
BS165X82MA
SPRING-EXTENSION
18
BS017X47MA
UNTERLEGSCHEIBE .34 .62
19
BS092737ZMA
LEITROLLE HALTERUNG. ASSY
20
BS0011X7MA
SPRENGRING/SEEGERRING.625D.035
21
BS009X39MA
ANSATZBOLZEN .38-16 X .
22
BS165X76SEMA
ZUGFEDER
23
BS095094MA
PULLEY - LOW NOISE
24
BS091179MA
IDLER PULLEY-B'SIDE
25
BS037X61MA
BELT-V-LT MOTION DR
26
BS091995SEMA
KNOPF ASSY
27
BS091805ZMA
VERSTELLARM
28
BS091806 Z
29
BS17X148MA
UNTERLEGSCHEIBE.38 SQ 1. 16G F
30
BS92694E700
31
BS01X145MA
BOLT,HEX.25-28X0.75 Z
32
BS018X32MA
WASHER.25.48X.07 SPLI
33
BS17X180MA
WASHER,ZINC
34
BS
Eingangswelle UE 600
34A
BS020697MA
WOODRUFF KEY #9
35
BS015X88MA
NUT,CENTERLOCK Z .3
36
BS002X64MA
BOLT-CRG.31-18X0.75
37
BS091804E700
38
BS26X216MA
SCREW-THREAD FORMING
39
BS021553MA
VIERKANTSCHLUSSEL- 3/16
40
BS17X160MA
WASHER.76-1.2 16G FL
41
BS690553ZMA
SPACER
42
BS091923MA
REIFEN,18X8.5-8 RASEN SE
--
BS407049MA
INNER TUBE-18X9.5 SE
43
BS092288601MA
18X8.50 WHL ASSY II
44
BS024373MA
VENTIL STM&CP,TR41 SE
45
BS17X195MA
UNTERLEGSCHEIBE
46
BS0011X3MA
RING,E .750D .050T
47
BS017X37MA
WASHER,FLAT .26.62
48
BS017X45MA
WASHER,FLAT .33 1. 16
49
BS094618MA
HUB CAP
50
BS17X102MA
UNTERLEGSCHEIBE-MAHER
51
BS020619MA
FUHRUNGSSCHRAUBE
52
BS92815E276
53
BS092008MA
AUSGLEICHRING
Gestione della qualità
Aiutaci a migliorare il nostro sito. Informaci se trovi un errore.