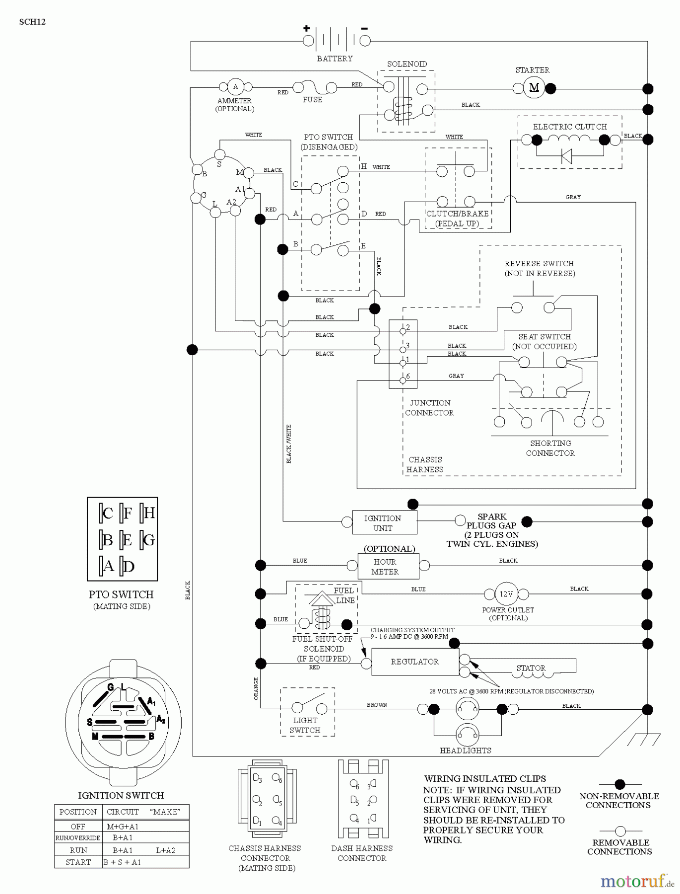
Jonsered LT2218 A (96041010504) - Lawn & Garden Tractor (2011-04) SCHEMATIC Ricambi
SCHEMATIC LT2218 A (96041010504) - Jonsered Lawn & Garden Tractor (2011-04)



Gestione della qualità
Aiutaci a migliorare il nostro sito. Informaci se trovi un errore.

