Jonsered HT2126 PRO TWIST - Hedge Trimmer (2000-03) CUTTING EQUIPMENT Ricambi
CUTTING EQUIPMENT HT2126 PRO TWIST - Jonsered Hedge Trimmer (2000-03)

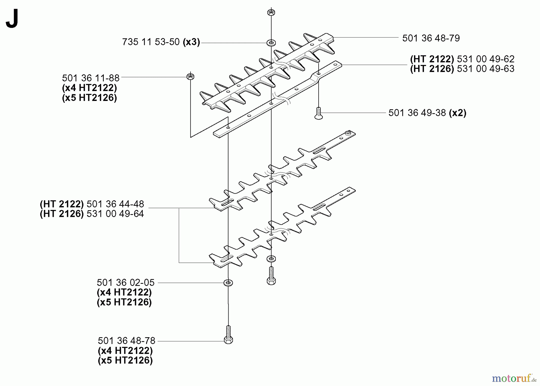
| Posizione | Articolo numero | Descrizione | |
| 7351153-50 | 735 11 53-50 | SCHEIBE | |
| 5013611-88 | 537 18 47-01 | MUTTER M6 | |
| 5013644-48 | 501 36 44-48 | BLADE | |
| 5310049-64 | 531 00 49-64 | MESSER | |
| 5013602-05 | 501 36 02-05 | SCHEIBE | |
| 5013648-78 | 537 18 45-01 | SCHRAUBE M6 | |
| 5013649-38 | 501 36 49-38 | SCHRAUBE | |
| 5310049-63 | 531 00 49-63 | MESSERFUEHRUNG | |
| 5310049-62 | 531 00 49-62 | MESSERFUEHRUNG | |
| 5013648-79 | 501 36 48-79 | KLINGENSCHUTZ | |



