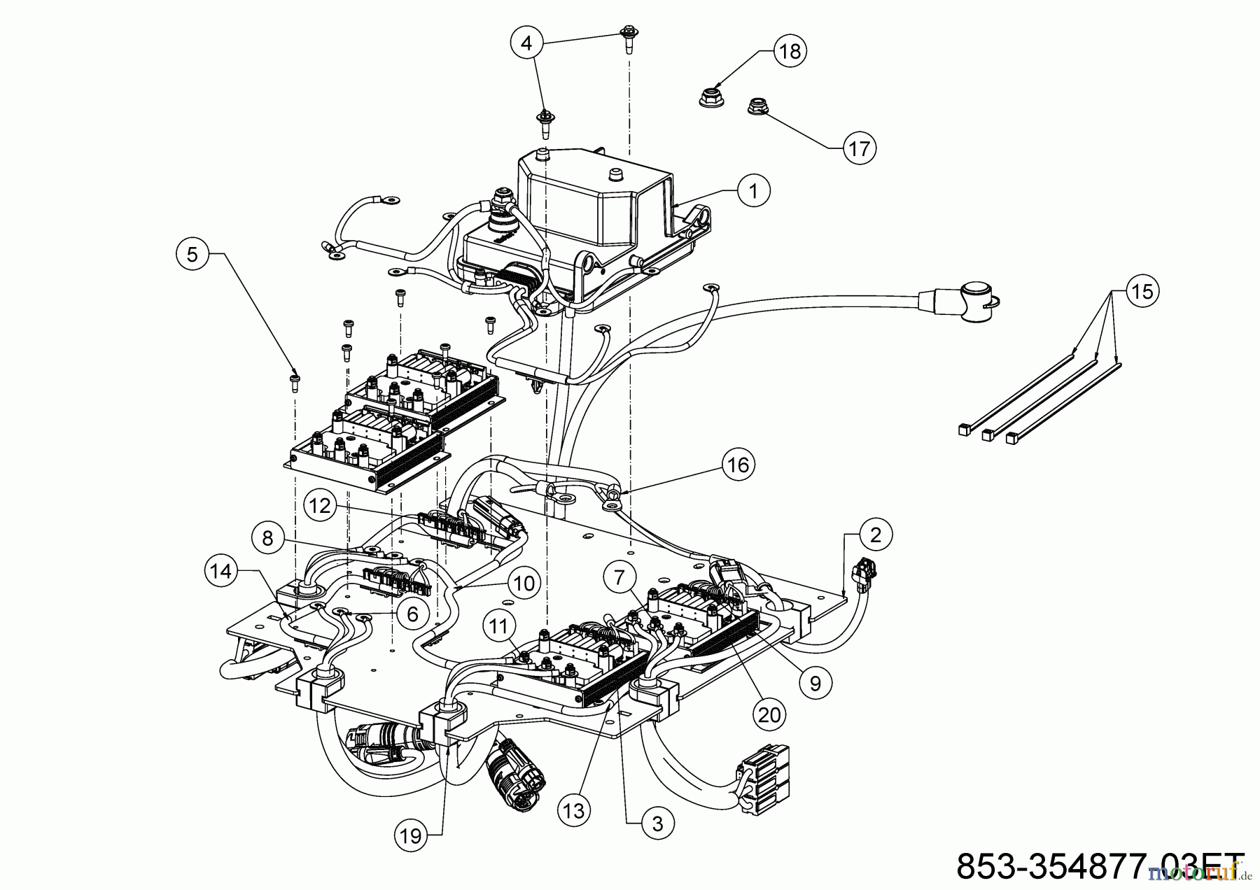
Cub Cadet XZ5 EL107 34BBA2CS603 (2023) Control panel parts Ricambi
Control panel parts 34BBA2CS603 (2023)

| Posizione | Articolo numero | Descrizione | |
| 1 | 625-09115 | ||
| 2 | 703-28101 | ||
| 3 | 625-09120 | ||
| 4 | 738-05090 | SCR:SHLDR:0.373X0.115:TT | |
| 5 | 7039 | ANTI-ROTATION SCREW | |
| 6 | 725-18421 | ||
| 7 | 725-18424 | ||
| 8 | 725-18434 | ||
| 9 | 725-18426 | ||
| 10 | 725-18413 | ||
| 11 | 725-18416 | ||
| 12 | 725-18435 | ||
| 13 | 725-18437 | ||
| 14 | 725-18438 | ||
| 15 | 725-0157 | TIE:CBL:0.05X0.18X7.56:50LB | |
| 16 | 725-18460 | ||
| 17 | ![]() | 712-04063 | NUT:HEXFLGLK:5/16-18:GRN5:NYL |
| 18 | ![]() | 712-04065 | NUT:HEXFLGLK:3/8-16:GRN5:NYLON |
| 19 | 721-07112 | ||
| 20 | 625-09118 | ||
| 21 | 731-27441 | ||





