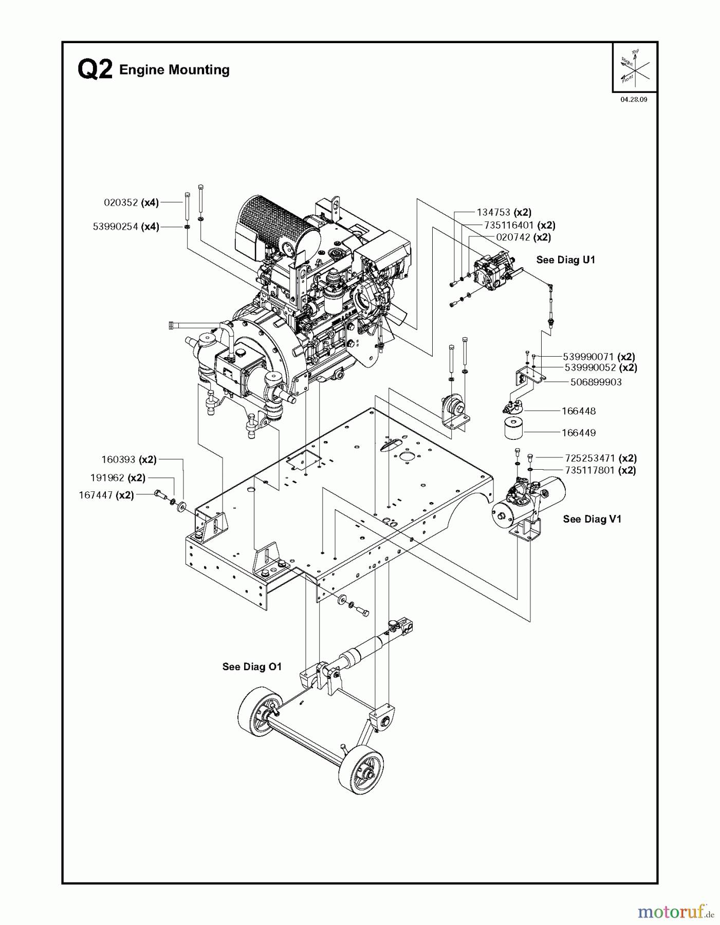
Trennschneider, Floor ENGINE PLATE Ricambi
ENGINE PLATE FS6600 JD T3, 2009-20

| Posizione | Articolo numero | Descrizione | |
| 020352 | 20352 | 20352 | |
| 020742 | 20742 | ||
| 134753 | 134753 | ||
| 160393 | 160393 | ||
| 166448 | 166448 | ||
| 166449 | 166449 | ||
| 167447 | 167447 | ||
| 191962 | 191962 | ||
| 506899903 | 506 89 99-03 | HALTER | |
| 53990254 | 53990254 | ||
| 539990052 | 539 99 00-52 | SCHEIBE | |
| 539990071 | 539 99 00-71 | BOLZEN 1/4-20 X 1/2 HHCS GRD 5 | |
| 725253471 | 725 25 34-71 | SCHRAUBE | |
| 735116401 | 735 11 64-01 | FEDERSCHIEBE | |
| 735117801 | 735 11 78-01 | BEILAGSCHEIBE | |



