.it
Benvenuti
Contatti
Spedizione
L’azienda
Guest book
Condizioni e Privacy
Catalogare
Tagliare, profilare
Componenti per motore
Officine meccaniche
Parti e componentistica per macchine varie
Forestali
Articoli elettrici
Articoli invernali
Cinghie trapezoidali e relative pulegge
Filters
PEZZI DI RICAMBIO
Sprocket Rims
Guide Bars
Chainsaw Chains
Search by Part Number
Diagrammi ed elenchi
Servizio
Determine Chain
Ricerca
Il mio account
Registrati
Log in
Settings
DE
EN
FR
ES
IT
Desktop
Trennschneider, Cut-Off BELT GUARD Ricambi
Start
Trennschneider, Cut-Off
K960 RESCUE, 2008-12
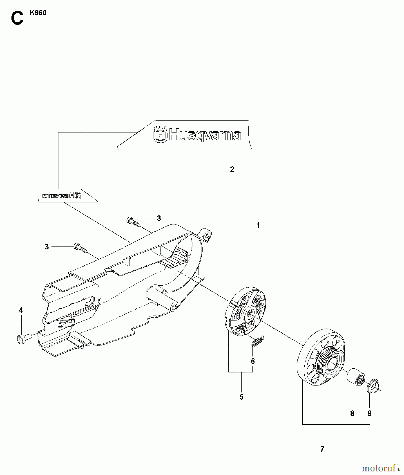
BELT GUARD
BELT GUARD K960 RESCUE, 2008-12
Posizione
Articolo numero
Descrizione
1
510 21 34-01
RIEMENSCHUTZ
2
544 93 31-01
AUFKLEBER
3
503 21 53-21
SCHRAUBE
4
544 36 64-01
ABDICHTUNG
5
503 70 15-01
KUPPLUNG KPL.
6
503 14 51-01
KUPPLUNGSFEDER
7
506 37 83-02
RIEMENSCHEIBE
7
544 37 66-01
KUPPLUNGSGLOCKE
8
505 30 24-15
NADELLAGER
9
506 39 30-01
SCHEIBE
Gestione della qualità
Aiutaci a migliorare il nostro sito. Informaci se trovi un errore.