.it
Carrello
vuoto
Il mio account
Registrati
Log in
Benvenuti
Contatti
Spedizione
L’azienda
Guest book
Condizioni e Privacy
Catalogare
Tagliare, profilare
Componenti per motore
Officine meccaniche
Parti e componentistica per macchine varie
Forestali
Articoli elettrici
Articoli invernali
Cinghie trapezoidali e relative pulegge
Filters
PEZZI DI RICAMBIO
Sprocket Rims
Guide Bars
Chainsaw Chains
Search by Part Number
Diagrammi ed elenchi
Servizio
Determine Chain
Ricerca
DE
EN
FR
ES
IT
Versione mobile
Trennschneider, Cut-Off FUEL TANK #1 Ricambi
Start
Trennschneider, Cut-Off
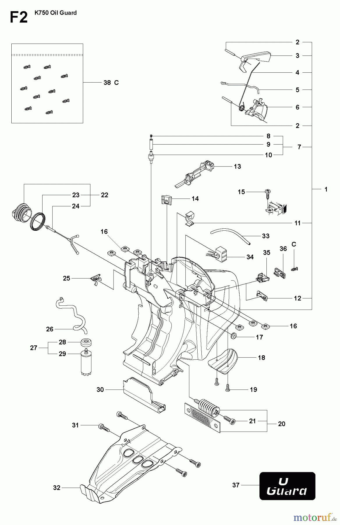
K750, Oilguard, Rescue, 2007-07
FUEL TANK #1
FUEL TANK #1 K750, Oilguard, Rescue, 2007-07
Posizione
Articolo numero
Descrizione
1
506 38 65-12
BENZINTANK KPL.
2
720 12 40-20
STIFT
3
506 22 28-02
GASSPERRE
4
506 37 95-01
FEDER
5
506 37 13-01
GASGESTAENGE
6
506 37 20-03
GASHEBEL
7
506 38 66-01
TANKENTLÜFTUNG
8
504 35 72-01
BENZINFILTER F.M-510
9
501 76 83-28
SCHLAUCH
10
503 16 40-01
VENTIL
11
544 39 32-01
SCHLAUCHHALTER
12
501 37 13-01
SPERRE
13
544 22 90-01
CHOKEGESTAENGE
14
506 37 80-01
FUEHRUNG
15
503 21 28-06
SCHRAUBE
16
503 22 65-04
MUTTER
17
501 27 13-02
KABELFÜHRUNG
18
506 38 67-02
BODENSTUETZE
19
503 21 45-16
SCHRAUBE
20
537 21 03-07
VIBRATIONSDAEMPFER
21
544 06 12-01
SCHRAUBE
22
506 25 59-04
TANKDECKEL KPL.
23
506 29 21-01
DICHTUNG
24
503 57 89-01
HALTER
25
506 39 46-01
TANKDECKEL
26
503 57 76-03
SCHLAUCH
27
506 26 41-11
BENZINFILTER
28
506 27 11-01
GEWICHT
29
506 26 41-01
FILTER
30
506 38 15-01
SCHILD
31
503 21 54-20
SCHRAUBE
32
506 37 19-02
GRUNDPLATTE
33
544 32 49-37
KRAFTSTOFFSCHLAUCH
34
544 38 41-01
ELEKTRONIKBOX
35
501 01 88-01
GEHAEUSE
36
501 01 94-01
SCHALTER
37
501 31 89-01
AUFKLEBER
38
503 23 33-01
Gestione della qualità
Aiutaci a migliorare il nostro sito. Informaci se trovi un errore.