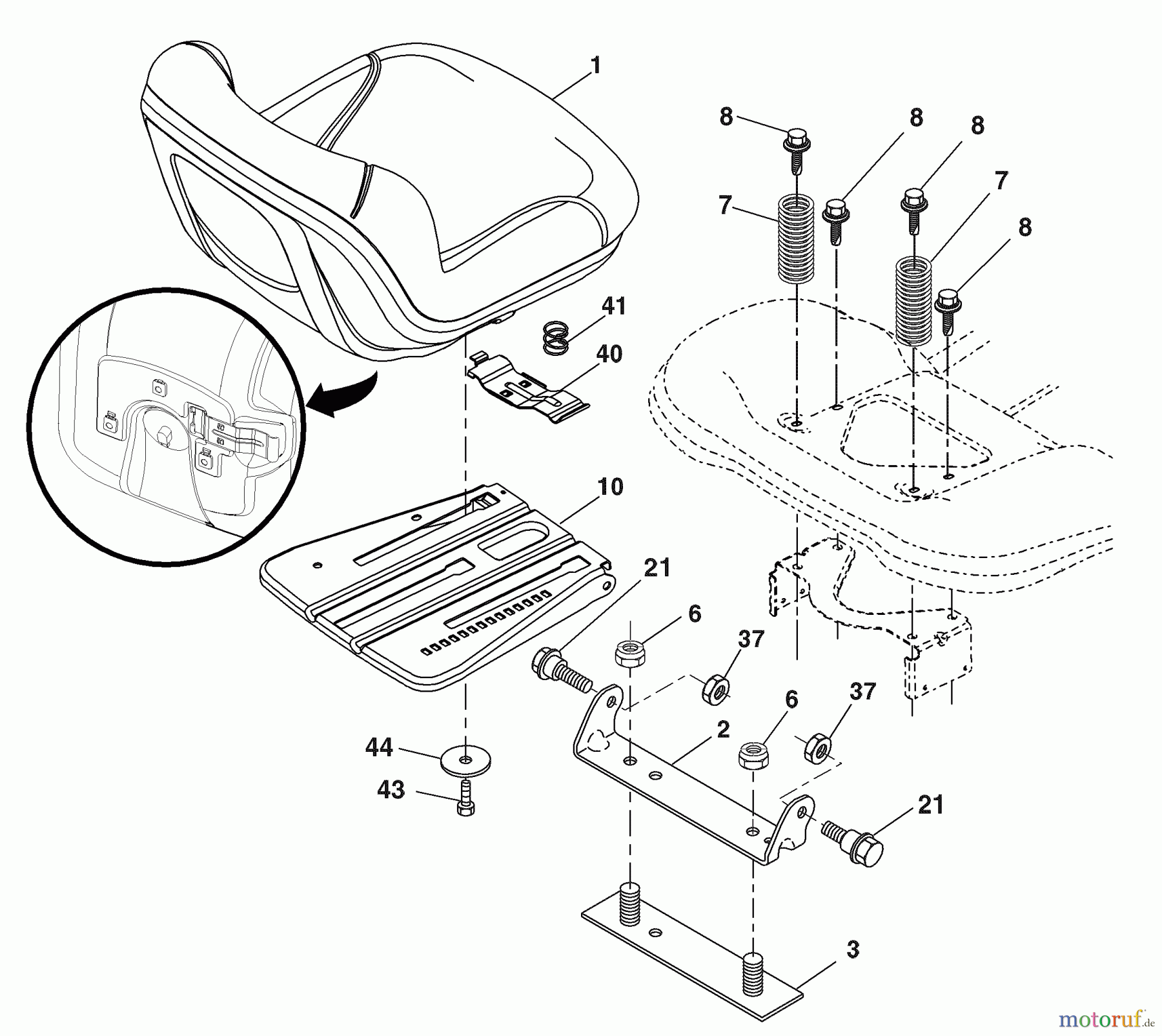
Husqvarna YTH 2454 (96043003402) - Yard Tractor (2008-02 & After) Seat Assembly Ricambi
Seat Assembly YTH 2454 (96043003402) - Husqvarna Yard Tractor (2008-02 & After)

| Posizione | Articolo numero | Descrizione | |
| 1 | 532 43 98-22 | Sitz | |
| 2 | 532 18 01-66 | BEFESTIGUNG | |
| 3 | 532 14 06-75 | STREIFEN | |
| 6 | ![]() | 873 68 06-00 | MUTTER |
| 7 | 532 12 41-81 | FEDER | |
| 8 | 532 17 18-77 | BOLZEN | |
| 10 | 532 19 69-77 | PLATTE | |
| 21 | 532 17 18-52 | BOLZEN | |
| 37 | ![]() | 873 80 05-00 | MUTTER |
| 40 | 532 19 76-61 | GRIFF | |
| 41 | 532 19 82-00 | FEDER | |
| 43 | 874 76 06-12 | BOLT | |
| 44 | 819 13 38-12 | SCHEIBE | |





