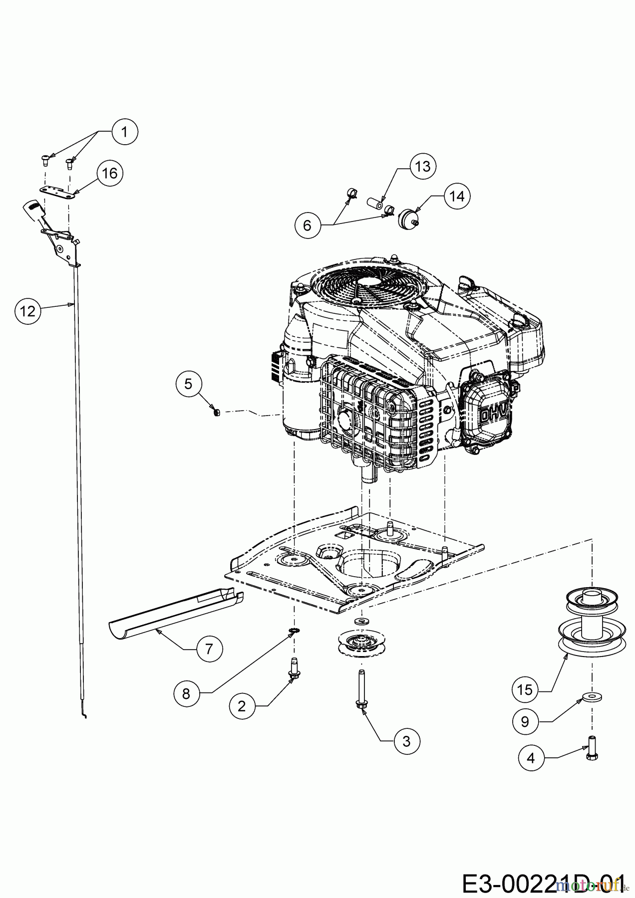
MTD Mnirider 76 RDHE 13B721SD600 (2021) Choke- and throttle control, Engine pulley, Engine accessories Ricambi
Choke- and throttle control, Engine pulley, Engine accessories 13B721SD600 (2021)



Gestione della qualità
Aiutaci a migliorare il nostro sito. Informaci se trovi un errore.







