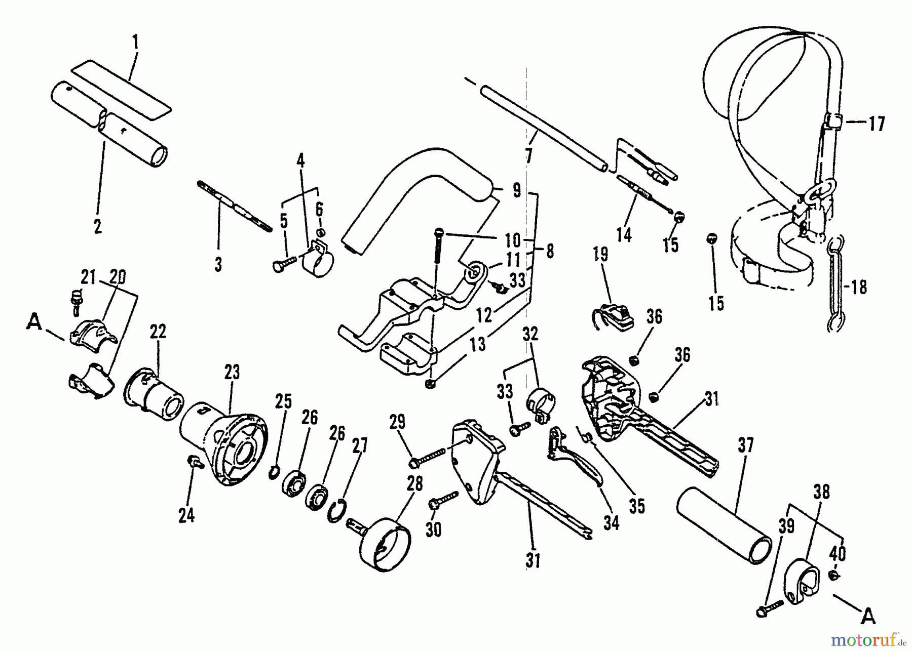
Echo SRM-3000 - String Trimmer, S/N:037501 - 043225 Driveshaft, Clutch Housing, Throttle, Stop Switch, Handles, Harness Ricambi
Driveshaft, Clutch Housing, Throttle, Stop Switch, Handles, Harness SRM-3000 - Echo String Trimmer, S/N:037501 - 043225



Gestione della qualità
Aiutaci a migliorare il nostro sito. Informaci se trovi un errore.


