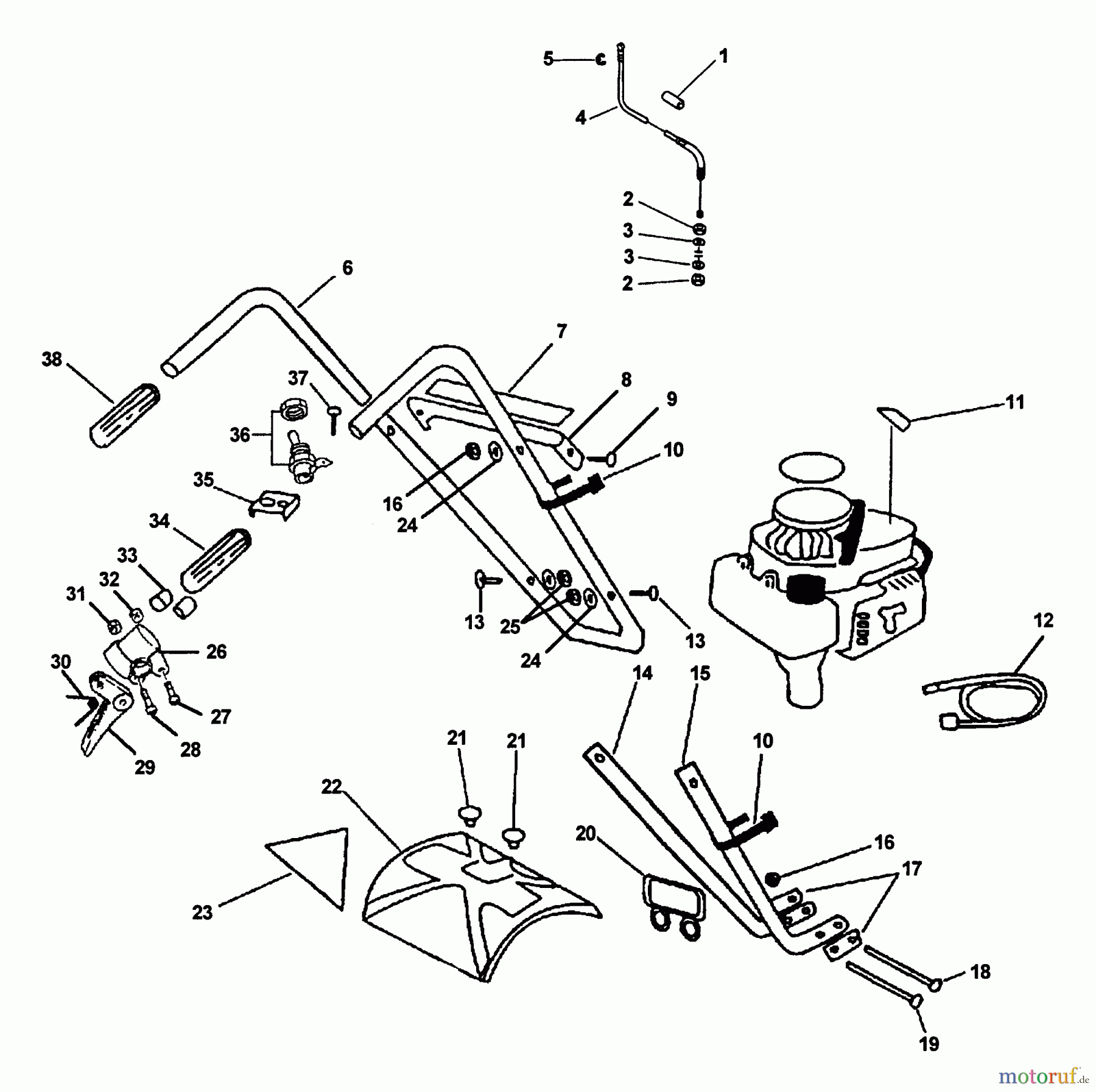
Echo TC-2100 - Tiller/Cultivator, S/N: 001001 - 999999 (Type 1) Handles, Shield, Throttle, Stop Switch Ricambi
Handles, Shield, Throttle, Stop Switch TC-2100 - Echo Tiller/Cultivator, S/N: 001001 - 999999 (Type 1)



Gestione della qualità
Aiutaci a migliorare il nostro sito. Informaci se trovi un errore.

