.it
Carrello
vuoto
Il mio account
Registrati
Log in
Benvenuti
Contatti
Spedizione
L’azienda
Guest book
Condizioni e Privacy
Catalogare
Tagliare, profilare
Componenti per motore
Officine meccaniche
Parti e componentistica per macchine varie
Forestali
Articoli elettrici
Articoli invernali
Cinghie trapezoidali e relative pulegge
Filters
PEZZI DI RICAMBIO
Sprocket Rims
Guide Bars
Chainsaw Chains
Search by Part Number
Diagrammi ed elenchi
Servizio
Determine Chain
Ricerca
DE
EN
FR
ES
IT
Versione mobile
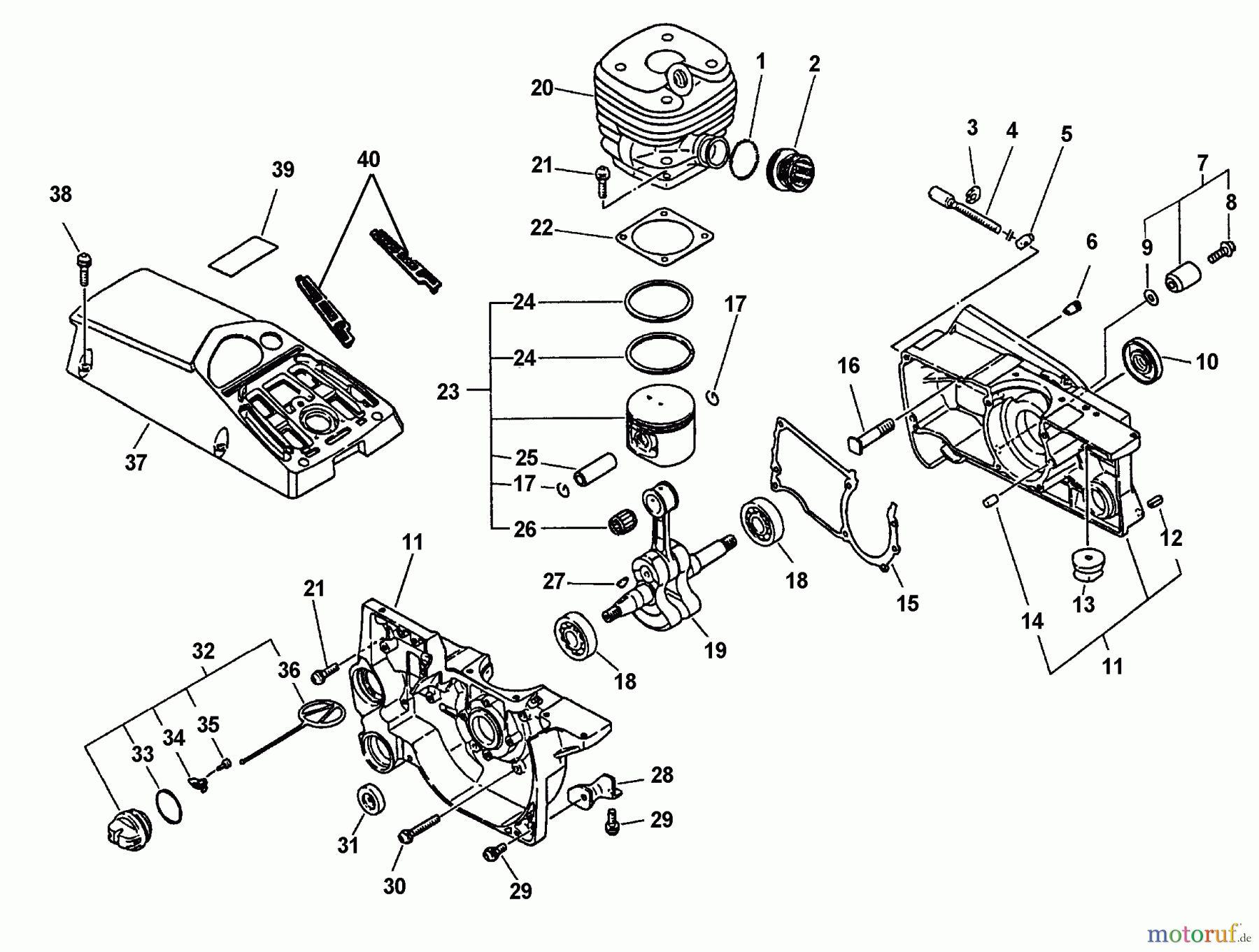
Echo QV-6700 Engine, Crankcase, Cylinder, Piston Ricambi
Start
Echo
Rettungssäge
QV-6700
Engine, Crankcase, Cylinder, Piston
Engine, Crankcase, Cylinder, Piston QV-6700
Posizione
Articolo numero
Descrizione
1
16-130516-30830
Band
2
16-130510-32430
Einlasstutzen CSG-6700, CS-
3
16-433028-11030
Clip CS-4010/4601/8001
4
16-433016-11031
Kettenspannschraube
5
16-433014-02830
Kettenspanner CS-6701/8000/
6
16-436114-13930
Entlüftungsventil
7
16-433000-19831
Kettenfangbolzen
8
16-900220-05018
Schraube
9
16-900600-00005
Scheibe PB-500/452GS/DH2200ST
10
16-100212-32430
Simmerring CS-4500/-6701, CSG-
11
1610020438133
12
16-900345-50010
Spannstift
13
16-100251-32430
Gummipuffer
14
16-100215-02830
Bolzen Produktion eingestellt
15
16-100242-32430
Dichtung CS-5501, CSG-680, CS-
16
16-433011-19831
Schraube
17
16-100015-00230
Sicherungsring
18
16-900810-36202
Kugellager PB-500/EA-410/EC-
19
16-100100-32430
Kurbelwelle
20
16-101001-32431
Zylinder CS-6701
21
16-900162-05020
Schraube M5x20 PB-6000/-46LN/-
22
16-101010-32431
Dichtung, Papier
23
16-100000-32432
Kolben kpl. CS-6701, CSG-6700
24
16-100011-32431
Kolbenring CS-6701, 6702
25
16-100013-32430
Kolbenbolzen CSG-6700, CS-
26
16-100012-32430
Nadellager CS-6701, CSG-6700,
27
16-100142-30830
Polradkeil
28
16-100917-32430
Gummipuffer
29
16-900238-05014
Schraube 5x14
30
16-900162-05035
Schraube CLS-5010/CS-5501/SRM-
31
16-100212-19830
Simmerring CS-4500, CS-6701,
32
16-436001-37933
Öltankdeckel CS-6702
33
16-900725-02025
O-Ring CS-3500, CS-3700ES
34
16-131050-19830
Halter
35
16-900246-03008
Schraube
36
16-A365-000050
Halter, Tankdeckel CS-3700ES/-
37
1610150638134
38
16-900238-05020
Schraube 5x20
39
1699999999999
40
1613081132330
Gestione della qualità
Aiutaci a migliorare il nostro sito. Informaci se trovi un errore.