.it
Carrello
vuoto
Il mio account
Registrati
Log in
Benvenuti
Contatti
Spedizione
L’azienda
Guest book
Condizioni e Privacy
Catalogare
Tagliare, profilare
Componenti per motore
Officine meccaniche
Parti e componentistica per macchine varie
Forestali
Articoli elettrici
Articoli invernali
Cinghie trapezoidali e relative pulegge
Filters
PEZZI DI RICAMBIO
Sprocket Rims
Guide Bars
Chainsaw Chains
Search by Part Number
Diagrammi ed elenchi
Servizio
Determine Chain
Ricerca
DE
EN
FR
ES
IT
Versione mobile
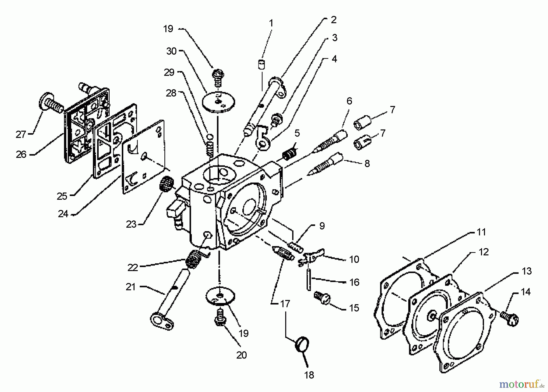
Echo QV-6700 - Quick Vent Chain Saw (Type 1 ) Carburetor Ricambi
Start
Echo
Rettungssäge
QV-6700 - Echo Quick Vent Chain Saw (Type 1 )
Carburetor
Carburetor QV-6700 - Echo Quick Vent Chain Saw (Type 1 )
Posizione
Articolo numero
Descrizione
16-123000-32432
Vergaser Walbro HDA-76 CS-6701
1612300032632
1
16
16
2
16-123131-19830
Gestänge
3
16-123114-03930
Schraube
4
16-123156-12330
Anschlag CS-4500, CS-6701, CS-
4
16-123156-30830
Stopper
5
16-123133-11130
Feder
6
16-123120-32430
Einstellschraube
6
16-123120-32631
Einstellnadel CSG-680
7
16-123151-39230
Anschlag
8
16-123118-18331
Einstellschraube
8
1612311802260
9
16
16
10
16
16
11
16
16
12
16
16
13
16-123142-17330
Deckel
14
16
16
15
16
16
16
16
16
17
16
16
18
16
16
19
16-123132-16130
Nadelventil
20
16-123114-03930
Schraube
21
16-123117-32630
Gasgestänge CSG-6700
22
16-123113-16130
Feder
23
16
16
24
16
16
25
16
16
26
16-123124-19830
Vergaserdeckel
27
16-123110-16130
Schraube
28
16-123135-10630
Feder CS-3700
29
16-123136-10630
Kugel, CS-3700
30
16-123132-32430
Choke-Ventil CSG-6700
1612310019830
1612310032630
1612310117330
Gestione della qualità
Aiutaci a migliorare il nostro sito. Informaci se trovi un errore.