.it
Carrello
vuoto
Il mio account
Registrati
Log in
Benvenuti
Contatti
Spedizione
L’azienda
Guest book
Condizioni e Privacy
Catalogare
Tagliare, profilare
Componenti per motore
Officine meccaniche
Parti e componentistica per macchine varie
Forestali
Articoli elettrici
Articoli invernali
Cinghie trapezoidali e relative pulegge
Filters
PEZZI DI RICAMBIO
Sprocket Rims
Guide Bars
Chainsaw Chains
Search by Part Number
Diagrammi ed elenchi
Servizio
Determine Chain
Ricerca
DE
EN
FR
ES
IT
Versione mobile
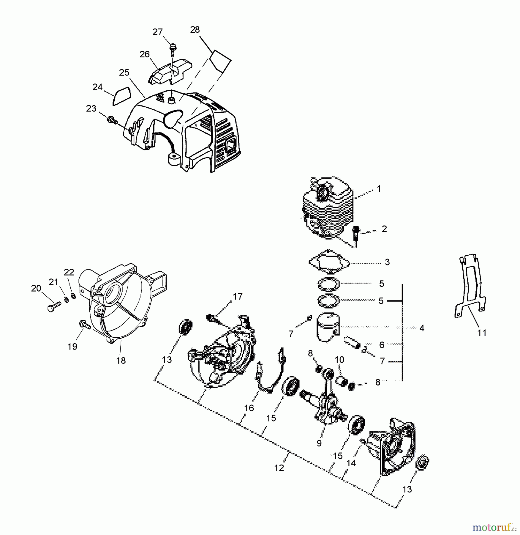
Echo PPF-2100 - Pole Saw / Pruner, S/N: 001001 - 506099 (Type 1E) Crankcase, Engine, Engine Cover, Fan Case Ricambi
Start
Echo
Hochentaster
PPF-2100 - Echo Pole Saw / Pruner, S/N: 001001 - 506099 (Type 1E)
Crankcase, Engine, Engine Cover, Fan Case
Crankcase, Engine, Engine Cover, Fan Case PPF-2100 - Echo Pole Saw / Pruner, S/N: 001001 - 506099 (Type 1E)
Posizione
Articolo numero
Descrizione
1
16-101011-06561
Zylinder HC-1500/1600 ES-2100/
2
16-900162-05022
Schraube CS-3500,-3501,SRM-
3
16-101010-44332
Fußdichtung (Papier) SRM-2010/
4
16-100000-48732
Kolben kpl. ES-2100, GT-2150,
5
16-A101-000000
Kolbenring GT-2150, EDR-2100
6
16-100013-11520
Kolbenbolzen SHR-170SI/T-226
7
16-100015-04630
Sicherungsring(Eisen) CS-2600/
8
16-100014-11520
Distanzring(Eisen) SHR-170Si/
9
16
16
10
16-V553-000010
Nadellager CS-2600
11
16-101587-46730
Platte CS-4200, CS-4400
12
16
16
13
16-100212-42031
Simmerring/T-226 PB-2400/SRM-
14
16-V622-000020
Stift
15
16-94035-36201
Kugellager EA-410/SHR-170SI
16
16
16
17
16-900162-05028
Schraube SHR-170SI/PB-250/T-
18
16-101511-44630
Abdeckung PPT-2100, PPT-2400,
19
16-900163-04016
Schraube
20
16-900151-05025
Schraube
21
16-900605-00005
Scheibe PB-250/EC-7600
22
16-900600-00005
Scheibe PB-500/452GS/DH2200ST
23
16-900238-04012
Schraube 4x12
24
16-890115-24660
Aufkleber PPF-2100
25
16-101514-44531
Zyl.-Abdeckung PPT-2100, PPT-
26
16-159912-44530
Zylinderschutz PPF-2100, PPT-
27
16-900253-05016
Schraube PB-6000/SHR-170SI
28
16-890160-22661
Aufkleber, Gefahr PPT-2100,
16SB1026
16-889000-05063
Dichtungssatz ES-2000/PB-1000
16-101010-44332
Fußdichtung (Papier) SRM-2010/
16
16
16-V103-001360
Dichtung, Ansaugleitung SHR-
16-130016-42031
Dichtung(Papier)
16-V104-000160
Dichtung, Auspuff PB-2400, GT-
16-145866-42031
Dichtung HC-2410/SRM-250/GT-
16-A320-000250
Hitzeabweisblech HC-1600/2100/
Gestione della qualità
Aiutaci a migliorare il nostro sito. Informaci se trovi un errore.