.it
Benvenuti
Contatti
Spedizione
L’azienda
Guest book
Condizioni e Privacy
Catalogare
Tagliare, profilare
Componenti per motore
Officine meccaniche
Parti e componentistica per macchine varie
Forestali
Articoli elettrici
Articoli invernali
Cinghie trapezoidali e relative pulegge
Filters
PEZZI DI RICAMBIO
Sprocket Rims
Guide Bars
Chainsaw Chains
Search by Part Number
Diagrammi ed elenchi
Servizio
Determine Chain
Ricerca
Il mio account
Registrati
Log in
Settings
DE
EN
FR
ES
IT
Desktop
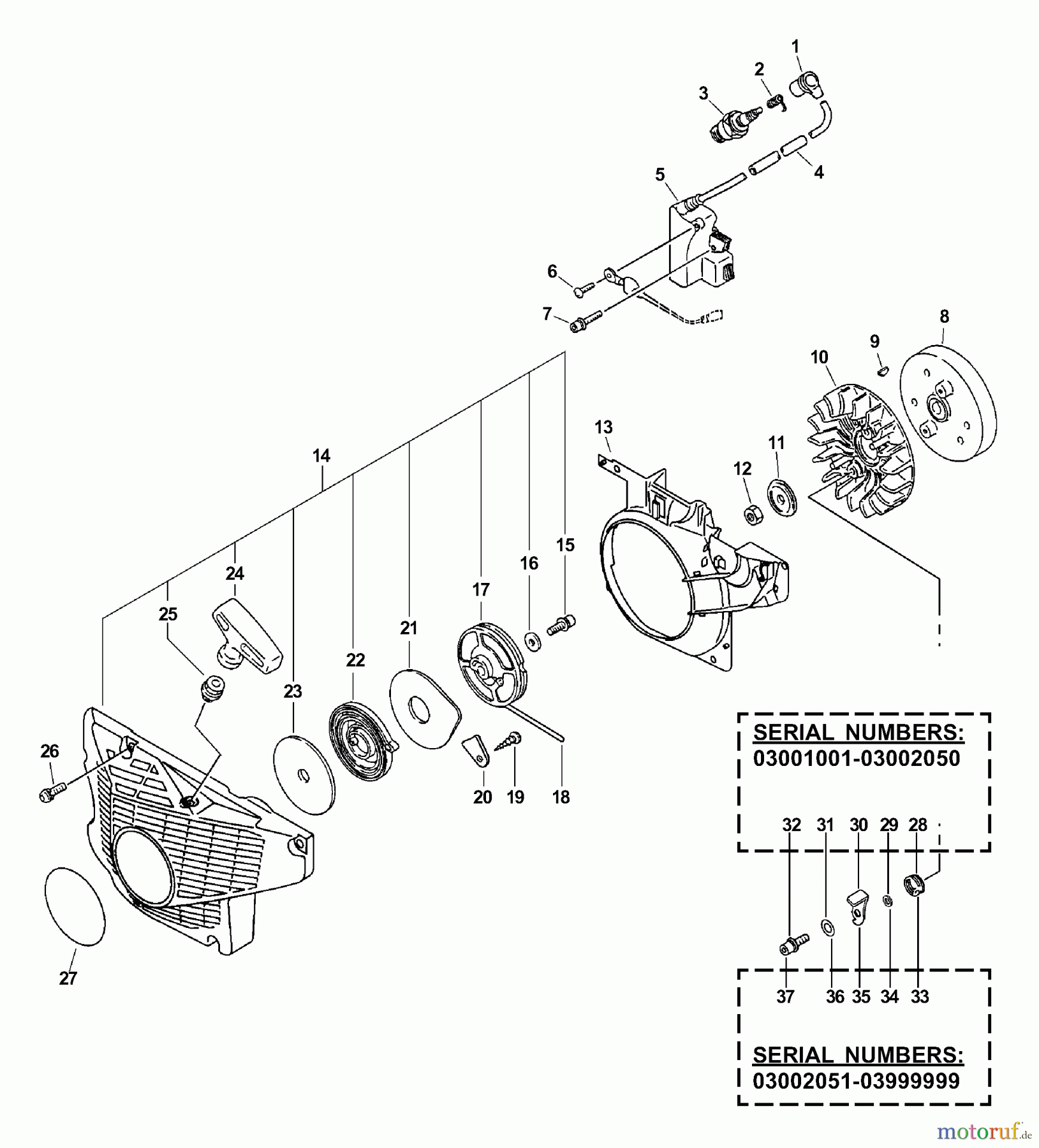
Echo CSG-680 - Cut-Off Saw, S/N: 03001001 - 03999999 Ignition, Starter Ricambi
Start
Echo
Trennsägen
CSG-680 - Echo Cut-Off Saw, S/N: 03001001 - 03999999
Ignition, Starter
Ignition, Starter CSG-680 - Echo Cut-Off Saw, S/N: 03001001 - 03999999
Posizione
Articolo numero
Descrizione
1
16-159012-03433
Zündkerzenkappe, Gummi PPT-
2
16-159011-03432
Kontaktfeder CS-2600/4200/PB-
3
1699944500071
4
16-156611-19830
Schutzhülle
5
16-156601-32632
Elektronikmodul CS-6702, CSG-
6
16-900242-04008
Schraube
7
16-900162-04020
Schraube SHR-170SI, T-226
8
16-156800-32631
Polrad CS-6701, CS-8000, CSG-
9
16-100142-30830
Polradkeil
10
16-101521-32330
Lüfterrad CSG-680, CSG-6700,
11
16-100143-19830
Scheibe PB-250
12
16-900500-00008
Mutter 8
13
16-A172-000130
Abdeckung Lüfterrad CS-6702,
14
16P021004210
15
16-900162-05014
Schraube M 5x14
16
16-900603-00005
Scheibe(Eisen) CS-2600/PB-250/
17
16-177215-07060
Seiltrommel
18
16-177226-06060
Starterseil CSG-6700
19
16-900253-04008
Schraube(Eisen) M4x8
20
16-433144-15130
Halteblech
21
16-177221-07060
Starterplatte CS-6701/6700,
22
16-177220-02834
Starterfeder CS-8000/8001
23
16-177221-02830
Platte
24
16-177228-30830
Startergriff
25
16-177227-07060
Seilführung CS-6702/8001, PB-
26
16-900162-05020
Schraube M5x20 PB-6000/-46LN/-
27
16-890118-17930
Aufkleber, ECHO PB-6000 ab S.-
28
16-177234-19832
Feder CS-680
29
16-177247-07060
Hülse CSG-6700
30
16P021009870
31
16-900603-00005
Scheibe(Eisen) CS-2600/PB-250/
32
16-900162-05014
Schraube M 5x14
33
16-177234-19832
Feder CS-680
34
16-V353-000201
Stellring PB-6000
35
16-177218-32631
Starterklinke CS-6701/6702,
36
16-900603-00005
Scheibe(Eisen) CS-2600/PB-250/
37
16-900162-05020
Schraube M5x20 PB-6000/-46LN/-
Gestione della qualità
Aiutaci a migliorare il nostro sito. Informaci se trovi un errore.