.it
Benvenuti
Contatti
Spedizione
L’azienda
Guest book
Condizioni e Privacy
Catalogare
Tagliare, profilare
Componenti per motore
Officine meccaniche
Parti e componentistica per macchine varie
Forestali
Articoli elettrici
Articoli invernali
Cinghie trapezoidali e relative pulegge
Filters
PEZZI DI RICAMBIO
Sprocket Rims
Guide Bars
Chainsaw Chains
Search by Part Number
Diagrammi ed elenchi
Servizio
Determine Chain
Ricerca
Il mio account
Registrati
Log in
Settings
DE
EN
FR
ES
IT
Desktop
Echo CS-702EVL - Chainsaw Magneto And Stator For Model CS-702EVL Only Ricambi
Start
Echo
Sägen, Kettensägen
CS-702EVL - Echo Chainsaw
Magneto And Stator For Model CS-702EVL Only
Magneto And Stator For Model CS-702EVL Only CS-702EVL - Echo Chainsaw
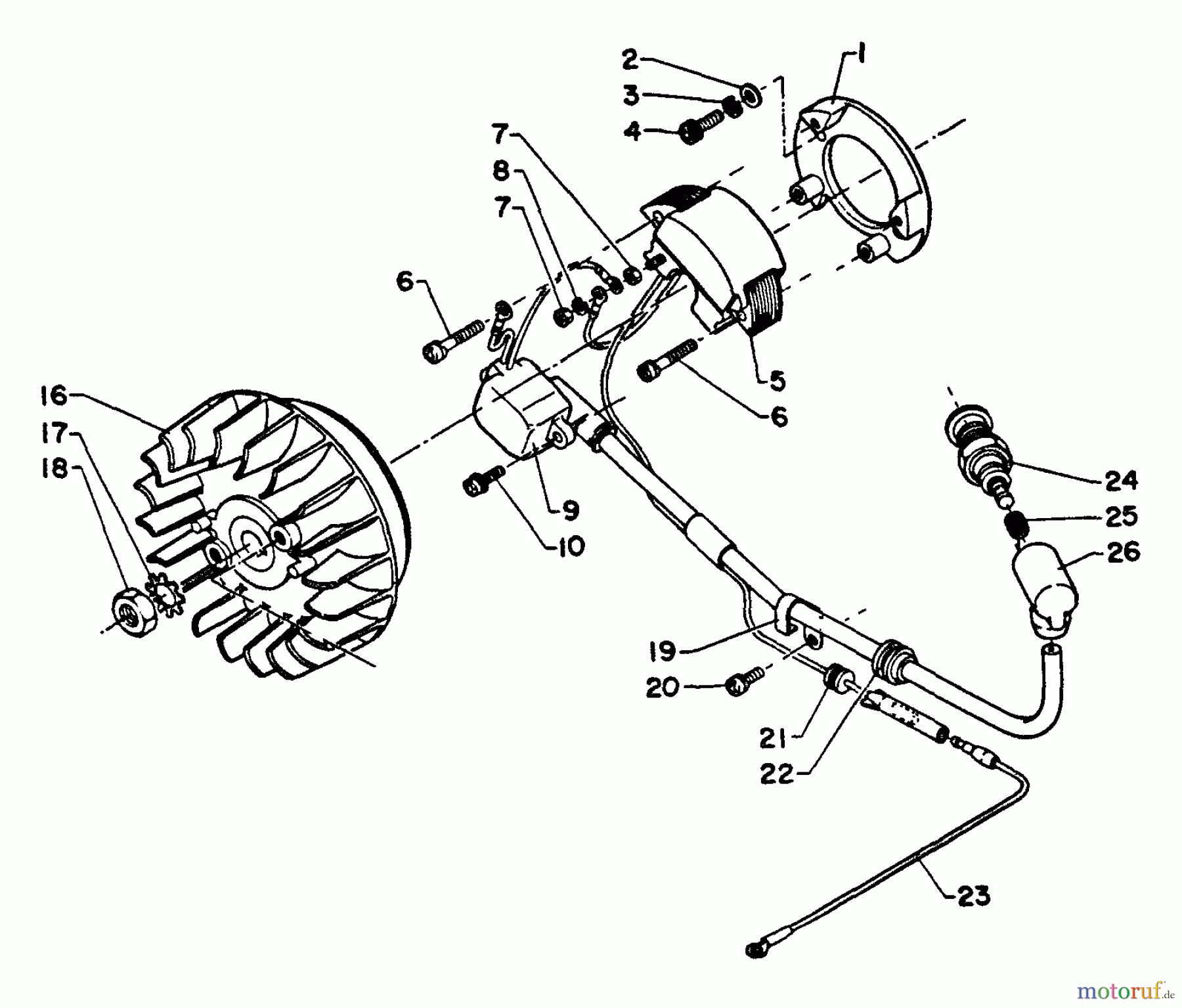
Posizione
Articolo numero
Descrizione
1699999999999
16Y16080012031
1
16-150629-12031
Ankerplatte
2
16-900600-00005
Scheibe PB-500/452GS/DH2200ST
3
16-900605-00005
Scheibe PB-250/EC-7600
4
16-900105-05015
Schraube
5
16-150601-12030
Elektronikmodul
6
16-900241-04025
Schraube
7
16-900500-00003
Mutter
8
16-900241-04025
Schraube
8
16-900605-00003
Scheibe
9
16-150626-12030
Zündspule Produktion
10
16-900242-04014
Schraube 4x14(Eisen)
16
16-150801-10230
Polrad Produktion eingestellt
17
16-900611-00010
Scheibe
18
16-100144-02830
Mutter
19
16-159110-10230
Clip Produktion eingestellt
20
16-900220-04010
Schraube
21
16-154111-03431
Buchse
22
16-153110-02830
Buchse
23
16-156131-03731
Leitung Produktion eingestellt
24
16-159010-10630
Zündkerze
25
16-159011-03432
Kontaktfeder CS-2600/4200/PB-
26
16-159012-03433
Zündkerzenkappe, Gummi PPT-
Gestione della qualità
Aiutaci a migliorare il nostro sito. Informaci se trovi un errore.