.it
Carrello
vuoto
Il mio account
Registrati
Log in
Benvenuti
Contatti
Spedizione
L’azienda
Guest book
Condizioni e Privacy
Catalogare
Tagliare, profilare
Componenti per motore
Officine meccaniche
Parti e componentistica per macchine varie
Forestali
Articoli elettrici
Articoli invernali
Cinghie trapezoidali e relative pulegge
Filters
PEZZI DI RICAMBIO
Sprocket Rims
Guide Bars
Chainsaw Chains
Search by Part Number
Diagrammi ed elenchi
Servizio
Determine Chain
Ricerca
DE
EN
FR
ES
IT
Versione mobile
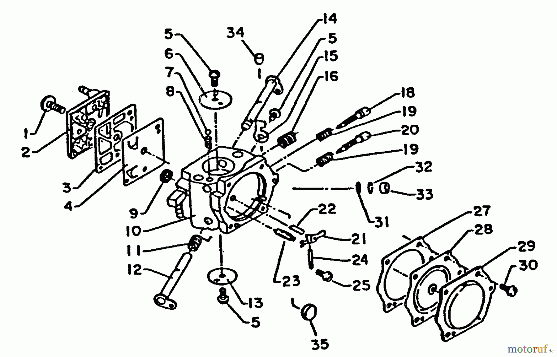
Echo CS-6700 - Chainsaw Carburetor Ricambi
Start
Echo
Sägen, Kettensägen
CS-6700 - Echo Chainsaw
Carburetor
Carburetor CS-6700 - Echo Chainsaw
Posizione
Articolo numero
Descrizione
16-123000-32431
Vergaser Walbro HAD-76
1
16-123110-16130
Schraube
2
16-123124-19830
Vergaserdeckel
3
1612310019830
3
1612310117330
4
1612310019830
4
1612310117330
5
16-123114-03930
Schraube
6
16-123132-17330
Ventil CS-4500, CS-8000
7
16-123136-10630
Kugel, CS-3700
8
16-123135-10630
Feder CS-3700
9
1612310019830
10
16
16
11
16-123113-16130
Feder
12
16-123117-32430
Gasgestänge
13
16-123132-16130
Nadelventil
14
16-123131-19830
Gestänge
15
16-123156-12330
Anschlag CS-4500, CS-6701, CS-
16
16-123133-11130
Feder
18
16-123118-18331
Einstellschraube
19
1612310019830
20
16-123120-18330
Einstellschraube
21
1612310019830
22
1612310019830
23
1612310019830
24
1612310019830
25
1612310019830
27
1612310019830
27
1612310117330
28
1612310019830
28
1612310117330
29
16-123142-17330
Deckel
30
1612310019830
31
1612310019830
32
1612310019830
33
1612310019830
34
16-123178-15030
Stift CS-3700,PB-500
35
1612310019830
Gestione della qualità
Aiutaci a migliorare il nostro sito. Informaci se trovi un errore.