.it
Carrello
vuoto
Il mio account
Registrati
Log in
Benvenuti
Contatti
Spedizione
L’azienda
Guest book
Condizioni e Privacy
Catalogare
Tagliare, profilare
Componenti per motore
Officine meccaniche
Parti e componentistica per macchine varie
Forestali
Articoli elettrici
Articoli invernali
Cinghie trapezoidali e relative pulegge
Filters
PEZZI DI RICAMBIO
Sprocket Rims
Guide Bars
Chainsaw Chains
Search by Part Number
Diagrammi ed elenchi
Servizio
Determine Chain
Ricerca
DE
EN
FR
ES
IT
Versione mobile
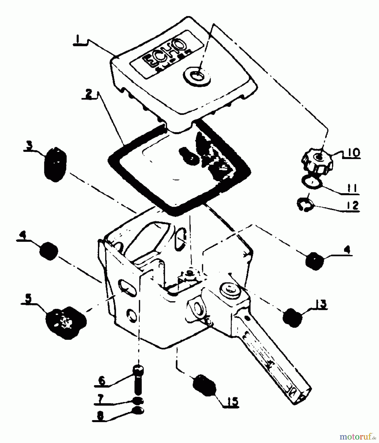
Echo CS-60S - Chainsaw, S/N: 001001 - 0059500 Air Cleaner Ricambi
Start
Echo
Sägen, Kettensägen
CS-60S - Echo Chainsaw, S/N: 001001 - 0059500
Air Cleaner
Air Cleaner CS-60S - Echo Chainsaw, S/N: 001001 - 0059500
Posizione
Articolo numero
Descrizione
1
16-130313-00330
Luftfilterdeckel
2
16-130305-00330
Luftfilter
3
16-437410-00330
Gummipuffer
4
16-178210-00230
Gummitülle
5
1699999999999
6
1610024400230
6
16-900105-05020
Schraube DH2200ST/PPT-300ES
7
16-900605-00005
Scheibe PB-250/EC-7600
8
16-900600-00005
Scheibe PB-500/452GS/DH2200ST
9
1689001300331
10
1613040600230
10
16-130406-00330
Mutter
11
16-900720-00014
O-Ring CS-60S
12
16-900701-00011
Seegerring außen 11mm
13
16-178810-02830
Gummitülle
15
16-178211-00330
Kappe
16
16-163911-00330
Stift Produktion eingestellt
Gestione della qualità
Aiutaci a migliorare il nostro sito. Informaci se trovi un errore.