.it
Benvenuti
Contatti
Spedizione
L’azienda
Guest book
Condizioni e Privacy
Catalogare
Tagliare, profilare
Componenti per motore
Officine meccaniche
Parti e componentistica per macchine varie
Forestali
Articoli elettrici
Articoli invernali
Cinghie trapezoidali e relative pulegge
Filters
PEZZI DI RICAMBIO
Sprocket Rims
Guide Bars
Chainsaw Chains
Search by Part Number
Diagrammi ed elenchi
Servizio
Determine Chain
Ricerca
Il mio account
Registrati
Log in
Settings
DE
EN
FR
ES
IT
Desktop
Echo CS-451VL - Chainsaw Starter Ricambi
Start
Echo
Sägen, Kettensägen
CS-451VL - Echo Chainsaw
Starter
Starter CS-451VL - Echo Chainsaw
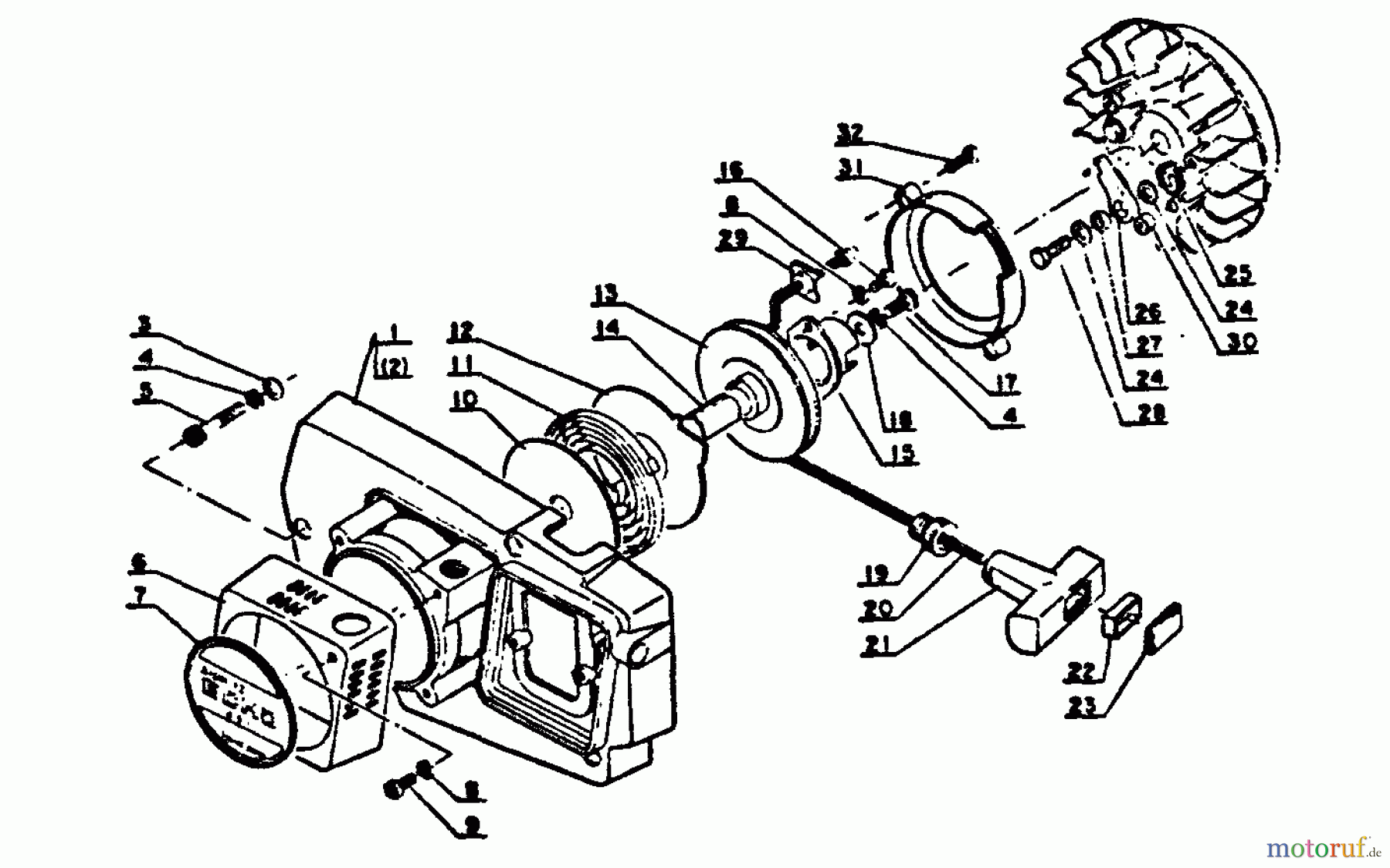
Posizione
Articolo numero
Descrizione
1699999999999
1
16-101507-03431
Startergehäuse
2
16
16
6
1610061603430
8
16-900605-00004
Scheibe
9
16-900220-04008
Schraube
10
16-177221-02830
Platte
11
16-177220-02834
Starterfeder CS-8000/8001
12
16-177242-03430
Kunststoffplatte Produktion
13
16-177215-02834
Seilscheibe
14
16-177216-02832
Passhülse
15
1617724302832
16
16-900220-04010
Schraube
17
16-900105-05012
Schraube 452GS/DH2200ST
18
16-177214-02830
Scheibe CS-4200/4400/5100/8000
19
16-177227-05330
Seilführung CS-280EG/330EVL/
20
16-177226-07060
Starterseil CS-6702/8001, PB-
21
16-177228-12330
Startergriff
22
16-177229-02830
Scheibe Produktion eingestellt
23
16-177244-02830
Griffkappe Porduktion
29
16-177246-02832
Hülse
3
16-100247-02830
Scheibe
4
16-900605-00005
Scheibe PB-250/EC-7600
5
16-900105-05025
Schraube DH2200ST/PPT-300ES
7
1689001203431
24
16-900600-00005
Scheibe PB-500/452GS/DH2200ST
25
16-177234-02831
Feder
26
16-177218-02830
Starterklinke
27
16-177217-03430
Distanzhülse
28
16-900100-05018
Schraube
30
16-177245-02830
Griffkappe Produktion
31
1617724103430
32
16-900220-04016
Schraube
Gestione della qualità
Aiutaci a migliorare il nostro sito. Informaci se trovi un errore.