.it
Benvenuti
Contatti
Spedizione
L’azienda
Guest book
Condizioni e Privacy
Catalogare
Tagliare, profilare
Componenti per motore
Officine meccaniche
Parti e componentistica per macchine varie
Forestali
Articoli elettrici
Articoli invernali
Cinghie trapezoidali e relative pulegge
Filters
PEZZI DI RICAMBIO
Sprocket Rims
Guide Bars
Chainsaw Chains
Search by Part Number
Diagrammi ed elenchi
Servizio
Determine Chain
Ricerca
Il mio account
Registrati
Log in
Settings
DE
EN
FR
ES
IT
Desktop
Echo CS-350TES - Chainsaw, Engine, Engine Housing Ricambi
Start
Echo
Sägen, Kettensägen
CS-350TES - Echo Chainsaw,
Engine, Engine Housing
Engine, Engine Housing CS-350TES - Echo Chainsaw,
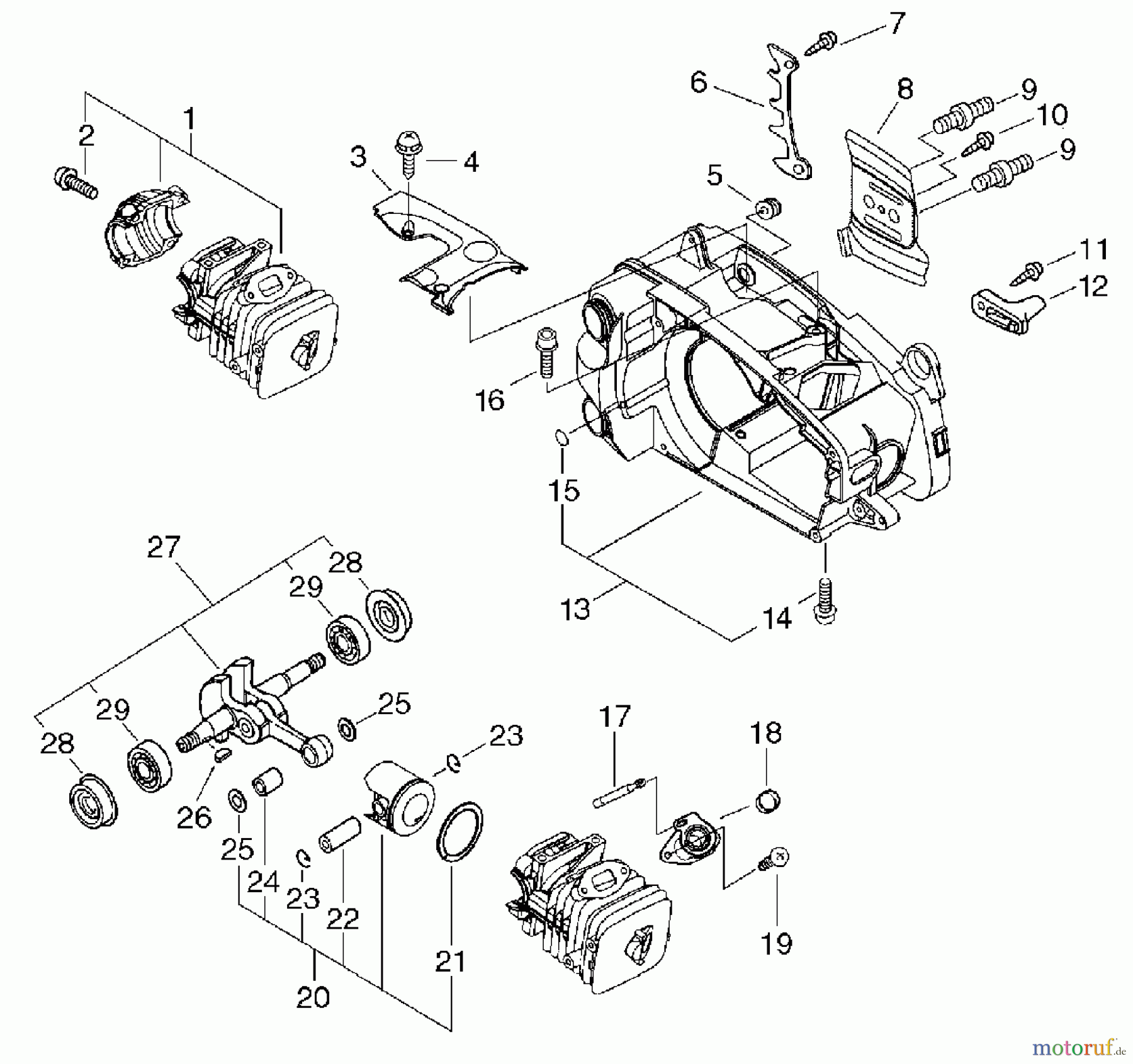
Posizione
Articolo numero
Descrizione
1
16-P021-009250
Zylinder mit Kurbelgehäuse CS-
2
16-900162-05025
Schraube 5x25 CS-5100/PB-46LN/
3
16-A127-000050
Staubdeckel CS-350T
4
16-900253-04012
Schraube CS-2600
5
16-163911-30130
Gumminippel CS-2600
6
16-C304-000000
Klaue
7
16-900253-05020
Schraube 5x20/T-226 CS-3500,
8
16-C305-000080
Führungsblech CS-350TES
9
16-V224-000031
Stehbolzen CS-300/3050/3400/
10
16-900253-04010
Schraube(Eisen) M4x10 CS-6702
11
16-900253-05020
Schraube 5x20/T-226 CS-3500,
12
16-433026-35430
Kettenfangbolzen CS-2600/-
13
16-P021-008678
Motor-Gehäuse CS-350TES
14
16-900106-05030
Schraube 5x30 CS-350T/PB-650/
15
16-900724-00004
O-Ring CS-2600ES (10)
16
16-900106-05020
Schraube 5x20 CS-2600/PB-6000/
17
16-V470-000482
Benzinleitung / CS-350T
18
16-V359-000060
Scheibe CS-350T
19
16-91420-05012
Schraube 5x12 CS-350T, CS-
20
16-P021-009230
Kolben CS-350T
21
16-A101-000120
Kolbenring CS-350TES
22
16-100013-15330
Kolbenbolzen CS-280EG/-3500/
23
16-100015-04630
Sicherungsring(Eisen) CS-2600/
24
16-V553-000040
Nadellager CS-350t/-3501/RMA-
25
16-100014-60930
Distanzscheibe, Kolben CS-
26
16-100142-12330
Polradkeil CS-3500/3501/SRM-
27
16P021010703
28
16-V505-000011
Simmerring CS-3600/3501
29
16-94035-36201
Kugellager EA-410/SHR-170SI
Gestione della qualità
Aiutaci a migliorare il nostro sito. Informaci se trovi un errore.