.it
Carrello
vuoto
Il mio account
Registrati
Log in
Benvenuti
Contatti
Spedizione
L’azienda
Guest book
Condizioni e Privacy
Catalogare
Tagliare, profilare
Componenti per motore
Officine meccaniche
Parti e componentistica per macchine varie
Forestali
Articoli elettrici
Articoli invernali
Cinghie trapezoidali e relative pulegge
Filters
PEZZI DI RICAMBIO
Sprocket Rims
Guide Bars
Chainsaw Chains
Search by Part Number
Diagrammi ed elenchi
Servizio
Determine Chain
Ricerca
DE
EN
FR
ES
IT
Versione mobile
Echo CS-100 - Chainsaw Engine, Exhaust Ricambi
Start
Echo
Sägen, Kettensägen
CS-100 - Echo Chainsaw
Engine, Exhaust
Engine, Exhaust CS-100 - Echo Chainsaw
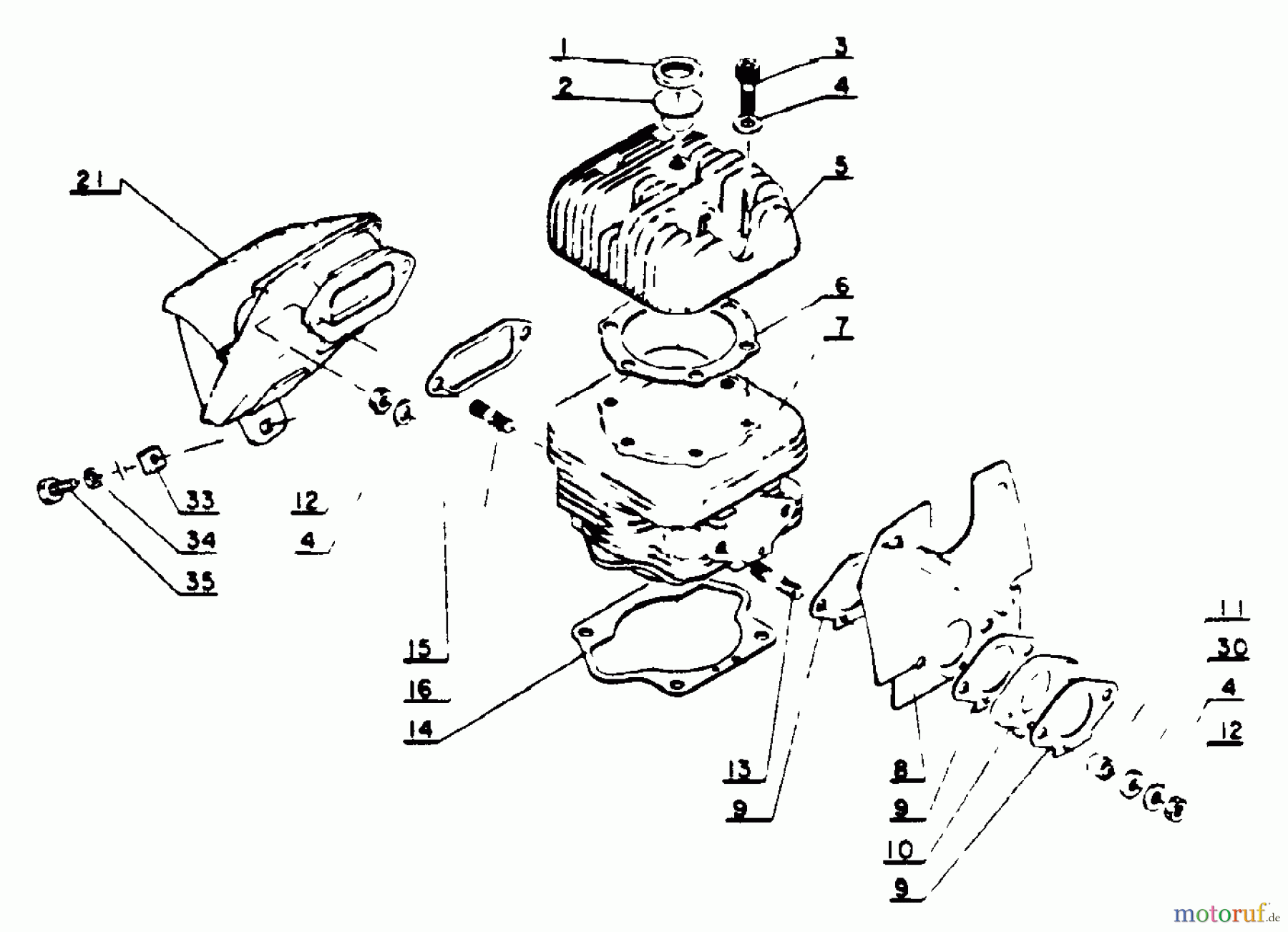
Posizione
Articolo numero
Descrizione
1
1699999999999
2
1610102100130
3
16-900105-06022
Schraube Produktion
4
16-900600-00006
Scheibe
5
1610101900131
6
1610101800130
7
1610101100131
8
1613001100131
9
16-130010-00130
Dichtung
10
1613001700130
11
1613001900130
12
16-900560-00006
Mutter
13
1610101400130
14
1610101000130
15
1614551000130
16
1610101400130
21
1614560000133
30
1613002500130
33
1614571300130
33
1614571300131
34
16-900605-00005
Scheibe PB-250/EC-7600
35
1690000105012
35
16-900100-05012
Schraube(Eisen) M5x12 SRM-
Gestione della qualità
Aiutaci a migliorare il nostro sito. Informaci se trovi un errore.