.it
Carrello
vuoto
Il mio account
Registrati
Log in
Benvenuti
Contatti
Spedizione
L’azienda
Guest book
Condizioni e Privacy
Catalogare
Tagliare, profilare
Componenti per motore
Officine meccaniche
Parti e componentistica per macchine varie
Forestali
Articoli elettrici
Articoli invernali
Cinghie trapezoidali e relative pulegge
Filters
PEZZI DI RICAMBIO
Sprocket Rims
Guide Bars
Chainsaw Chains
Search by Part Number
Diagrammi ed elenchi
Servizio
Determine Chain
Ricerca
DE
EN
FR
ES
IT
Versione mobile
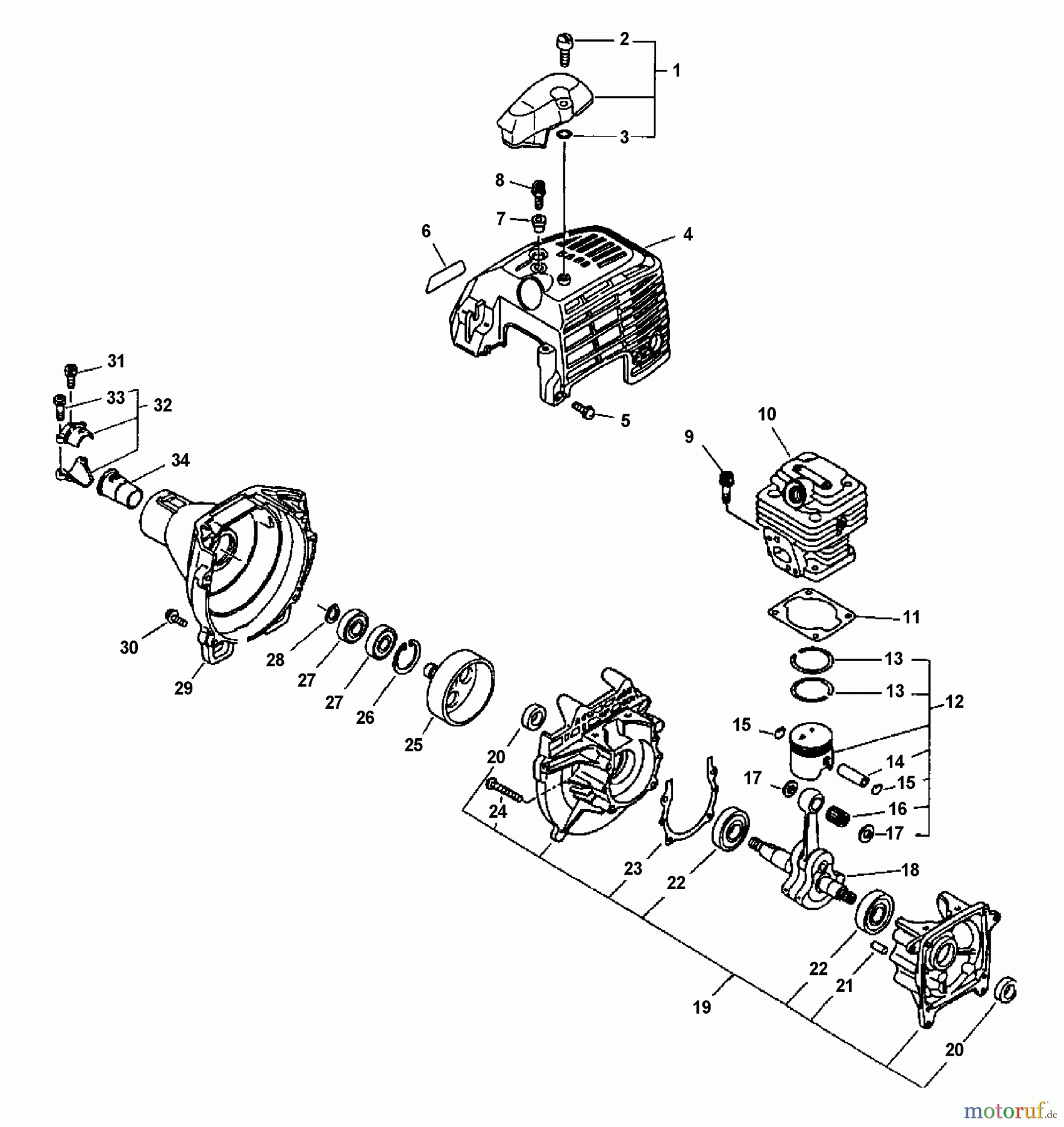
Echo PE-3100 - Edger (Type 1E) Clutch Housing, Engine, Engine Cover Ricambi
Start
Echo
Kantenschneider
PE-3100 - Echo Edger (Type 1E)
Clutch Housing, Engine, Engine Cover
Clutch Housing, Engine, Engine Cover PE-3100 - Echo Edger (Type 1E)
Posizione
Articolo numero
Descrizione
1
16-159902-55230
Zylindergehäuseschutz
2
16-352325-55230
Rändelmutter SRM-3150/3155
3
16-900720-00004
O- Ring/SHR-170SI
4
1610151455830
5
16-900162-05012
Bolzen EA-410
6
1689011258830
7
16-101531-55230
Buchse SRM-3150, SRM-3155
8
16-900162-05020
Schraube M5x20 PB-6000/-46LN/-
9
16-900162-05020
Schraube M5x20 PB-6000/-46LN/-
10
16-101034-55630
Zylinder SRM-3150
11
16-101010-55430
Fußdichtung, Papier SRM-3150/
12
16-100000-55431
Kolben kpl. SRM-3150 SRM-3155
13
16-100011-16131
Kolbenring SRM-320
14
16-100013-27430
Kolbenbolzen SRM-320, SRM-350
15
16-100015-03931
Sicherungsring
16
16-100012-16131
Nadellager SRM-320/SRM-350/
17
16-100014-53630
Distanzscheibe, Kolben SRM-
18
16
16
19
16
16
20
16-100213-05530
Simmerring SRM-320/350/RM-
21
16-V622-000020
Stift
22
16-94035-36201
Kugellager EA-410/SHR-170SI
23
16
16
24
16-900162-05030
Schraube CS-3500,-3501, SRM-
25
1617500555730
26
16-900702-00028
Seegerring, innen, 28mm
27
169405106001
28
16-900701-00012
Seegerring außen 12mm
29
1610151155830
30
16-900162-05020
Schraube M5x20 PB-6000/-46LN/-
31
16-900162-05012
Bolzen EA-410
32
1661090355430
33
16-900162-05025
Schraube 5x25 CS-5100/PB-46LN/
34
1661091055730
16SB1028
1688900055430
16-101010-55430
Fußdichtung, Papier SRM-3150/
16
16
16-130010-05960
Dichtung
1613001055730
16-145510-55430
Auspuffdichtung SRM-3150
1614586655730
Gestione della qualità
Aiutaci a migliorare il nostro sito. Informaci se trovi un errore.