.it
Carrello
vuoto
Il mio account
Registrati
Log in
Benvenuti
Contatti
Spedizione
L’azienda
Guest book
Condizioni e Privacy
Catalogare
Tagliare, profilare
Componenti per motore
Officine meccaniche
Parti e componentistica per macchine varie
Forestali
Articoli elettrici
Articoli invernali
Cinghie trapezoidali e relative pulegge
Filters
PEZZI DI RICAMBIO
Sprocket Rims
Guide Bars
Chainsaw Chains
Search by Part Number
Diagrammi ed elenchi
Servizio
Determine Chain
Ricerca
DE
EN
FR
ES
IT
Versione mobile
Echo PE-2000 - Edger (Type 1E) Engine, Fan Housing, Cylinder Cover Ricambi
Start
Echo
Kantenschneider
PE-2000 - Echo Edger (Type 1E)
Engine, Fan Housing, Cylinder Cover
Engine, Fan Housing, Cylinder Cover PE-2000 - Echo Edger (Type 1E)
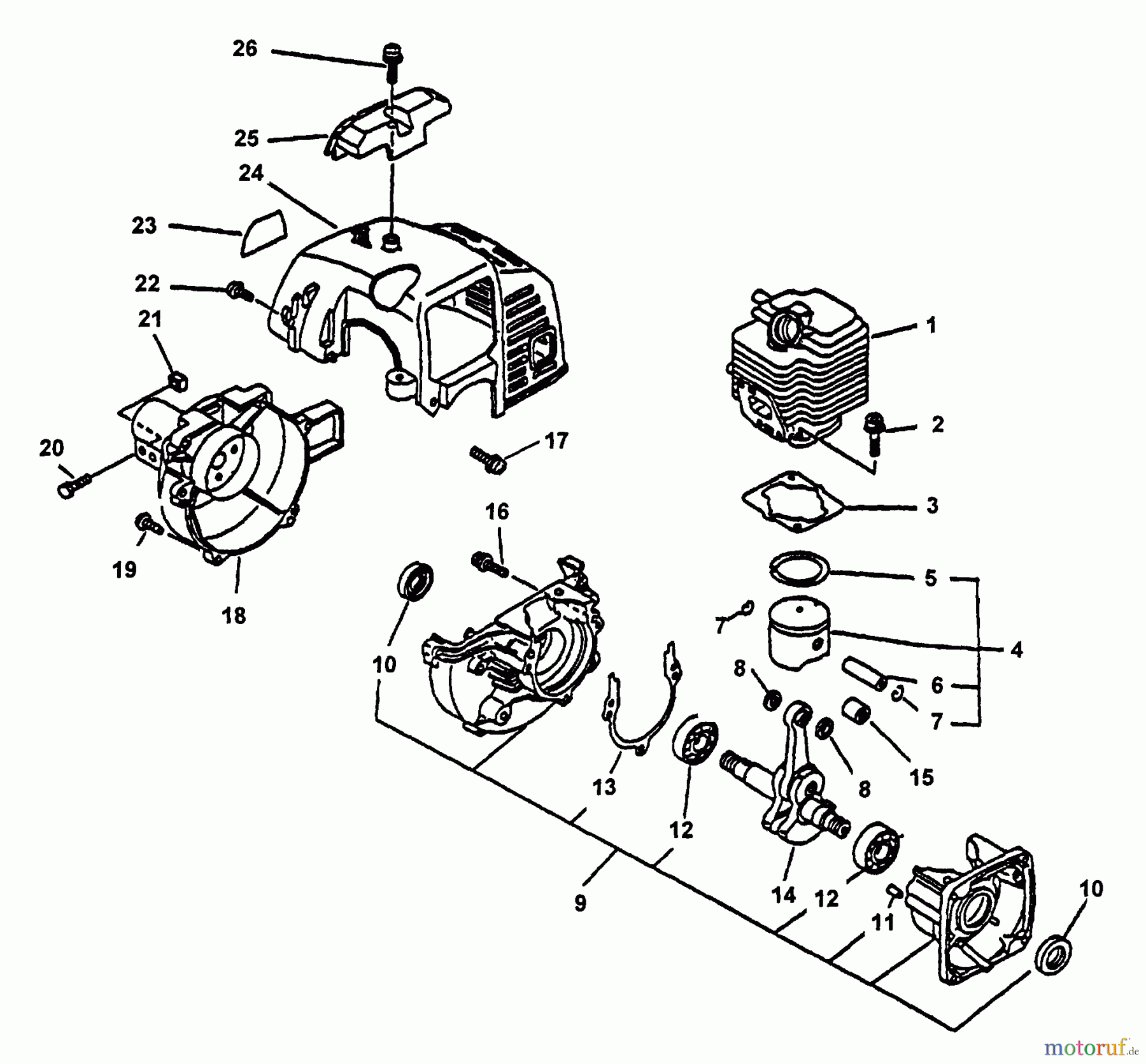
Posizione
Articolo numero
Descrizione
1
16-101011-06562
Zylinder HC-1500/1600 ES-2100/
2
16-900162-05022
Schraube CS-3500,-3501,SRM-
3
16-101010-44332
Fußdichtung (Papier) SRM-2010/
4
16-100000-48732
Kolben kpl. ES-2100, GT-2150,
5
16-A101-000000
Kolbenring GT-2150, EDR-2100
6
16-100013-11520
Kolbenbolzen SHR-170SI/T-226
7
16-100015-04630
Sicherungsring(Eisen) CS-2600/
8
16-100014-11520
Distanzring(Eisen) SHR-170Si/
9
16-100204-52133
Kurbelgehäuse kpl. SHR-170SI/
10
16-100212-42031
Simmerring/T-226 PB-2400/SRM-
11
16-V622-000020
Stift
12
16-94035-36201
Kugellager EA-410/SHR-170SI
13
16
16
14
16-100100-44733
Kurbelwelle ES-1000/2100/2400,
15
16-V553-000010
Nadellager CS-2600
16
16-900162-05028
Schraube SHR-170SI/PB-250/T-
17
16-900253-04012
Schraube CS-2600
18
1610150356630
19
16-900162-04018
Schraube M4x18 CS-4400, CS-
20
16-900142-05028
Schraube(Eisen)
21
16-900565-00005
Mutter 5*12 SRMF-340/PPT-300ES
22
16-900163-04016
Schraube
23
1689011255330
24
16-101514-48731
Zyl.-Abdeckung
25
16-159912-48630
Zylinderschutz WP-1000
26
16-900253-05016
Schraube PB-6000/SHR-170SI
16SB1026
1688900042032
16-101010-44332
Fußdichtung (Papier) SRM-2010/
16
16
16-130016-42031
Dichtung(Papier)
16-V103-001360
Dichtung, Ansaugleitung SHR-
16-145866-42031
Dichtung HC-2410/SRM-250/GT-
16-V104-000160
Dichtung, Auspuff PB-2400, GT-
16
16
Gestione della qualità
Aiutaci a migliorare il nostro sito. Informaci se trovi un errore.