.it
Carrello
vuoto
Il mio account
Registrati
Log in
Benvenuti
Contatti
Spedizione
L’azienda
Guest book
Condizioni e Privacy
Catalogare
Tagliare, profilare
Componenti per motore
Officine meccaniche
Parti e componentistica per macchine varie
Forestali
Articoli elettrici
Articoli invernali
Cinghie trapezoidali e relative pulegge
Filters
PEZZI DI RICAMBIO
Sprocket Rims
Guide Bars
Chainsaw Chains
Search by Part Number
Diagrammi ed elenchi
Servizio
Determine Chain
Ricerca
DE
EN
FR
ES
IT
Versione mobile
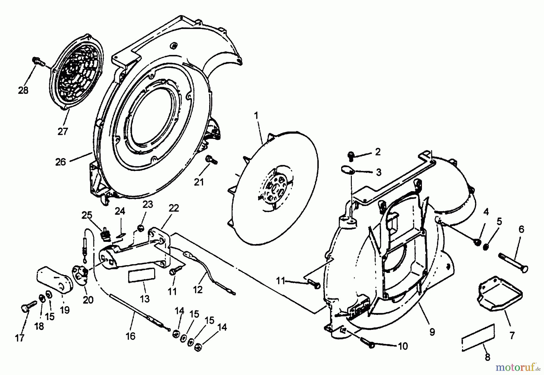
Echo PB-400E - Back Pack Blower, Type 1E S/N 001001 & Up Fan, Housings, Switch, Throttle (06/96) Ricambi
Start
Echo
Bläser / Sauger / Häcksler / Mulchgeräte
PB-400E - Echo Back Pack Blower, Type 1E S/N 001001 & Up
Fan, Housings, Switch, Throttle (06/96)
Fan, Housings, Switch, Throttle (06/96) PB-400E - Echo Back Pack Blower, Type 1E S/N 001001 & Up
Posizione
Articolo numero
Descrizione
1
1620001001110
2
16-900242-05010
Schraube PPT-300ES
3
1636302903210
4
16-900530-00005
Mutter
5
16-900600-00005
Scheibe PB-500/452GS/DH2200ST
6
1621041601110
7
1614571502260
8
1689017600760
9
1620010700762
10
16-900242-05025
Schraube CS-3500, HCA-2500,
11
16-900242-05022
Schraube CS-2600
12
1615062102260
13
1689016800860
14
16-900502-00006
Mutter SRMF-340 6 (3N)
15
16-900602-00006
Scheibe
16
1617800102360
17
1690022006025
18
16-900605-00006
Scheibe SHR-150SI/-170SI
19
1617801000661
20
1617812300760
21
1690014205016
22
16-178122-00761
Halter
23
16-900500-00006
Mutter HC-2400, HCR-1500, PB-
24
16-890157-11130
Hinweisschild
25
1616340004521
26
1620010500761
27
1620012401111
28
1690014606014
Gestione della qualità
Aiutaci a migliorare il nostro sito. Informaci se trovi un errore.