.it
Carrello
vuoto
Il mio account
Registrati
Log in
Benvenuti
Contatti
Spedizione
L’azienda
Guest book
Condizioni e Privacy
Catalogare
Tagliare, profilare
Componenti per motore
Officine meccaniche
Parti e componentistica per macchine varie
Forestali
Articoli elettrici
Articoli invernali
Cinghie trapezoidali e relative pulegge
Filters
PEZZI DI RICAMBIO
Sprocket Rims
Guide Bars
Chainsaw Chains
Search by Part Number
Diagrammi ed elenchi
Servizio
Determine Chain
Ricerca
DE
EN
FR
ES
IT
Versione mobile
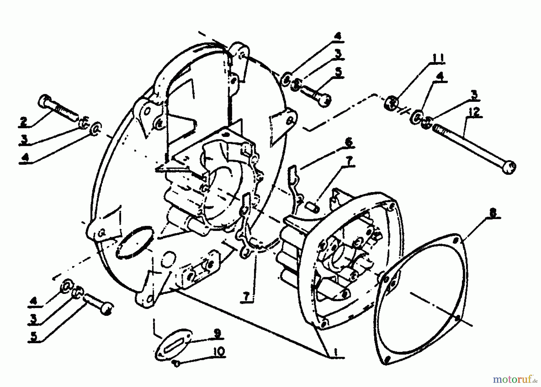
Echo PB-202 - Hand Held Blower, S/N: 001001 - 0040501 Crankcase Ricambi
Start
Echo
Bläser / Sauger / Häcksler / Mulchgeräte
PB-202 - Echo Hand Held Blower, S/N: 001001 - 0040501
Crankcase
Crankcase PB-202 - Echo Hand Held Blower, S/N: 001001 - 0040501
Posizione
Articolo numero
Descrizione
1
1699999999999
2
16-900220-05028
Schraube
3
16-900605-00005
Scheibe PB-250/EC-7600
4
16-900600-00005
Scheibe PB-500/452GS/DH2200ST
5
16-900220-05018
Schraube
6
16
16
7
16-V622-000020
Stift
8
16-100615-04631
Dichtung Produktion
9
1689011000660
10
16-890011-00130
Kerbstift
11
16-900500-00005
Mutter PPT-300ES/T-226 EDR-
12
1690022005070
Gestione della qualità
Aiutaci a migliorare il nostro sito. Informaci se trovi un errore.