di nuovo a
>
Tosaerba
>
Benzina
>
Spinta fino 42 cm
>
series 2
>
2.42 TL
>
Prisma 37
>
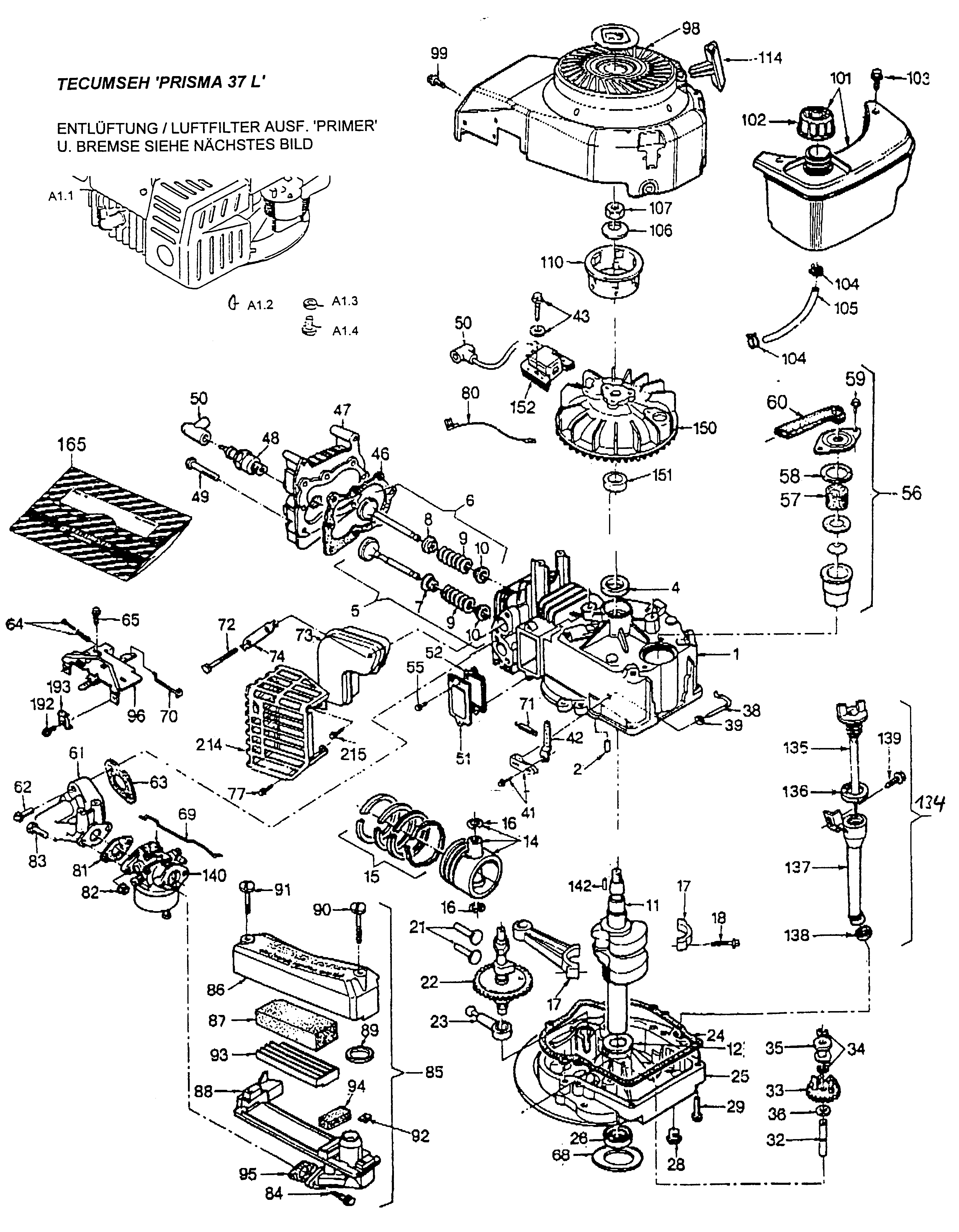
Motore Prisma 37 L (1)
Liste dei pezzi di ricambio per Wolf Tosaerba Motore Prisma 37 L (1)
pos.
descrizione
NĂºmero de pieza
A1.1
Motor
2031 050
A1.2
Molla a rondella
0029 055
A1.3
Vite a testa cilindrica
0011 351
A1.4
Dado esagonale
0016 312
1
Cilindro
2031 052
2
Spina
1032 201
4
Paraolio
1005 202
5
Valvola di ammissione
1032 203
6
Valvola di scarico
2085 056
7
Paraolio
2031 215
8
Testa di valvola
2027 204
9
Molla di valvola
2031 113
10
Testa di valvola
1038 206
11
Albero a gomiti
2085 200
12
Reggispinta
2085 208
14
Pistone
1039 100
15
Serie di segmenti
1039 103
16
Anello di sicurezza
1032 103
17
Corpo di biella
2036 202
18
Vite
2036 201
21
Perno
2031 114
22
Albero a camme
2031 115
23
Pompa dell'olio
2026 206
24
Guarnizione
1032 223
25
Flangia
2027 201
26
Paraolio
1005 217
28
Tappo di scarico dell'olio
2030 209
29
Vite a testa esagonale
1038 209
32
Albero del regolatore
1032 225
33
Dentatura
1032 230
34
Rondella grover
1032 231
35
Bobina di regolatore
1032 232
36
Rosetta
2026 205
38
Albero del regolatore
2026 208
39
Rosetta
1032 236
41
Leva
2031 117
42
Leva del regolatore
2085 202
43
Vite
2085 421
46
Guarnizione
1032 112
47
Testata
2027 100
48
Candela
2031 305
49
Vite
2030 203
50
Cappuccio per candela
2085 301
51
Coperchio d'aerazione
2087 301
56
Sfiattatoio
2031 531
57
Rivestimento interno
2085 308
58
Guarnizione
2085 309
59
Vite
2085 310
61
Presa d'aria
2087 401
62
Vite
2085 204
63
Guarnizione
2031 221
64
Vite di regolazione
2031 210
65
Vite
2085 310
68
Coperchio
2026 204
69
Snodo
2030 404
70
Snodo
2087 402
71
Spina
2031 120
72
Screw
2025 215
73
Scarico
2031 010
74
Lamiera di fissaggio
2025 209
77
Vite
2085 310
80
Cavo di massa
2087 305
81
Guarnizione
1037 400
82
Dado
2085 403
83
Vite
2031 202
85
Filtro dell'aria
2031 056
86
Coperchio per filtro
2031 401
87
Cartuccia per filtro
2031 405
88
Scatola per filtro
2031 408
90
Vite
2031 204
91
Vite
2031 205
92
Dado
2031 220
93
griglia per filtro
2031 410
94
Interno di ventola
2031 112
96
Piastra di fissaggio
2031 118
98
Scatola per ventola
2031 119
99
Vite a testa esagonale
1032 315
101
Serbatoio
2031 057
102
Tappo di serbatoio
2085 500
103
Vite
2026 215
104
Attacco
2030 501
105
Tubo flessibile
2026 500
106
Rosetta
2026 606
107
Dado
2026 607
110
Capsula di starter
2035 601
114
Impugnatura
2030 601
***
Fune di trazione
2085 612
130B
Freno per motore
2033 111
134
Tubo per riempimento olio completo
2031 075
135
Asta per livello dell'olio
2031 255
136
Guarnizione
2031 452
137
Tubo per riempimento olio
2031 250
138
Guarnizione
2027 208
139
Vite
2026 215
140
Carburatore completo
2031 020
140
Carburatore completo, esecuzione Primer
2031 021
142
Chiavetta
2030 201
150
Volano
2029 303
151
Distanziale
2085 304
152
Bobine di accensione
2030 055
165
Serie di guarnizioni
2031 058
192
Vite
2085 404
193
Sostegno
1038 402
214
Protezione contro il contatto
2030 307
215
Vite
2031 207
240
Attacco
2033 114
Wolf
Attrezzi manuali
Tagliasiepi
Cesoie universali
Forbici per erba manuali
Cesoie per rami
Svettatoi
Cura degli alberi
Sistemi d'illuminazione
Forbici a batteria
Biotrituratori
Segacci
Rotofalci
Tosaerba elicoidali
Carrello spandiconcime / Portax
Carrelli avvolgitubo
Scarificatori / Arieggiatori
Tosaerba
Accu
Benzina
Spinta fino 42 cm
series 2
2.42 T
2.42 TL
Foglio di dati
Chassis e coperchio posteriore
Asse, ruote e regolazione altezza
Impugnatura cpl.
Anello distanziatore, motore, barra portalama, scatola di comando
Prisma 37
Motore Prisma 37 L (1)
Motore Prisma 37 L (2)
Rewind Starter
Carburatore
Carburatore Primer
2.42 B
2.42 T
2.42 TL
2.42 TLK
2.42 BS
2.42 TV
2.42 TP
2.40 BQ
2.40 BS
2.40 H
2.40 BC
2.38 TV
2.40 BS
2.40 H
2.40 BC
2.42 B, Good-Line
2.40 B
2.40 BT
series 4
series 6
Premio
Power Edition
Esprit
Moto-Verte
Varia
Compact Plus
Spinta oltre 43 cm
Avviatore fino 42 cm
Avviatore oltre 43 cm
Elettrostart / Touch&Mow
Elettrici
Ride-On
Motori a benzina
Accessori
Condizioni generali di contratto
(C) by motoruf