di nuovo a
>
Tosaerba
>
Benzina
>
Avviatore oltre 43 cm
>
Esprit
>
Esprit 46 HA
>
GCV 135 A2
>
Cilindro
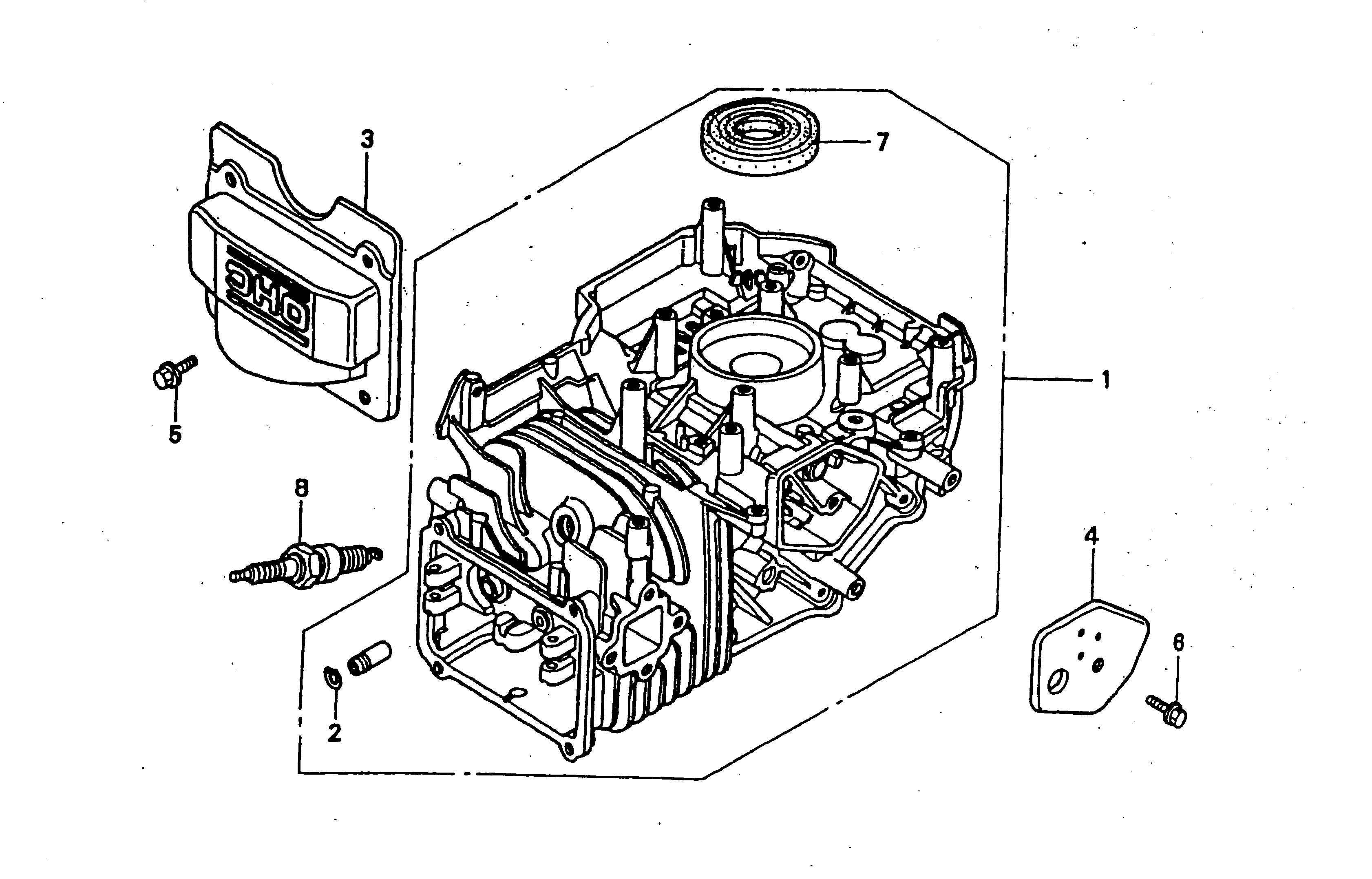
Liste dei pezzi di ricambio per Wolf Tosaerba Cilindro
pos.
descrizione
NĂºmero de pieza
1
Cilindro completo
2098 308
2
Anello di sicurezza ondulato
2098 138
3
Coperchio di testata
2098 424
4
Coperchio
2098 400
5
Vite
2098 105
6
Vite
2098 106
7
Paraolio
2098 318
8
Candela
2095 306
Wolf
Attrezzi manuali
Tagliasiepi
Cesoie universali
Forbici per erba manuali
Cesoie per rami
Svettatoi
Cura degli alberi
Sistemi d'illuminazione
Forbici a batteria
Biotrituratori
Segacci
Rotofalci
Tosaerba elicoidali
Carrello spandiconcime / Portax
Carrelli avvolgitubo
Scarificatori / Arieggiatori
Tosaerba
Accu
Benzina
Spinta fino 42 cm
Spinta oltre 43 cm
Avviatore fino 42 cm
Avviatore oltre 43 cm
series 2
series 4
series 6
Moto-Verte
Concept
Premio
Power Edition
Esprit
Esprit 46 BA
Esprit 46 B
Esprit 46 BA
Esprit 46 TMA
Esprit 46 BA
Esprit 46 TMA
Esprit 46 BA Fixspeed
Esprit 46 BA
Esprit 46 HA
Foglio di dati
Chassis
Asse, ruote, regolazione altezza
Impugnatura cpl.
Motore, lama
grass collector
MK 40 (4011 075) Kit per mulching (Kit per mulching)
GCV 135 A2
Cilindro
Coppa dell'olio
Albero a gomiti, pistone
Valvole
Regolazione
Carburatore
Indotto, bobina di accensione, freno
Serbatoio per carburante
Filtro dell'aria, silenziatore
Copertura, starter
Varia
Elettrostart / Touch&Mow
Elettrici
Ride-On
Motori a benzina
Accessori
Condizioni generali di contratto
(C) by motoruf