di nuovo a
>
Motori a benzina
>
Briggs & Stratton
>
Quantum
>
XE, XTE, XTL 35/40/45/50-I/C-ES
>
Basamento
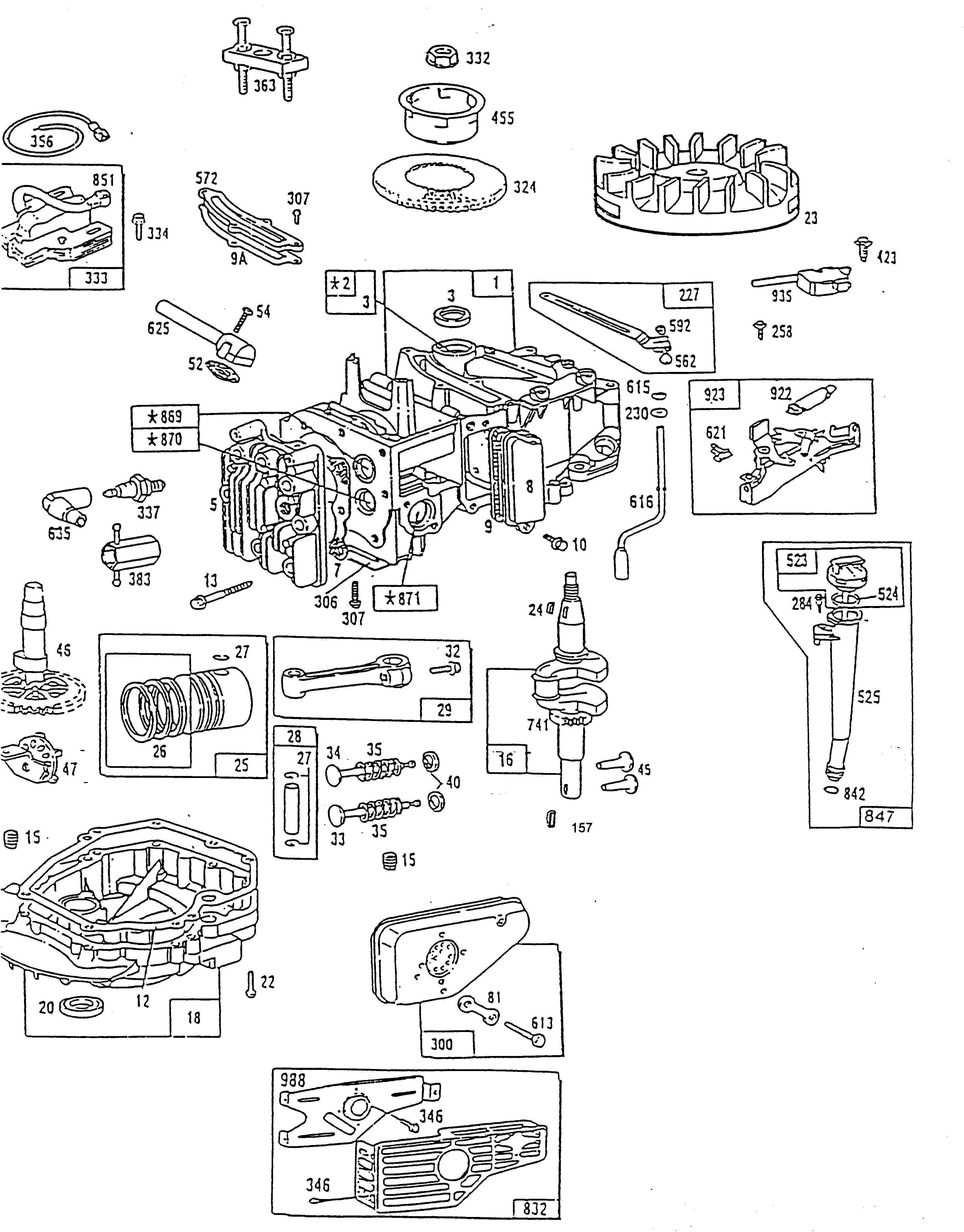
Liste dei pezzi di ricambio per Wolf Motori a benzina Basamento
pos.
descrizione
NĂºmero de pieza
1
Cilindro
2063 100
2
Bussola
1034 101
3
Paraolio
2063 101
5
Testata
2063 102
5
Cylinder haed
2063 126
7
Guarnizione
2063 103
8
Sfiattatoio
2063 104
9
Guarnizione
2063 105
9A
Guarnizione
2063 209
10
Vite
2063 106
12
Guarnizione
2063 107
13
Vite per testata
2063 108
15
Tappo di scarico dell'olio
2065 103
16
Crankshaft
2058 103
16
Albero a gomiti
2066 103
16
Tappo di scarico dell'olio
2065 103
18
Coppa dell'olio
2063 111
20
Paraolio
2063 112
22
Vite
2063 113
Wolf
Attrezzi manuali
Tagliasiepi
Cesoie universali
Forbici per erba manuali
Cesoie per rami
Svettatoi
Cura degli alberi
Sistemi d'illuminazione
Forbici a batteria
Biotrituratori
Segacci
Rotofalci
Tosaerba elicoidali
Carrello spandiconcime / Portax
Carrelli avvolgitubo
Scarificatori / Arieggiatori
Tosaerba
Ride-On
Motori a benzina
Tecumseh
Briggs & Stratton
Quattro
Quantum
XE, XTE, XTL 35/40/45/50-I/C-ES
Basamento
Carburatore, serbatoio, filtro
Carburatore
Filtro
Filtro dell'aria, silenziatore
Bobina, avviatore elettrico
Starter alt
Starter neu
XE, XTE 35/40-50/55
50 XTE
XTE 50 ES
XM 45
XM 45
XE 55 I/C
XTE 50 ES
50 XTE
45 XM
55 XM
55 XM
55 XTE
55 X-ES
55 XES
50 XTE
55 XTE
45 XM
55 XM
XTE 50
Q 48 Fixspeed
Diamond
Intek
Sprint
Classic
Honda
Kawasaki
Accessori
Condizioni generali di contratto
(C) by motoruf