di nuovo a
>
Tosaerba
>
Benzina
>
Spinta oltre 43 cm
>
series 4
>
4.46 B
>
4.46 B
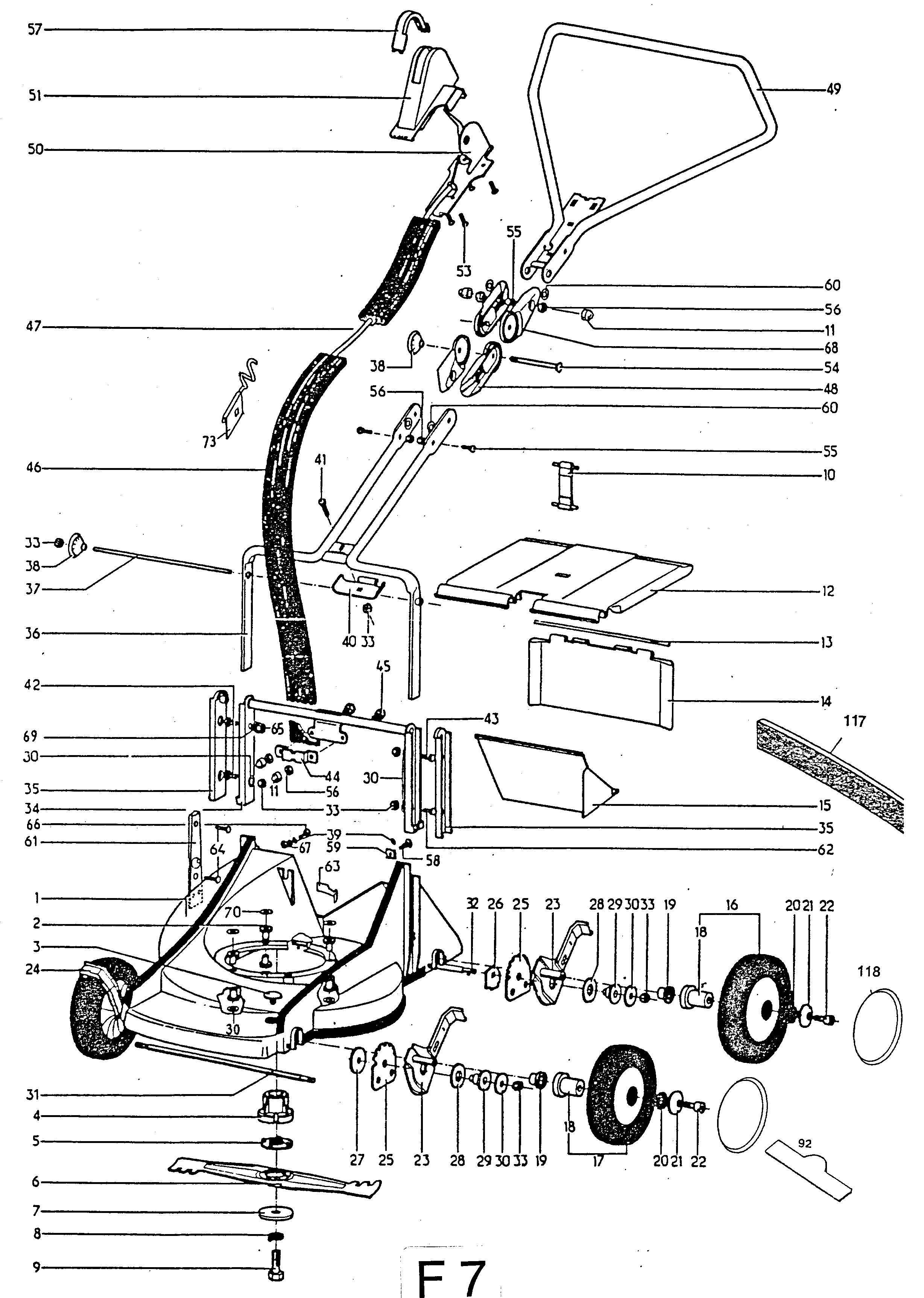
Liste dei pezzi di ricambio per Wolf Tosaerba 4.46 B
pos.
descrizione
NĂºmero de pieza
1
Chassis
6905 300
2
Isolatore
6905 301
3
Coperchio
6905 302
4
Coupling
6920 402
5
Trascinatore
6920 500
6
Lama
6920 090
6
Lama Pro rinforzata
6920 091
7
Rosetta
4289 403
8
Washer spring
0017 911
9
Vite
6905 401
10
Cinghia
6905 303
11
Coperchio
6905 211
12
Coperchio posteriore
6905 305
13
Asta di collegamento
6905 304
14
Respingente
6905 306
15
Lamiera guida
6905 307
16
Ruota ø 200 mm
6905 040
17
Ruota
6966 040
18
Cuscinetto
6905 500
19
Sostegno
4249 501
20
Anello distanziatore
1086 107
21
Rosetta
6966110
22
Vite
6966111
23
Leva di spostamento
6905 017
24
Leva di spostamento
6905 016
25
Rosetta
6905 502
26
Rosetta
6905 503
27
Rondella
4151 209
28
Molla belleville
0022 842
29
Bussola
4289 516
30
Rosetta
0017 291
31
Asse anteriore
6905 504
32
Asse posteriore
6905 505
33
Dado esagonale
0016 312
34
Supporto per impugnatura
6905 018
35
Isolatore
6905 308
36
Sterzo, parte inferiore
6905 011
37
Attacco per asse
6905 101
38
Volantino
6905 102
39
Rosetta
0017 286
40
Piastra di fissaggio
6905 103
41
Vite con calotta piatta
0013 650
42
Vite
0013 652
43
Vite
0013 654
44
Profilato di bloccaggio
6905 104
45
Screw
0010 400
46
bend protection
6905 105
47
Cavo di comando
6905 106
48
Segmento di arresto
6905 107
49
Impugnatura, alto
6912 012
50
Base di satellite
6905 108
51
Coperchio di satellite
6905 109
52
Manopola
4277104
53
Vite
0012 897
54
Vite
6905 110
55
Screw
0013 639
56
Dado
0016 311
57
Coperchio
6905 111
58
Vite
0015 653
59
Clip
4224 218
60
Rosetta
0017 121
61
Sostegno
6905 309
62
Vite
0013 653
63
Coperchio
6905 310
64
Vite
0012 887
65
Dado
0016 213
66
Screw
0010 356
67
Dado
0016 309
68
Segmento di arresto
6905 112
69
Rosetta
0017 123
70
Rondella
6905 311
73
Guida per fune
6925 114
92
Marchio WOLF-Garten
0051 146
117
Grembiule di gomma
6905 100
118
Coperchio
6966 506
****
Corredo di montaggio
6922 060
****
Istruzioni per l'uso
0054 088
****
Etichetta "Sicurezza"/Pittogramma
0051 224
Wolf
Attrezzi manuali
Tagliasiepi
Cesoie universali
Forbici per erba manuali
Cesoie per rami
Svettatoi
Cura degli alberi
Sistemi d'illuminazione
Forbici a batteria
Biotrituratori
Segacci
Rotofalci
Tosaerba elicoidali
Carrello spandiconcime / Portax
Carrelli avvolgitubo
Scarificatori / Arieggiatori
Tosaerba
Accu
Benzina
Spinta fino 42 cm
Spinta oltre 43 cm
series 2
series 4
4.46 B
Foglio di dati
Impugnatura, parte superiore/ fermalama
4.46 B
XE, XTE, XTL 35/40/45/50-I/C-ES
XE, XTE 35/40-50/55
series 6
Concept
Premio
Esprit
Varia
Avviatore fino 42 cm
Avviatore oltre 43 cm
Elettrostart / Touch&Mow
Elettrici
Ride-On
Motori a benzina
Accessori
Condizioni generali di contratto
(C) by motoruf