di nuovo a
motoruf
Warenkorb

Liste dei pezzi di ricambio per Toro




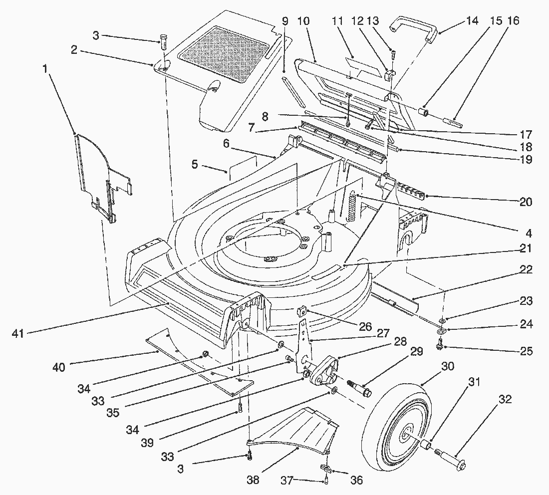
pos.descrizioneNúmero de pieza
11-9509
Liste dei pezzi di ricambio


pos.descrizioneNúmero de pieza
2977-2810
3127-6250
3227-6231
3340-1940
343296-6
3565-5220
3666-0640
3765-5221
3865-5010
3932144-4
4070-7030
4170-7590
Toro
Condizioni generali di contratto
(C) by motoruf