di nuovo a
motoruf
Warenkorb

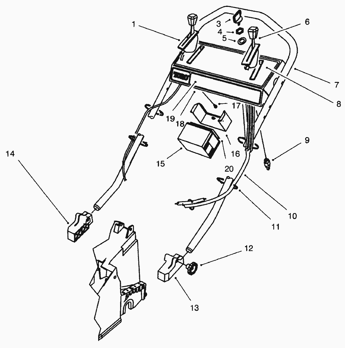
Liste dei pezzi di ricambio per Toro




pos.descrizioneNúmero de pieza
16-8759
Liste dei pezzi di ricambio


pos.descrizioneNúmero de pieza
193-6632
363-8360
4218-461
53254-5
693-6631
794-4910
893-6660
946-5780
1080-4795
113290-378
1219-4050
1371-8090
1471-8100
1555-7520
1655-8180
1792-9665
1971-9871
2093-6668
22-4710
Toro
Condizioni generali di contratto
(C) by motoruf