di nuovo a
>
>
>
>
>
>
>
>
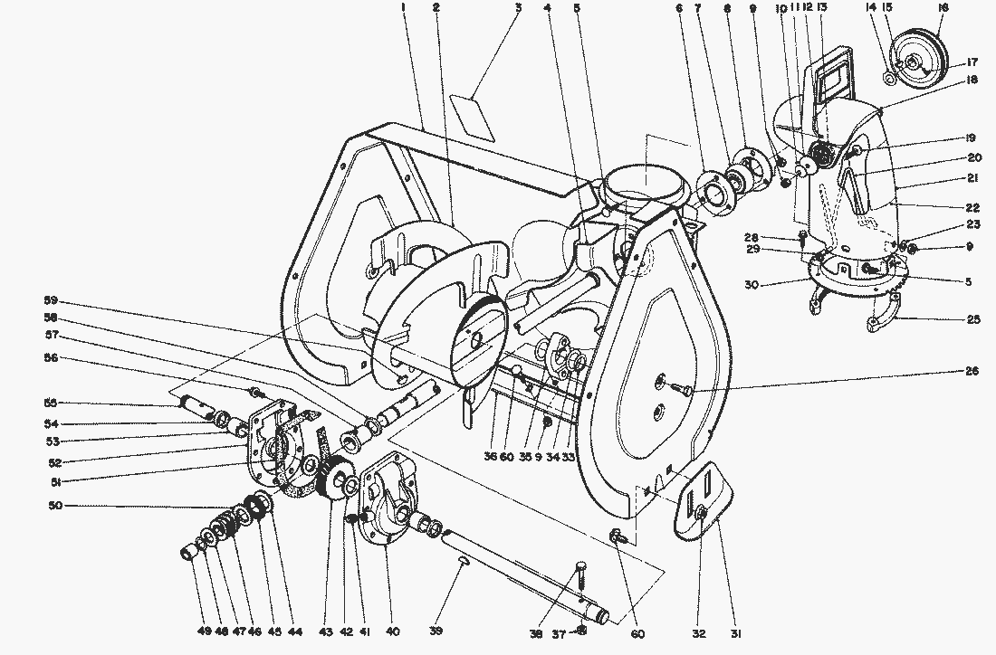
Liste dei pezzi di ricambio per Toro
pos.
descrizione
NĂºmero de pieza
29
3290-326
30
37-8941
31
40-8160
32
32128-20
33
32151-36
34
5-1550
35
37-6550
36
74-1420
37
3296-42
38
321-10
39
3257-33
40
14-2459
41
281-1
42
252-71
43
5-7180
44
257-3
45
252-76
46
5-7170
47
3-8664
48
32120-72
49
256-32
50
252-80
51
51-0460
52
14-2449
53
256-237
54
7-0045
55
37-6801
56
32144-41
57
37-6560
58
237-87
59
3257-23
60
3230-1
37-6961
12-8789
Toro
Condizioni generali di contratto
(C) by motoruf