di nuovo a
>
>
>
>
>
>
>
Liste dei pezzi di ricambio per Toro
Liste dei pezzi di ricambio 1
Liste dei pezzi di ricambio 2
Liste dei pezzi di ricambio 3
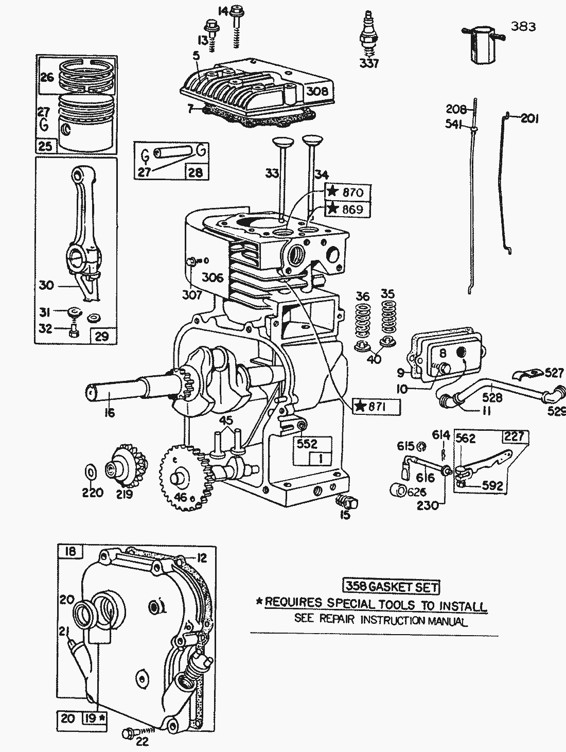
pos.
descrizione
Número de pieza
*270125
298985
*270126
298907
66884
93368
293918
91249
298908
298984
222450
*270080
93369
pos.
descrizione
Número de pieza
1
395990
5
211542
7
*270383
8
294178
9
*27549
10
93394
11
66578
16
260938
18
297602
19
297603
20
294606
21
66768
22
93032
25
298904
298905
298906
26
298982
298983
27
26026
28
298909
29
299430
30
221890
31
222282
32
92296
33
211119
34
261044
35
260552
36
26478
40
93312
45
260642
46
211117
201
261558
208
230737
219
391737
220
221551
227
393920
306
221511
307
93042
308
221512
358
297615
383
89838
527
221514
528
230722
529
67838
541
22398
552
231079
562
92613
592
231082
614
93306
615
93307
616
231077
626
230749
869
211787
870
211172
871
63709
pos.
descrizione
Número de pieza
2
297565
3
299819
23
297229
24
222698
37
222443
55
299431
56
295871
57
294303
59
230228
60
393152
65
93067
66
394558
67
394897
68
63770
70
298436
71
221653
73
221923
74
93490
75
220865
76
68238
200
221480
304
299410
305
93158
319
395490
333
395491
335
93414
346
93705
363
19069
373
92987
608
390463
655
222598
851
221798
897
394970
pos.
descrizione
Número de pieza
52
*27355
81
222263
90
299576
95
93499
96
211203
97
299212
114
66594
116
65978
117
230590
118
23433
124
93357
147
230591
148
22235
149
26336
152
260575
154
93527
163
27660
180
297600
181
297863
190
93440
191
*27911
202
260678
203
393919
204
222962
205
93838
209
260695
216
299859
217
260189
218
221198
223
221517
224
93491
256
299859
265
221535
267
93496
300
393615
356
299500
392
260455
394
270026
414
220982
432
221377
433
93265
434
210959
435
93141
526
93343
534
93322
535
27987
536
297036
542
92265
609
260694
611
391813
612
296811
613
93935
621
297472
634
270167
643
280374
676
395700
681
299060
725
222595
883
270918
Toro
Condizioni generali di contratto
(C) by motoruf