di nuovo a
>
>
>
>
>
>
>
>
Liste dei pezzi di ricambio per Toro
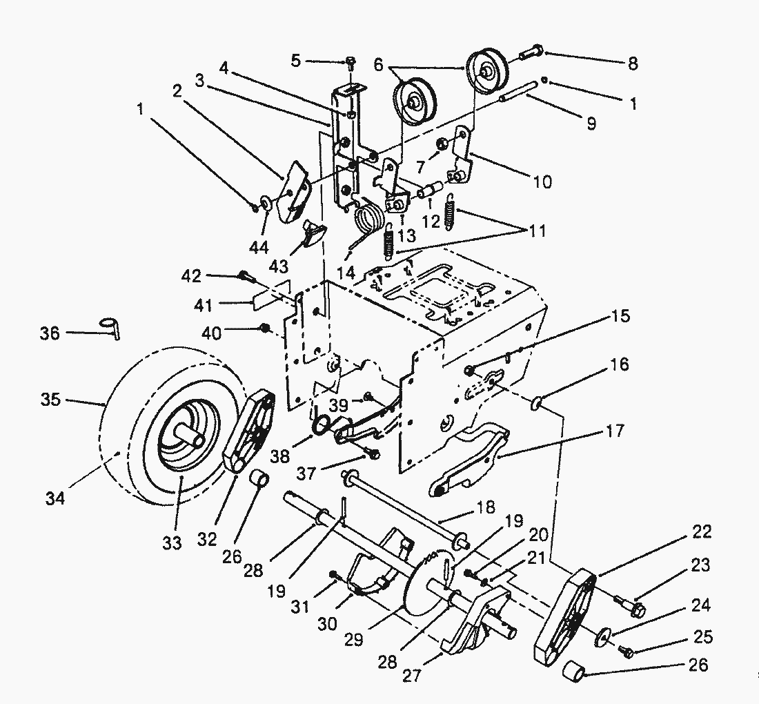
pos.
descrizione
Número de pieza
62-0150
56-2620
63-3150
pos.
descrizione
Número de pieza
1
32120-46
2
63-2810
3
63-2850
4
3296-42
5
3234-13
6
3-4244
7
3296-59
8
323-7
9
62-0970
10
62-1260
11
63-2870
12
62-1210
13
62-1280
14
63-2880
15
3296-39
16
3290-461
17
62-0470
18
63-3440
19
32121-9
20
32144-4
21
3256-1
23
62-1330
24
63-3360
25
32144-41
26
63-2250
27
62-1010
28
252-80
29
63-2111
30
62-1000
31
32104-118
33
241-124
34
232-46
35
231-120
36
3290-243
37
5-2490
38
63-2740
39
3290-476
40
3296-47
41
63-3460
63-3470
42
3234-7
43
40-8140
44
3290-477
Toro
Condizioni generali di contratto
(C) by motoruf