di nuovo a
>
>
>
>
>
>
>
>
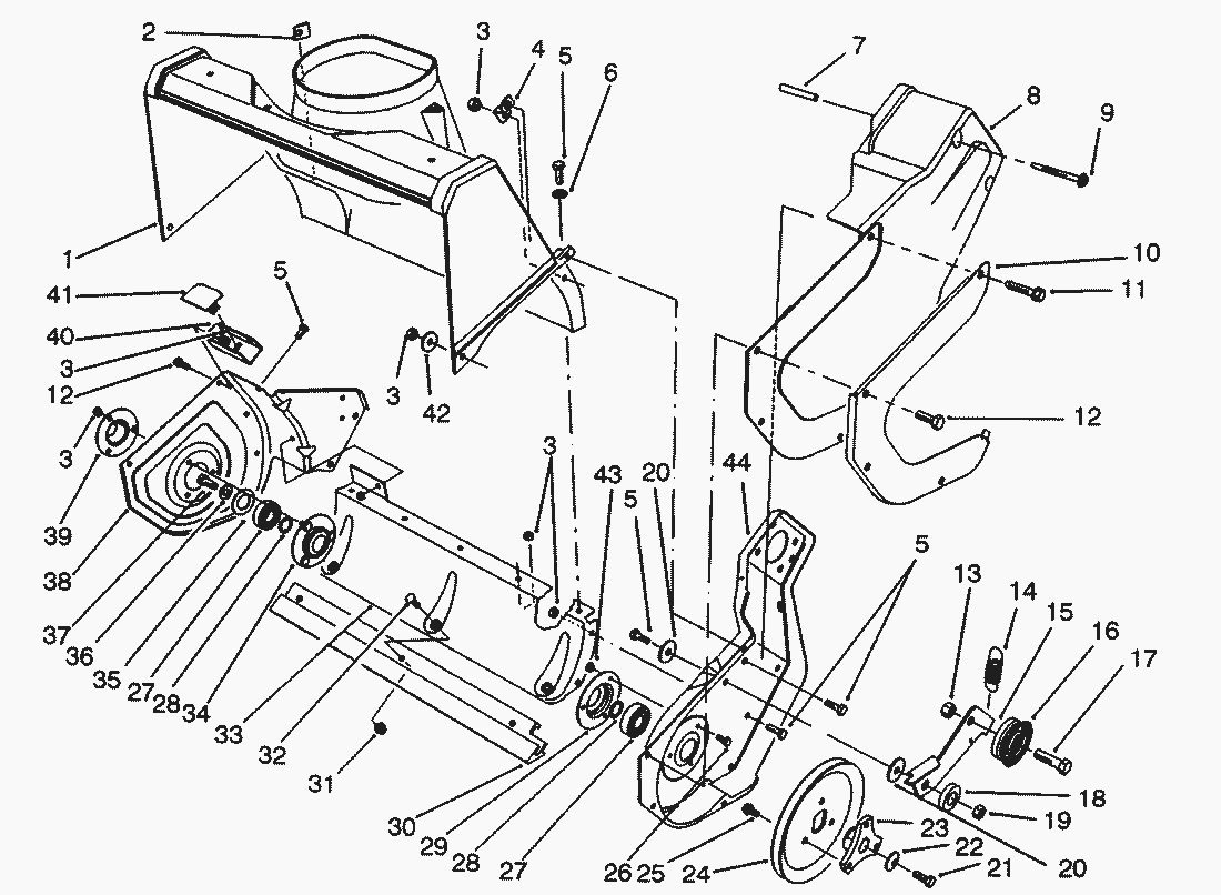
Liste dei pezzi di ricambio per Toro
pos.
descrizione
NĂºmero de pieza
1
55-8700
2
32115-14
3
3296-42
4
55-9430
5
321-4
6
3256-22
7
57-3830
8
71-5030
9
71-5350
10
71-5150
11
36-3860
12
32105-15
13
3296-39
14
71-5470
15
71-5160
16
71-5260
17
323-44
18
80-4620
19
3296-56
20
3256-55
21
321-30
22
3290-456
23
71-5070
24
71-5410
25
12-3270
26
32105-8
27
38-7820
28
52-7280
29
38-8620
30
71-5390
31
32128-10
32
3229-11
33
71-4930
34
52-9110
35
52-7270
36
3256-24
37
3234-25
38
71-4920
39
52-7290
40
71-5310
41
71-5270
42
3256-67
43
3296-2
44
71-4911
Toro
Condizioni generali di contratto
(C) by motoruf